Fill the BIM cart from the product catalogue

Uponor Aqua Ambient точков сифон коляно super/cube

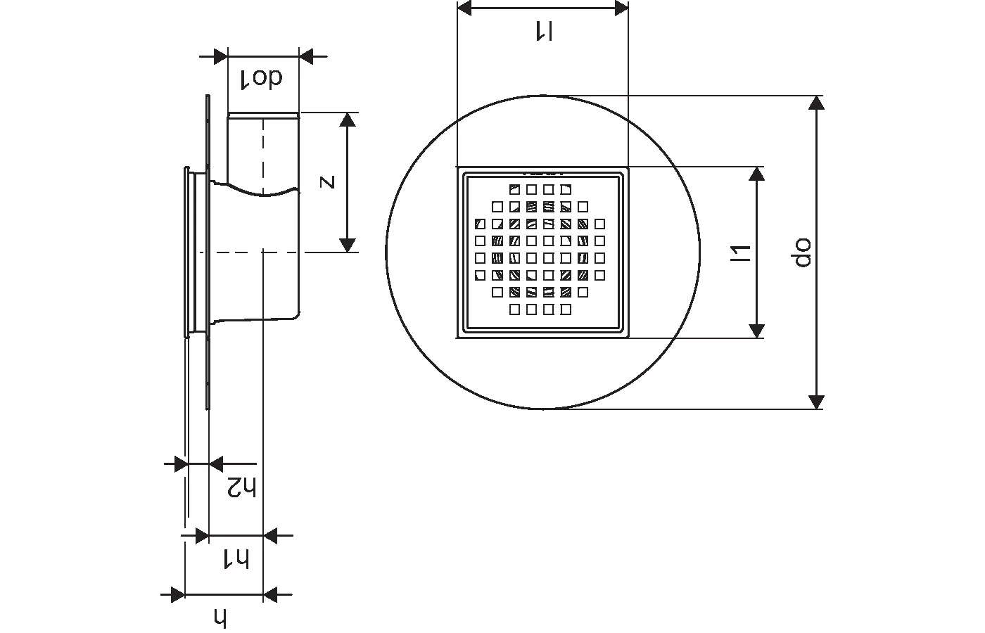
- свързване към канализационни тръби DN 50
- дебит: 0,4 l/s
- за ниски подове
- материал на решетката: неръждаема стомана
- материал на корпуса: полипропилен

Uponor Aqua Ambient точков сифон коляно super/cube

Подробности за артикула

Uponor Aqua Ambient точков сифон коляно super/cube FI 50

Документи

Ръководство за монтаж
577 B1139871

Ръководство за монтаж Aqua Ambient point drain inlets (1139871)

Относно

Спецификация

- модерна конструкция и стилен дизайн в различни размери: 600, 700, 800, 900, 1000 мм
- широка уплътнителна яка (30 мм), осигуряваща плътно свързване с подовата конструкция
- регулируема височина и фиксирани крака за интегриране във всякакъв вид подова конструкция
- лесен монтаж благодарение на завършеността на продукта и съвместимостта с канализационните инсталации ( с размера на канализационните тръби)
- сифон въртящ се на 360°

Приложение

- жилищни канализационни системи

Сертифициране

- техническа оценка съгласно EN 1253

Чертежи на продукта

1136453_LAB
1136453
100 B
1136453_REN
1136453
116 B
1136453_ZMD
1136453
145 B