Füllen Sie den BIM Warenkorb aus dem Produktkatalog

Uponor Combi Port M-Pro Schrank IW

- Unterputzschrank mit Füßen

Uponor Combi Port M-Pro Schrank IW

Details

Uponor Combi Port M-Pro Schrank IW 840x610x110mm
Uponor Combi Port M-Pro Schrank IW 1200x750x110mm

Dokumente

Montage- und Bedienungsanleitung
10 KB1143440

Montage- und Bedienungsanleitung Combi Port M-Pro DE (1143440)

Montage- und Bedienungsanleitung
10 KB1143303

Montage- und Bedienungsanleitung Combi Port M-Pro (1143303)

Ausschreibungstexte

Spezifikation

- Anschlüsse komplett montiert und druckgeprüft
- Rohrschellen aus Kunststoff zur Schall- und Wärmeentkopplung
- DVGW zertifizierter PM-Regler mit gebrauchsmustergeschützter Abdichtungstechnik
- Wärmedämmung an den Zuleitungen
- Thermostatisches Bypass-Ventil
- Kaltwasserabgang
- Passtück für Wärmemengenzähler 110 mm x 3/4"
- Passtück für Wasserzähler 110 mm x 3/4"
- Entlüftungs- und Entleerungsventile
- Schmutzfänger für Kaltwasser 0,5 mm
- Schmutzfänger im Heizungsvorlauf Primär 0,5 mm
- Anschlussmöglichkeit eines Potentialausgleichs
- Max. Betriebsdruck Heizung: PN10
- Max. Betriebsdruck Trinkwasser: PN10
- Max. Betriebstemperatur : 85 °C
- Max. Differenzdruck Primärkreislauf Heizung: 2,5 bar
- Min. Druck Trinkwasser: 2,0 bar
- Material der Trinkwasserarmaturen: CW617N
- Material der Heizungsarmaturen: CW617N, CW614N
- Material Rohrleitungen: Edelstahl 1.4401
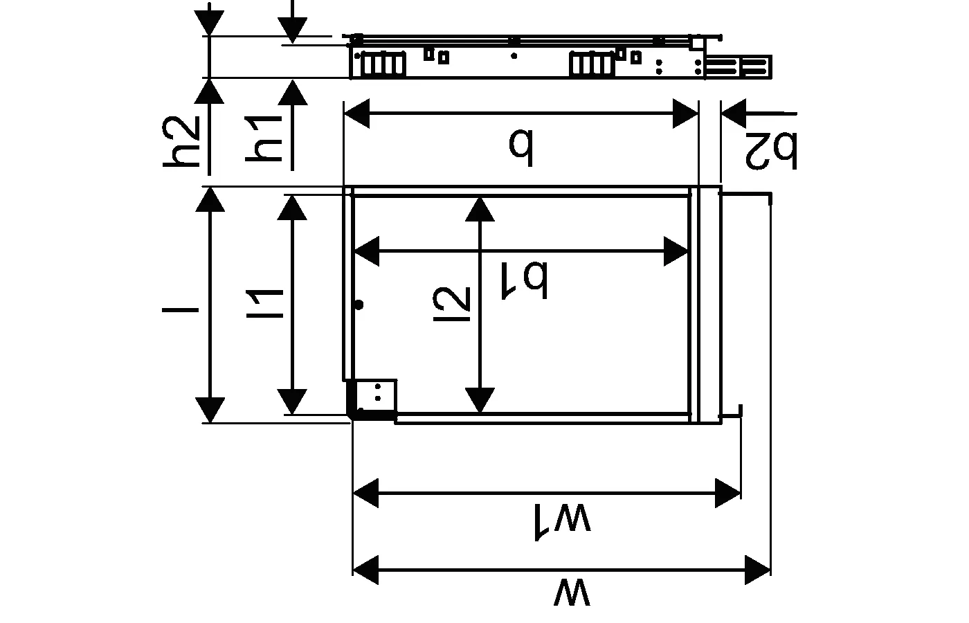
- Abmessungen: B/H/T 556 x 620 x 110 mm

Anwendung

- Dezentrale Warmwasserbereitung im Durchflussverfahren
- Anschluß von Fußbodenheizungen
- Anschluß von Radiatorheizungen

Zertifikat

- DVGW

Produktzeichnungen

1093809_LAB
1093809
660 B
1099826_LAB
1099826
42 B
1093809_REN
1093809
46 B
1093809_REN
1093809
11 B
1099826_REN
1099826
47 B
1093809_ZMD
1093809
108 B
1099826_ZMD
1099826
146 B