Füllen Sie den BIM Warenkorb aus dem Produktkatalog

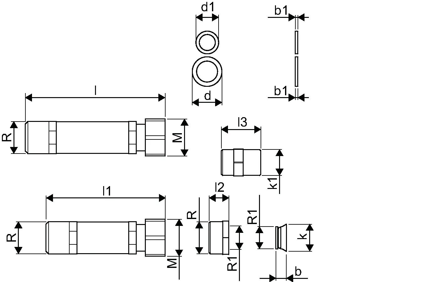
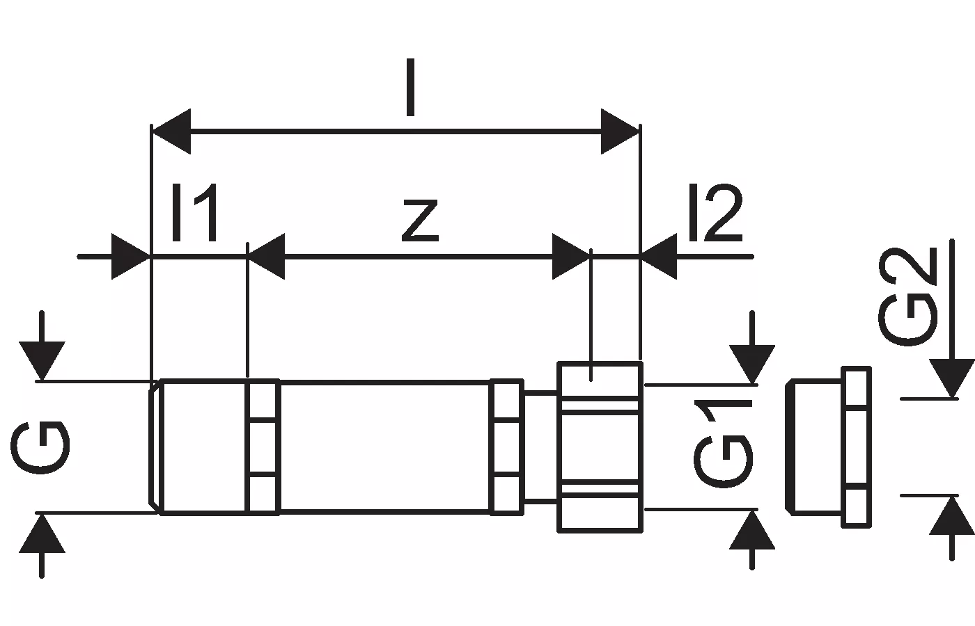
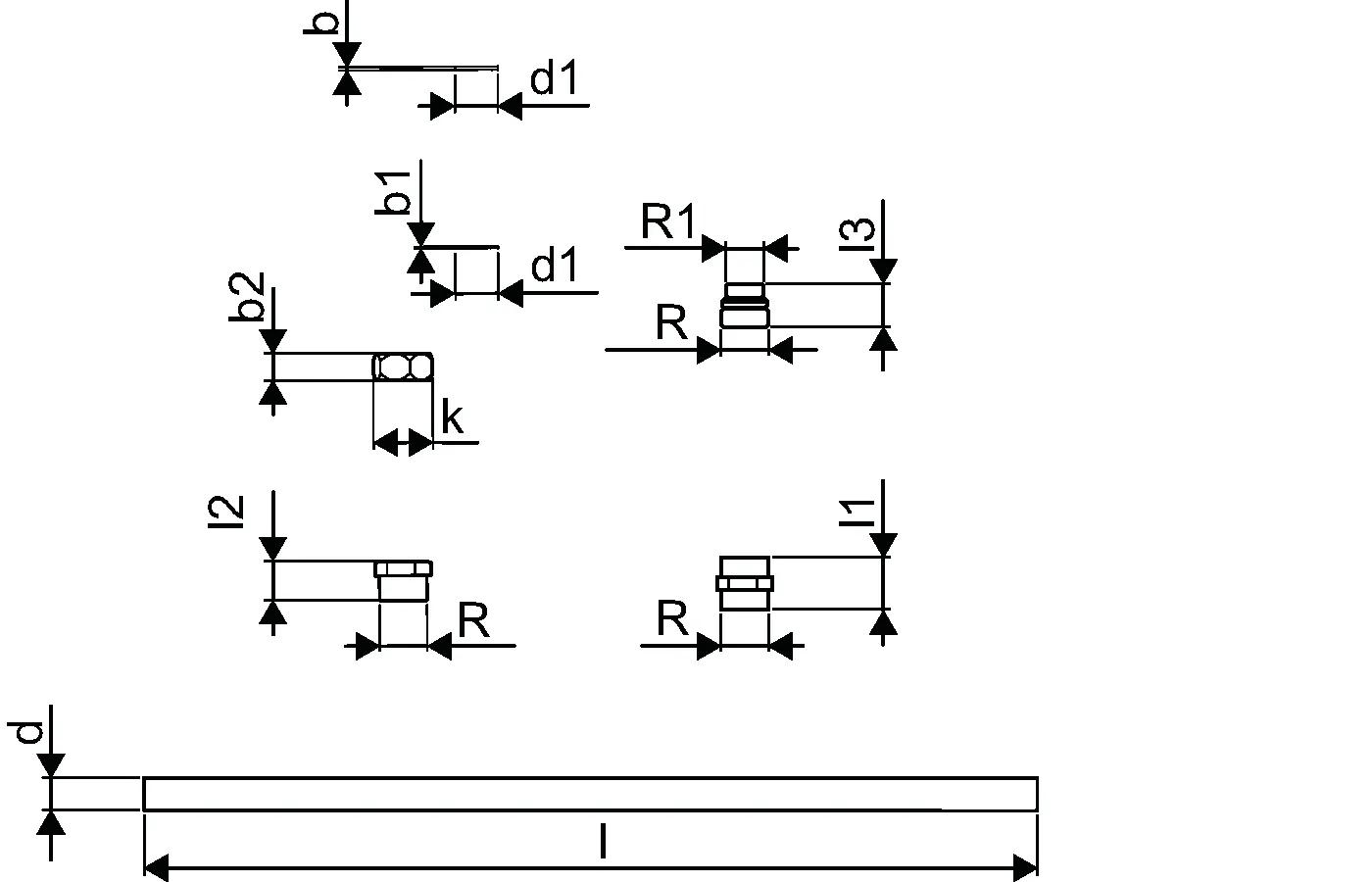
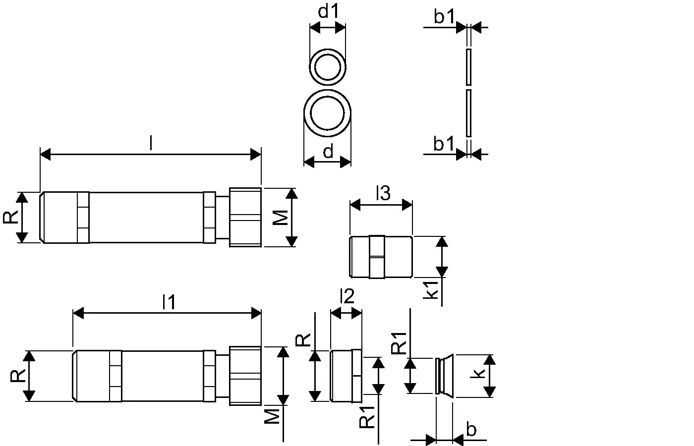
Uponor Combi Port M-Retro Flexible Rohre

- Flexible Wellrohre für den Anschluss von Stationen

Uponor Combi Port M-Retro Flexible Rohre

Details

Uponor Combi Port M-Retro Flexible Rohre x4,900mm (Junkers)
Uponor Combi Port M-Retro Flexible Rohre x4,900mm (Vaillant)
Uponor Combi Port M-Retro Flexible Rohre x4,1000mm (Universal)

Dokumente

Montage- und Bedienungsanleitung
5 KB1145396

IOM Combi Port M-Retro DE 1145396 v1

Technische Informationen
15 KB1092918

Technische Informationen Combi Port and Aqua Port (1092918)

Ausschreibungstexte

Spezifikation

- Anschlüsse komplett montiert und druckgeprüft
- Rohrschellen aus Kunststoff zur Schall- und Wärmeentkopplung
- DVGW zertifizierter PM-Regler mit gebrauchsmustergeschützter Abdichtungstechnik
- Thermostatisches Bypass-Ventil
- Passtück für Wärmemengenzähler 110 mm x 3/4"
- Passtück für Wasserzähler 110 mm x 3/4"
- Entlüftungs- und Entleerungsventile
- Schmutzfänger für Kaltwasser 0,5 mm
- Schmutzfänger im Heizungsvorlauf Primär 0,5 mm
- Anschlussmöglichkeit eines Potentialausgleichs
- Max. Betriebsdruck Heizung: PN10
- Max. Betriebsdruck Trinkwasser: PN10
- Max. Betriebstemperatur Primärkreislauf Heizung: 85 °C
- Max. Differenzdruck Primärkreislauf Heizung: 2,5 bar
- Min. Druck Trinkwasser: 2,0 bar
- Material der Trinkwasserarmaturen: CW617N
- Material der Heizungsarmaturen: CW617N, CW614N
- Material Rohrleitungen: Edelstahl 1.4401
- Abmessungen: B/H/T 435,5 x 618 x 115 mm

Anwendung

- Dezentrale Warmwasserbereitung im Durchflussverfahren
- Anschluß von Radiatorheizungen
- Als 1:1 Ersatz von Gasthermen in Renovierungsprojekten

Zertifikat

- DVGW

Produktzeichnungen

1099723_ZMD
1099723
131 B
1099724_ZMD
1099724
143 B
1099726_ZMD
1099726
115 B
1099723_REN
1099723
108 B
1099724_REN
1099724
174 B
1099726_REN
1099726
71 B
1099723_LAB
1099723
64 B
1099724_LAB
1099724
160 B
1099726_LAB
1099726
64 B