Fill the BIM cart from the product catalogue

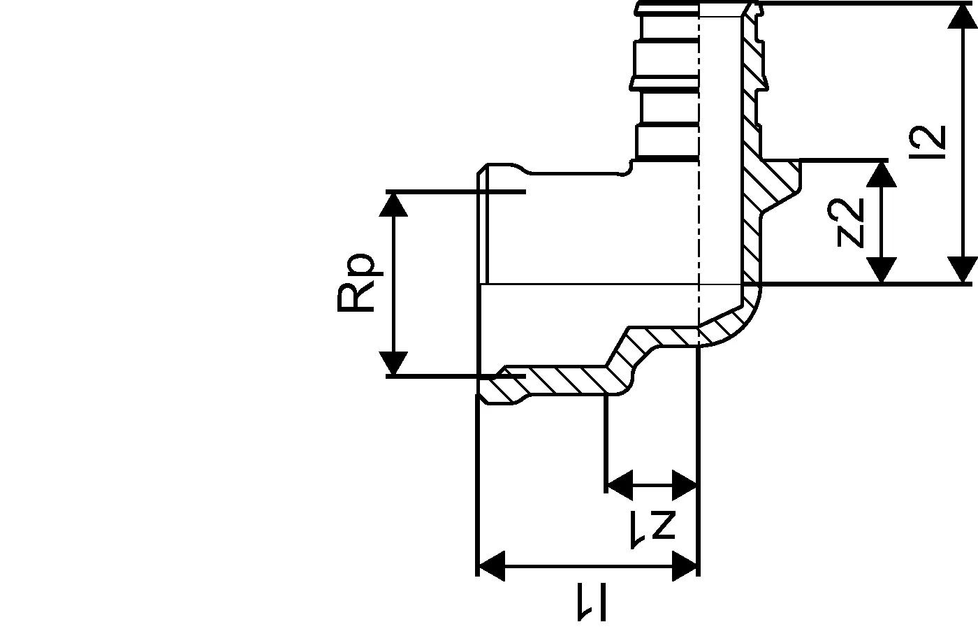
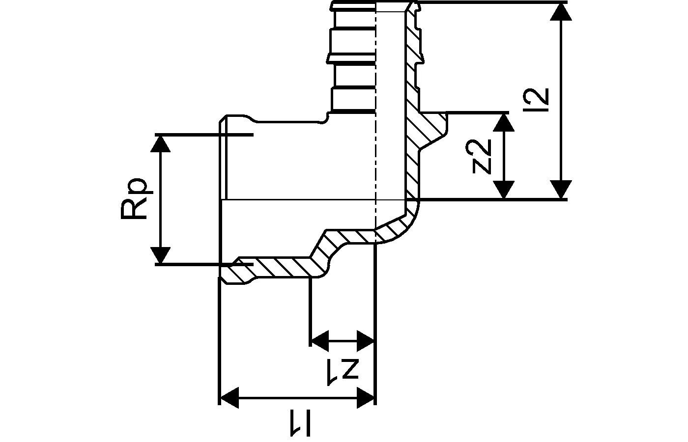
Uponor Q&E elbow adapter female LF

- Made of lead free brass acc. to A5G4 of NCC 2022
- Watermark approved
- Note: Q&E ring must be ordered separately

Uponor Q&E elbow adapter female LF

Item details

Uponor Q&E elbow adapter female LF 25x3/4" BSP

Documents

Technical information
1 KB1118689

Technical Information PE-Xa piping systems (1118689)

Installation Manual
1 KB1062301

Installation Manual Uni Pipe PLUS (1062301)

Application information

Specification

- Q&E fittings and rings for Uponor Pex pipes
- Metal fittings are made of high quality brass
- Plastic fittings are made of polyphenilsulphone
- Q&E rings must be ordered separately if not different mentioned

Application

if not different mentioned:
- Male and female threads acc.to EN 10226-1.

Product drawings

1126837_ZMD
1126837
118 B
1126837_REN
1126837
123 B
1126837_LAB
1126837
132 B