Detalle del producto
Documentos
MANUAL TÉCNICO
Certificado de aprobación
Certificado de aprobación
279 B1030851
Uponor CER Q&E SYS MECH AENOR 001-006323 ES EN (1030851)
Más información
Especificación
- Accesorios plásticos (PPSU) y metálicos (latón) para su montaje con tuberías Uponor de polietileno reticulado (PEX-a).- La más amplia gama del mercado con un rango de accesorios de 16 a 75 mm.- Posibilidad de realizar una instalación higiénica completamente plástica.
Aplicación
- Para instalaciones de agua sanitaria.Si no se indica lo contrario:- Roscas macho/hembra acorde a EN 10226-1.
Imágenes de producto
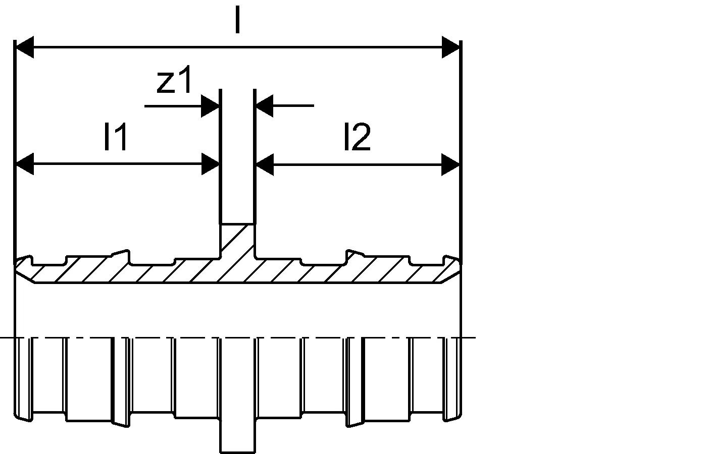
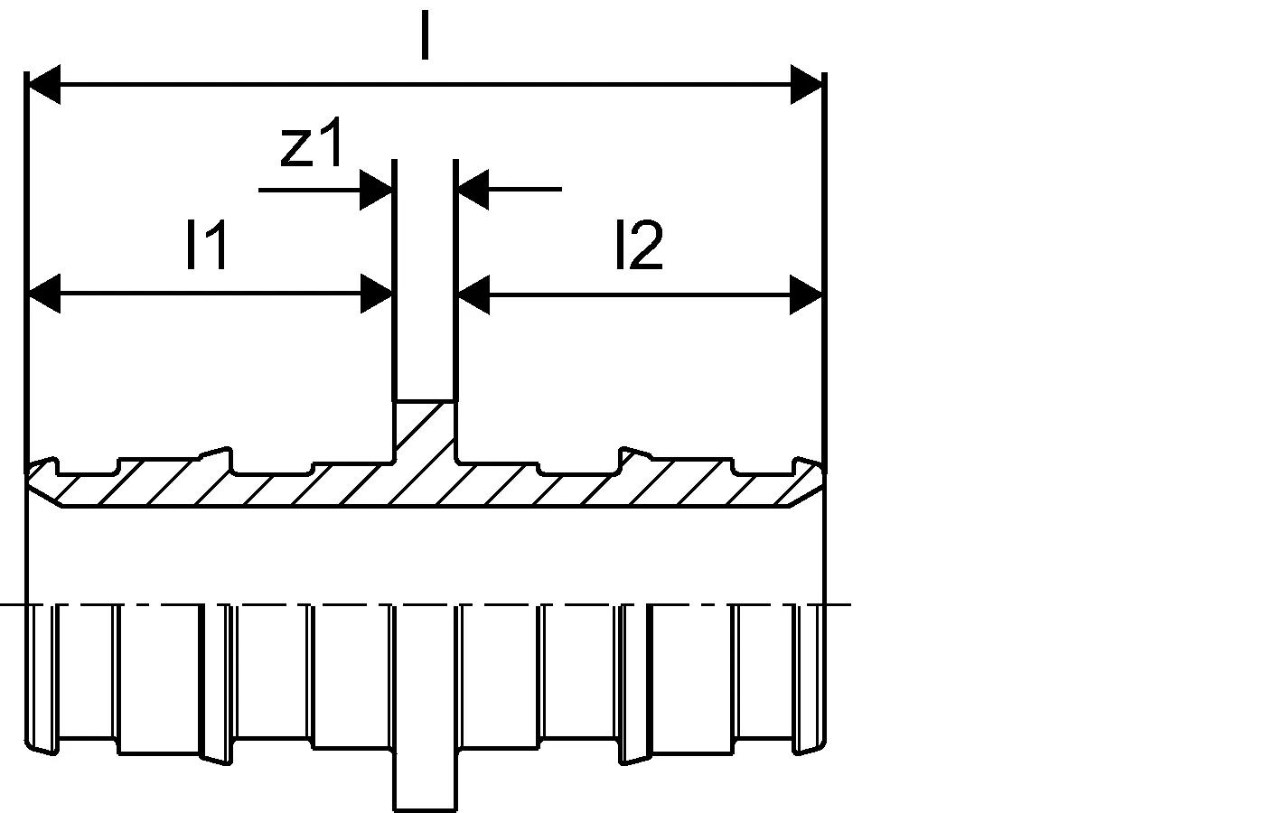
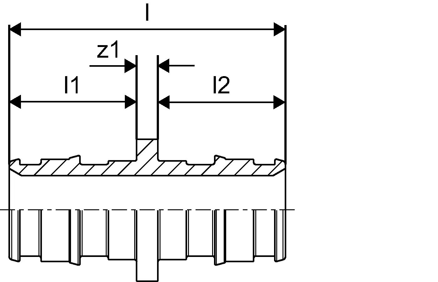
plano
Diseños para etiquetas
Renderizado
.jpg?sitename=Global&ext=.jpg&height=158)