Uponor Central Port interfaz de calor Perfect
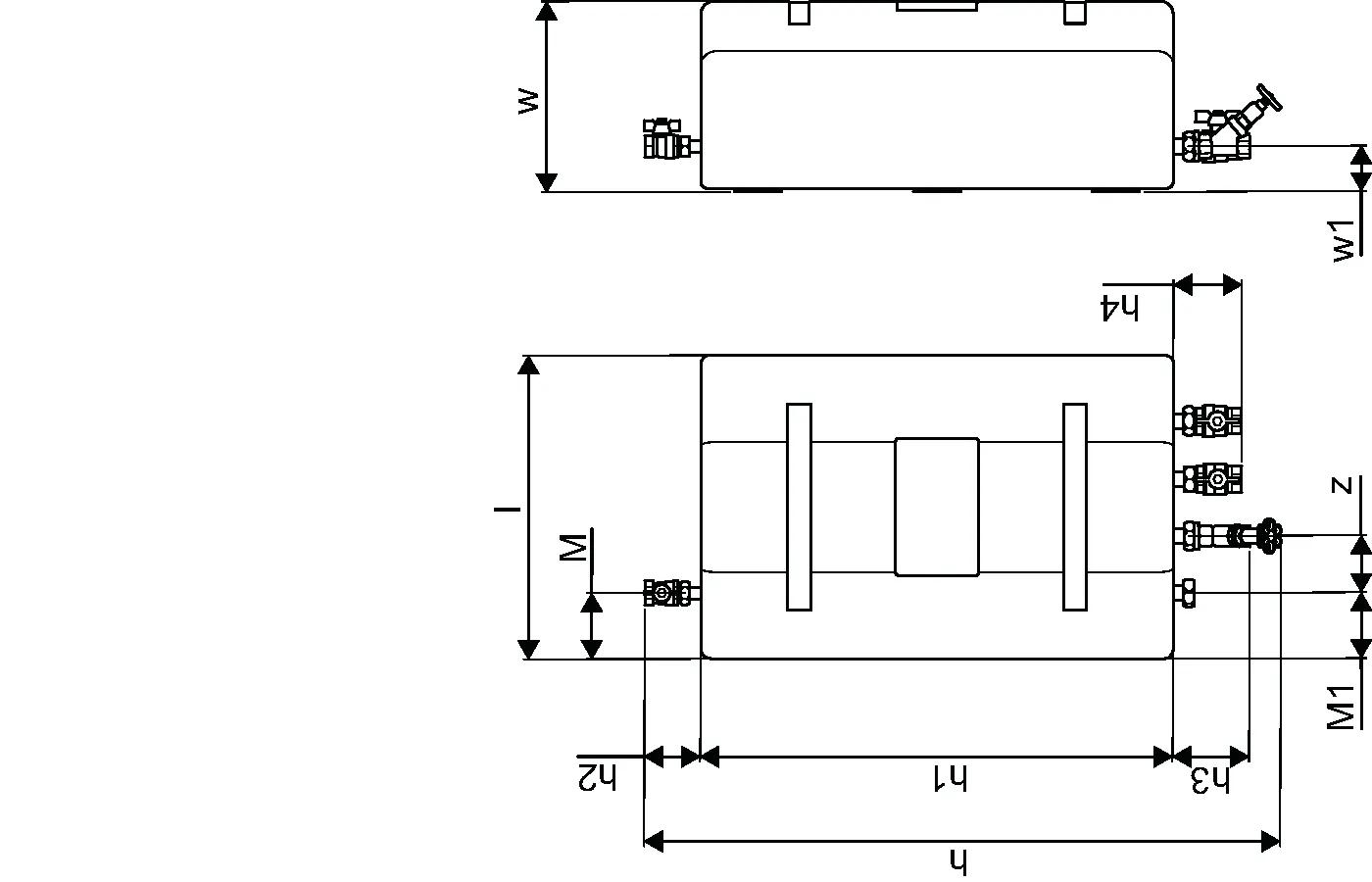
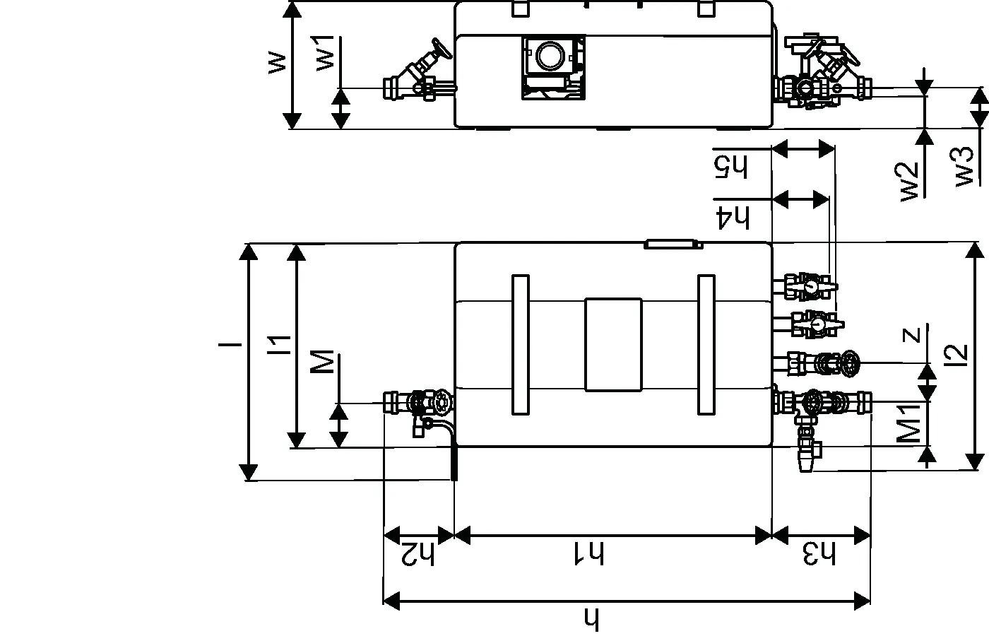
Estación de agua caliente potable para la preparación higiénica de agua caliente sanitaria mediante el principio de flujo continuo. Material:Accesorios aptos para agua potable de acuerdo con las directrices DVGW, UBA y WRASJuntas conformes a VDI 2200, DVGW, FDA, GL, CE 1935/2004, VP 401, W270 y WRAS; agua potable conforme a la directriz sobre elastómeros ("KTW")Aplicaciones sanitarias: CW617NCalefacción: CW617N, CW614NAislamiento térmico de EPPPlacas del intercambiador de calor de 1.4404 y soldadura de VacInoxTuberías de 1.4401Datos técnicos:Presión operativa máxima: 10 barConexión de alimentación: 230 V/50 HzConexiones para flujo de agua de calefacción, retorno de agua de calefacción y agua caliente: válvula de bola DN 20Conexión de agua fría con tuerca de unión de 1"Dimensiones (anchura × altura × profundidad): 450 × 700 × 283 mmUnidad base:Unidad de control gestionada por microprocesador para el control regulado por potencia de una bomba de alto rendimiento capaz de bombear el agua de calefacción desde un depósito de inercia según las necesidadesAjuste de la temperatura del agua caliente mediante panel de control de 3 botonesFunciones de control integradas para el funcionamiento de la bomba de recirculación y de la función de mantener caliente del intercambiador de calorEl control garantiza una temperatura estable del agua caliente incluso con temperaturas de flujo variablesBomba de calefacción Wilo Yonos Para RS 15/7.5 o equivalenteBomba de recirculación Laing ECO B-PWMTensión operativa: (1) 230 V CA/50 HzFusible: T 2 A/250 VTensión operativa/de control de salida de la bombaTensión operativa: 230 V CA/50 W (máx.)Tensión de control: 10 V, PWMTemperatura ambiente: de –10 °C a 40 °C (máx.)Conexión de interfaz:Para la transferencia de datos de la unidad base al PC u ordenador portátil, una interfaz serie con toma D-Sub de 9 pines (con cable de datos RS232NTLS) o una conexión USB (con cable de datos RS232NTLS-USB).Códigos de dimensionamiento:- 25, 45, 60: capacidad de toma de agua caliente- ZM: circulación de agua caliente sanitaria con bomba de alto rendimiento, completamente instalada y cableada. Premontaje en fábrica.
Detalle del producto
Uponor Central Port interfaz de calor Perfect 25 ZM
Uponor Central Port interfaz de calor Perfect 45 ZM
Más información
Especificación
- DN25 a DN40.- PN10.- Puerto completamente ensamblado y probado en presión.- Los límites técnicos de uso en calefacción y fontanería se indican en las fichas técnicas.- Especificación detallada dada en el texto relacionado de cada grupo.
Aplicación
- Generación centralizada de agua caliente sanitaria instantánea (hasta 180 l/min).- Sistemas de suministro de calefacción por suelo radiante y radiadores (hasta 15 m3/h).- Sistemas de bomba de calor.- Aplicaciones de modernización de calderas de gas para proyectos de renovación.- Sistemas de 3 tuberías con 2 líneas de suministro de calefacción primaria separadas y 1 línea de retorno combinada.- Sistemas de 4 tuberías con 2 líneas de suministro de calefacción primaria separadas y 2 líneas de retorno.
Imágenes de producto
plano
Renderizado
Diseños para etiquetas
.jpg?sitename=Global&ext=.jpg&height=158)