Toote valik
1085944 / - / -
Uponor Vario M kollektor vooluh reg FM 2xG3/4 Euro
1085945 / - / -
Uponor Vario M kollektor vooluh reg FM 3xG3/4 Euro
1085946 / - / -
Uponor Vario M kollektor vooluh reg FM 4xG3/4 Euro
1085947 / - / -
Uponor Vario M kollektor vooluh reg FM 5xG3/4 Euro
1085948 / - / -
Uponor Vario M kollektor vooluh reg FM 6xG3/4 Euro
1085949 / - / -
Uponor Vario M kollektor vooluh reg FM 7xG3/4 Euro
1085950 / - / -
Uponor Vario M kollektor vooluh reg FM 8xG3/4 Euro
1085951 / - / -
Uponor Vario M kollektor vooluh reg FM 9xG3/4 Euro
1085952 / - / -
Uponor Vario M kollektor vooluh reg FM 10xG3/4 Euro
1086250 / - / -
Uponor Vario M kollektor vooluh reg FM 11xG3/4 Euro
Dokumendid
Tehniline juhend
Kirjeldus
Specification
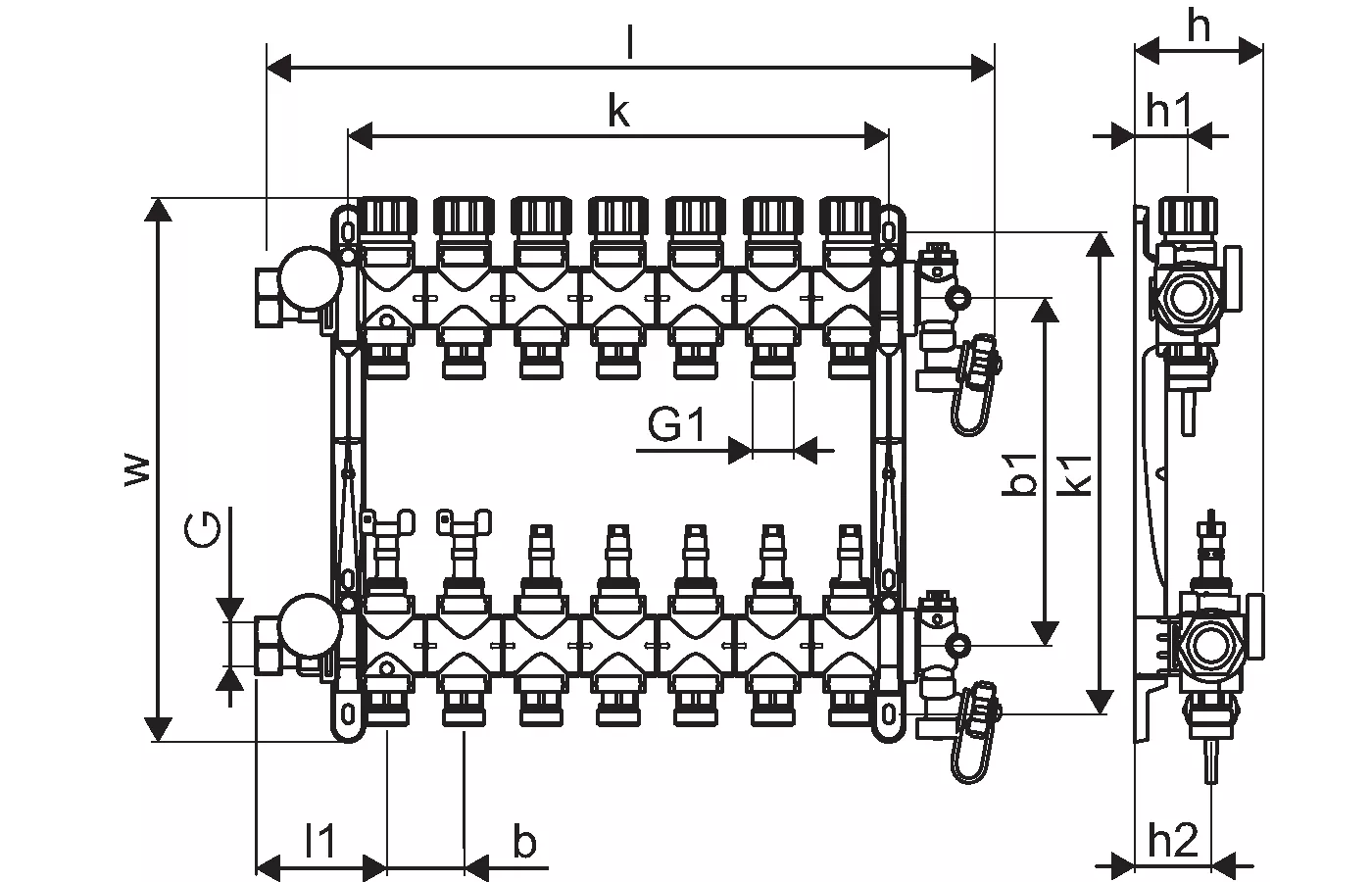
- Lattkollektor- Integreeritud ventiilidega- Parem- või vasakpoolse ühendusega 1" (lametihend)- Pealevoolul vooluhulga regulaatorid tasakaalustamiseks ja sulgemiseks- Tagasivoolul korkidega varustatud ventiil- Õhueraldus-, täite- ja tühjendusventiilid- Küttekontuuri ühendus: G3/4" eurokoonus- Väljundite samm: 50 mm- Materjal: klaasfiibriga armeeritud polüamiid
Kasutusala
- Põrandküttele ja -jahutusele - Max. rõhk: 6 bar, 60°C
Toote joonised
Z-mõõtmejoonised
Kleebised lattu
Tootefotod
350 B
Download document350 B
Download document350 B
Download document350 B
Download document350 B
Download document350 B
Download document350 B
Download document350 B
Download document350 B
Download document350 B
Download document350 B
Download document139 B
Download document139 B
Download document139 B
Download document139 B
Download document139 B
Download document139 B
Download document139 B
Download document139 B
Download document139 B
Download document139 B
Download document139 B
Download document.jpg?sitename=Global&ext=.jpg&height=158)