Täitke BIM ostukorvi tootekataloogist
Meie klienditeeninduse e-maili aadress on muutunud klienditeenindus.ee@georgfischer.com - meie KONTAKTID

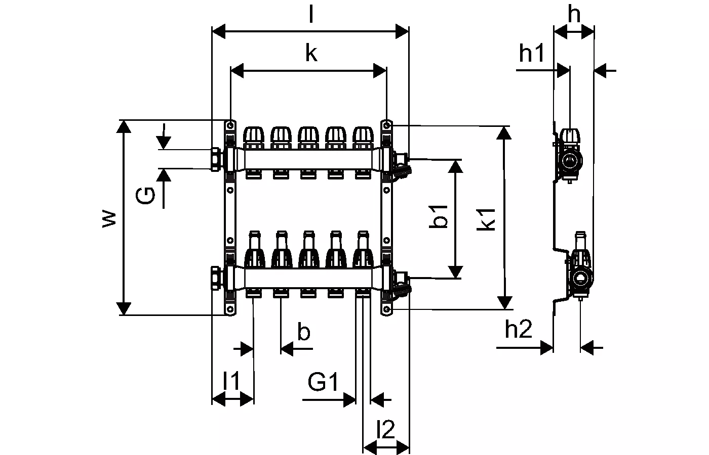
Uponor Vario S kollektor FM

- Pealevool koos vooluhulgaregulaatoritega tasakaalustamiseks ja kontuuri sulgemiseks
- Tagasivool koos klappide ja plastkorkidega

Uponor Vario S kollektor FM

Toote valik

Uponor Vario S kollektor FM 2xG3/4 Euro - G1
Uponor Vario S kollektor FM 3xG3/4 Euro - G1
Uponor Vario S kollektor FM 4xG3/4 Euro - G1
Uponor Vario S kollektor FM 5xG3/4 Euro - G1
Uponor Vario S kollektor FM 6xG3/4 Euro - G1
Uponor Vario S kollektor FM 7xG3/4 Euro - G1
Uponor Vario S kollektor FM 8xG3/4 Euro - G1
Uponor Vario S kollektor FM 9xG3/4 Euro - G1
Uponor Vario S kollektor FM 10xG3/4 Euro - G1
Uponor Vario S kollektor FM 11xG3/4 Euro - G1
Uponor Vario S kollektor FM 12xG3/4 Euro - G1

Dokumendid

Paigaldusjuhend
973 B1143222

Paigaldusjuhend Vario S manifold FM (1143222)

Kirjeldus

Specification

- Roostevabast terasest
- Sisse-ehitatud klappidega
- Vasak või parempoolne ühendus
- Vooluhulgamõõtjaga taskaalustamiseks või sulgemiseks
- Õhutajad ja täite-, tühjendusotsad
- Toruühendused G3/4" eurokoonus
- Torude vahekaugus 50 mm
- Kandurite vahekaugus 210 mm

Kasutusala

- Seina ja lae kiirgusküte ja jahutus

Toote joonised

1140833_ZMD
1140833
188 B
1140834_ZMD
1140834
188 B
1140835_ZMD
1140835
188 B
1140836_ZMD
1140836
188 B
1140837_ZMD
1140837
188 B
1140838_ZMD
1140838
188 B
1140839_ZMD
1140839
188 B
1140840_ZMD
1140840
188 B
1140841_ZMD
1140841
188 B
1140842_ZMD
1140842
188 B
1140843_ZMD
1140843
188 B
1140833_REN
1140833
48 B
1140834_REN
1140834
49 B
1140835_REN
1140835
58 B
1140836_REN
1140836
65 B
1140837_REN
1140837
74 B
1140838_REN
1140838
74 B
1140839_REN
1140839
80 B
1140840_REN
1140840
91 B
1140841_REN
1140841
86 B
1140842_REN
1140842
93 B
1140843_REN
1140843
99 B
1140833_LAB
1140833
92 B
1140834_LAB
1140834
106 B
1140835_LAB
1140835
118 B
1140836_LAB
1140836
129 B
1140837_LAB
1140837
137 B
1140838_LAB
1140838
160 B
1140839_LAB
1140839
153 B
1140840_LAB
1140840
148 B
1140841_LAB
1140841
142 B
1140842_LAB
1140842
138 B
1140843_LAB
1140843
132 B