Täitke BIM ostukorvi tootekataloogist
Meie klienditeeninduse e-maili aadress on muutunud klienditeenindus.ee@georgfischer.com - meie KONTAKTID

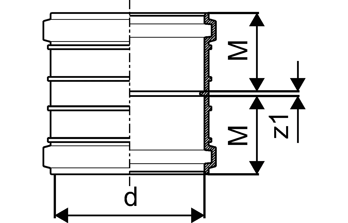
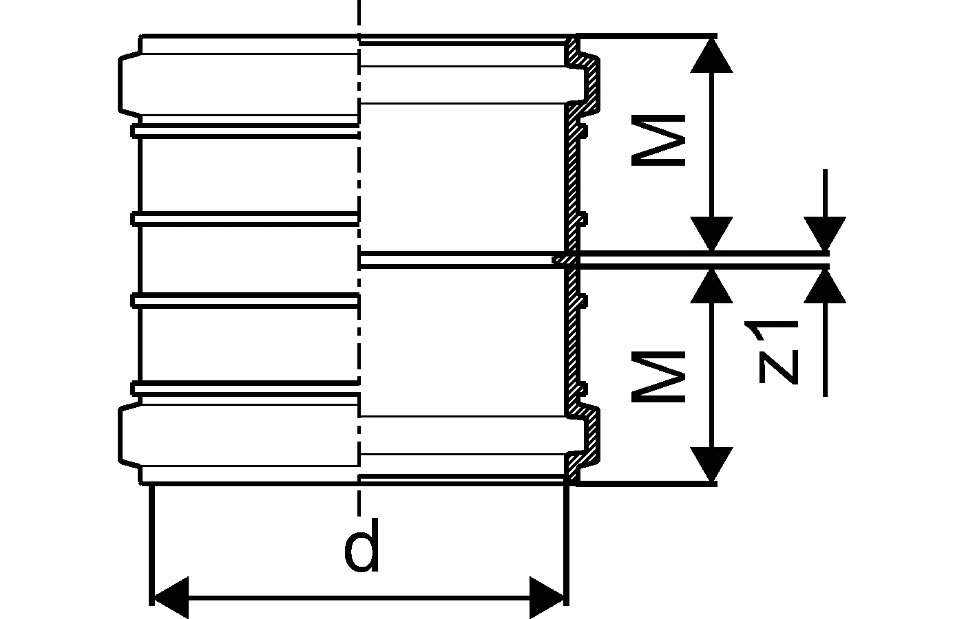
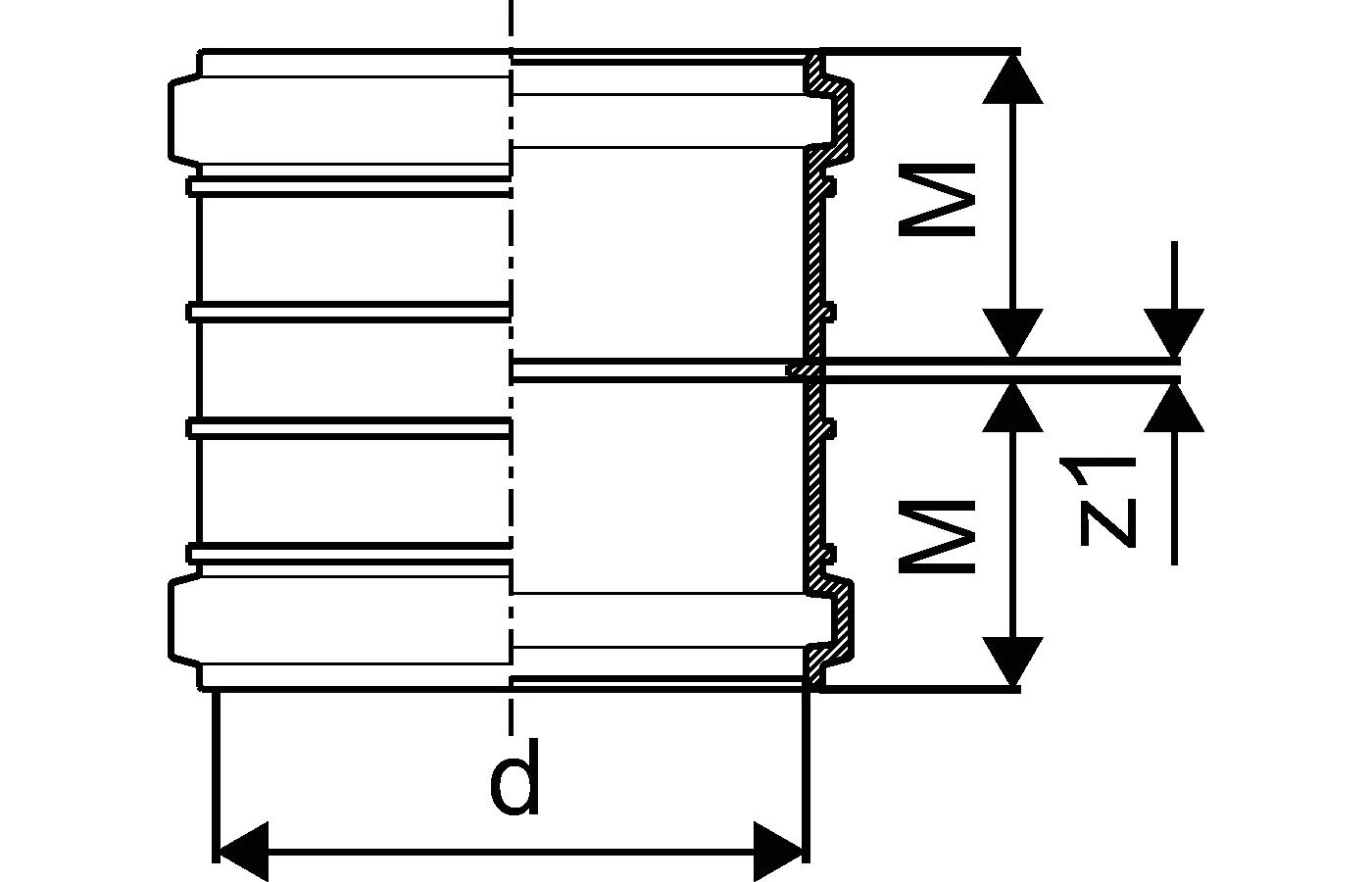
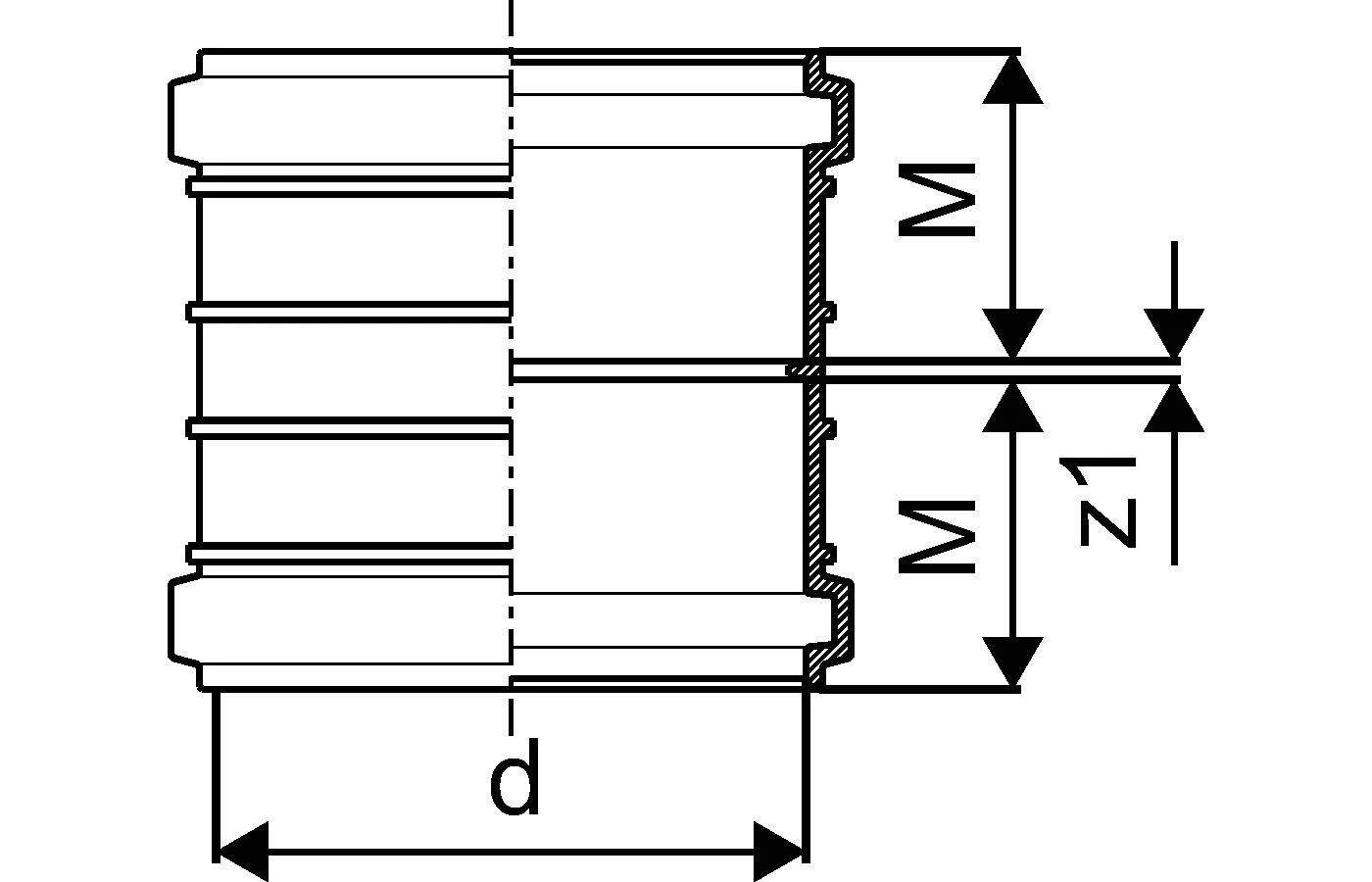
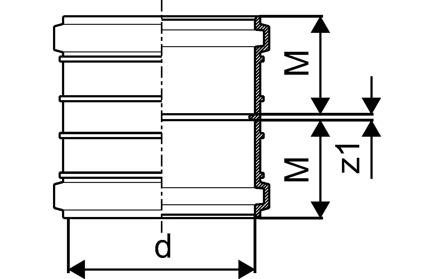
Kaksikmuhvid

Kaksikmuhvid

Toote valik

1000226 / - / -

DECIBEL KAKSIKMUHV 50

DECIBEL KAKSIKMUHV 50
1000227 / - / -

DECIBEL KAKSIKMUHV 75

DECIBEL KAKSIKMUHV 75
1087222 / - / -

DECIBEL KAKSIKMUHV 160

DECIBEL KAKSIKMUHV 160

Dokumendid

Vastavusdeklaratsioon
135 B0000089915

RISE certificate SC0091-16 (Estonian)

Vastavusdeklaratsioon
143 B0000087496

RISE certificate SC0091-16 (EN)

Toote joonised

1000226_ZMD
1000226
146 B
1000227_ZMD
1000227
146 B
1087222_ZMD
1087222
146 B
1000226_LAB
1000226
135 B
1000227_LAB
1000227
135 B
1087222_LAB
1087222
135 B
1000226_REN
1000226
71 B
1000226_REN
1000226
71 B
1000227_REN
1000227
70 B
1087222_REN
1087222
107 B