Täytä BIM-ostoskori tuoteluettelosta

KIINTEISTÖVIEMÄRÖINTI HAARAYHDE 110/110X45 HARMAA

KIINTEISTÖVIEMÄRÖINTI HAARAYHDE 110/110X45 HARMAA
Osan numero1053730

Tuotetiedot

Tekniset tiedot

LVI nro2450048
Mittayksikkökpl
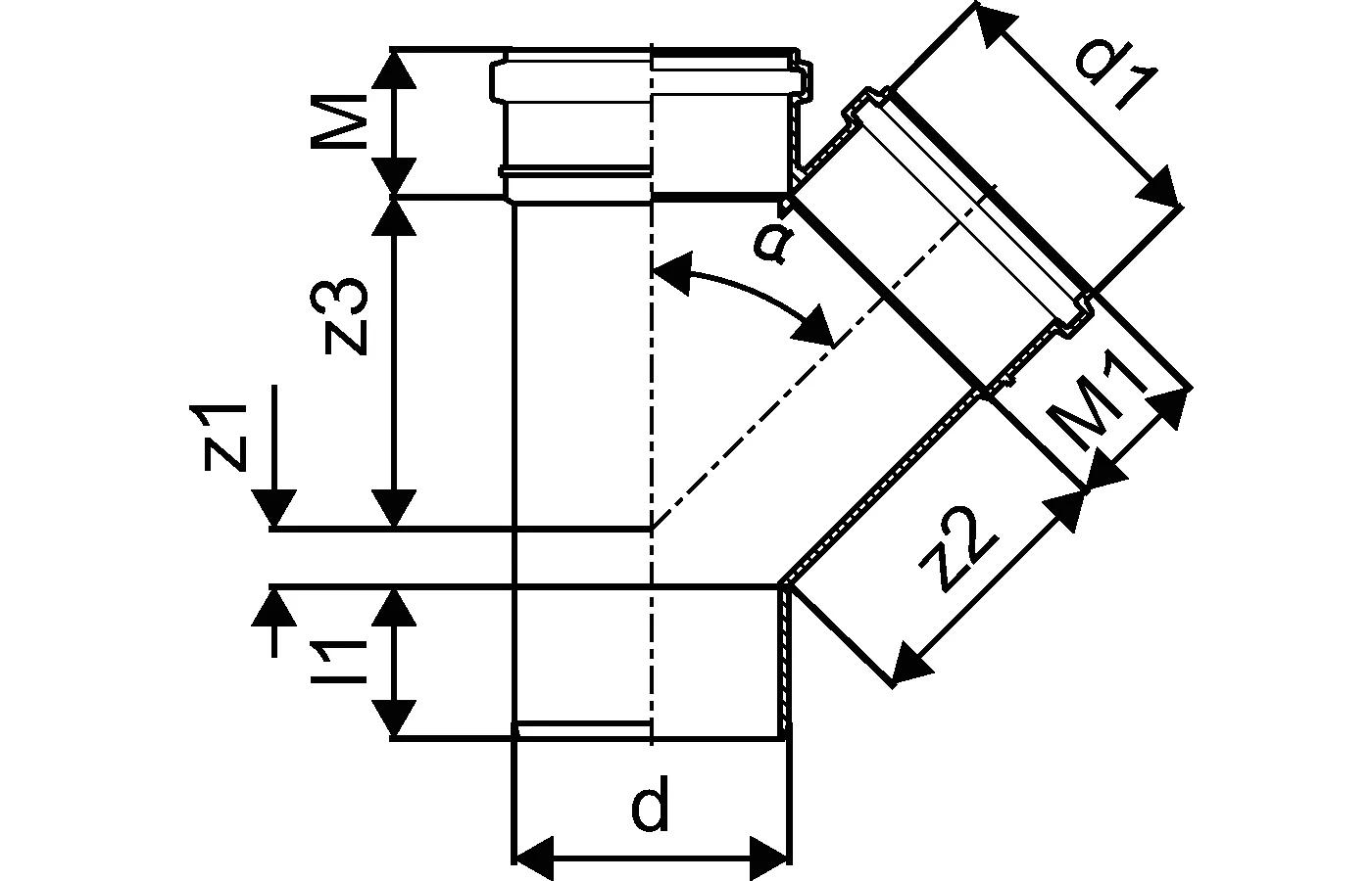
Z-mitta ALPHA45 °
Z-mitta d110 mm
Z-mitta d1110 mm
Z-mitta M59 mm
Z-mitta M159 mm
z113 mm
z2133 mm
z3133 mm
Paino0,44 kg
Leveys128 mm
Korkeus277 mm

Dokumentit

Manuals
5 KB0000123005

Kiinteistöviemäröinti: suunnittelu- ja asennusohje Uponor Decibel- ja HTP-kiinteistöviemärijärjestelmille (FI)

2D Customer Drawings
1 KB0000090247

Type drawing. HTP haarayhde 45 astetta

Hyväksynnät
1 KB0000087401

Environmental Product Declaration (TEPPFA). This EPD includes generic industry average values, it is not explicit for Uponor. Uponor provides a verified company specific EPD when it is available.

Environmental Product Declaration (EPD)
1 KB0000092809

Environmental Product Declaration (TEPPFA). This EPD includes generic industry average values, it is not explicit for Uponor. Uponor provides a verified company specific EPD when it is available.