Täytä BIM-ostoskori tuoteluettelosta
Asiakaspalvelun sähköpostiosoite on muuttunut - Yhteystiedot

Uponor Vario jakotukkikaappi OW 550x850x108mm

Uponor Vario jakotukkikaappi OW 550x850x108mm
Osan numero1093573

Tuotetiedot

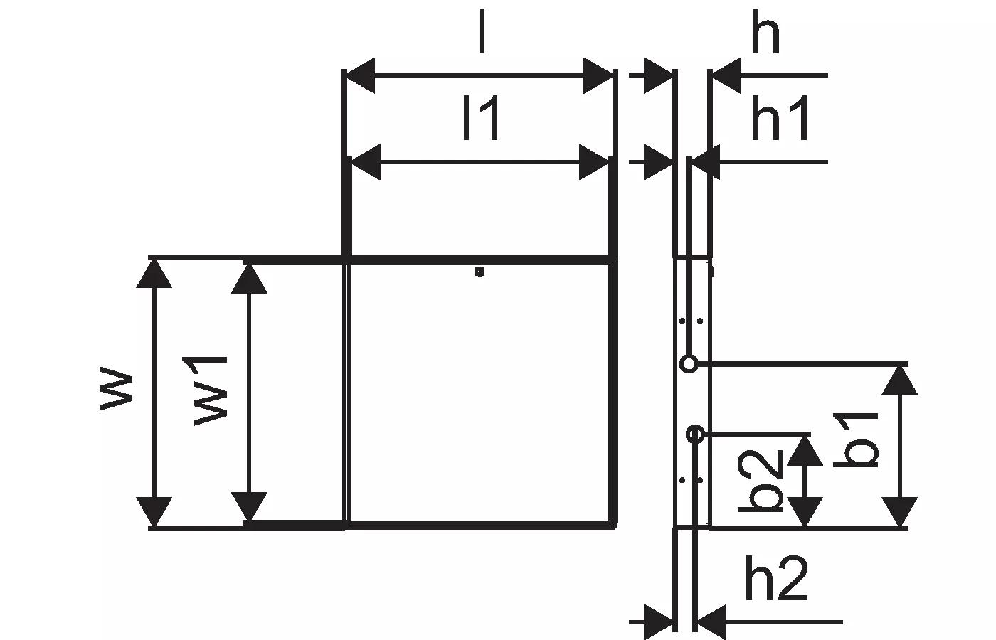
Mitat

Item_UOMkpl
Tuote Yksikköpaino13,7
Tuote Yksikön pituus550
Tuote Yksikön leveys850
Tuote Yksikön korkeus108

Measurements

LENGTH_L550
Z Mittaus h143
Z Mittaus h108
Z Mittaus w1818
Z Mittaus b1515
Z Mittaus h263
Z Mittaus b2294
Z Mittaus w850

Packaging

Pakkausmäärä PL11
Pakkaus GTIN PL106414905296392
Pakkauksen pituus PL1575
Pakkaustilavuus PL10,05819
Pakkauksen leveys PL1880
Pakkausmateriaali (lyhyt) PL1PAP
Pakkauskorkeus PL41080
Pakkaustyyppi PL4Pallet
Pakkauksen paino PL4251
Pakkausmäärä PL416
Pakkaus GTIN PL406414905475155
Pakkauksen pituus PL41200
Pakkaustilavuus PL41,14048
Pakkauksen leveys PL4880
Pakkausmateriaali (numero) PL120
Pakkauksen korkeus PL1115
Pakkaustyyppi PL1Base_Box
Pakkauksen paino PL114,3

Product code

Item no RSK2988697
Item no NRF8361147
Item no EAN6414905230396
Item no VVS046231005
Item no LVI2024143
Item no GTIN06414905230396

Product Name

Product Type WindchillBLDE Finished Good

Dokumentit

Asennusohjeet
925 B1094888

Asennusohje Vario cabinets Nordic (1094888)

Asennusohjeet
760 B1094994

Asennusohje Vario cabinet OW (1094994)

Työselitysmallit
1 KB1095069

Tekniset tiedot Vario cabinet (1095069)