Täytä BIM-ostoskori tuoteluettelosta

Uponor S-Press puristus-T-haara sk DR

- Puristusholkki tarkistusikkunalla
- Puristamaton liitin vuotaa painekokeessa
- Värikoodi koon tunnistamiseksi
- Puristusholkkin jälki toimii puristusilmaisimena

Uponor S-Press puristus-T-haara sk DR

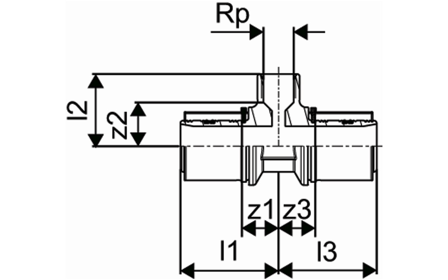
Tuotetiedot

Uponor S-Press puristus-T-haara sk DR 40-Rp3/4"FT-40
Uponor S-Press puristus-T-haara sk DR 50-Rp1"FT-50

Dokumentit

Asennusohjeet
1 KB1239731

Asennusohje UNI PIPE PLUS and S-Press system 14-110 (1239731)

Asennusraportti
116 B1120119

Asennusraportti MLC leak test report TW water (1120119)

Asennusraportti
127 B1120120

Asennusraportti MLC flushing protocol TW water (1120120)

Hyväksynnät
100 B1030840

UPONOR CER MLC SYS MECH EUFI29-22000514-TH FI (1030840)

Environmental Product Declaration (EPD)
899 B1162876

Uponor EPD S-Press (1162876)

Tietoa

Erittely

- Kiinteä puristusholkki tarkistusikkunalla
- Puristamaton liitin vuotaa painekokeessa
- Värikoodi koon tunnistamiseksi
- Puristusholkin jälki toimii puristusilmaisimena

Sovellus

– Vesijohtovesi: Jatkuva käyttölämpötila on 0–70 °C ja jatkuva käyttöpaine enintään 10 baaria. Lyhytaikainen lämmönkesto on 95 °C sadalle tunnille käyttöiän aikana.

– Lämmitys: Jatkuva käyttölämpötila on enintään 80 °C ja jatkuva käyttöpaine enintään 10 baaria. Lyhytaikainen lämmönkesto on 100 °C sadalle tunnille käyttöiän aikana.

– Ellei toisin mainita:
standardin EN 10226-1 mukaiset uros- ja naaraskierteet.

Tuotekuvat

1046961_REN
1046961
399 B
1046961_REN
1046961
108 B
1046961_ZMD
1046961
85 B