Täytä BIM-ostoskori tuoteluettelosta
Asiakaspalvelun sähköpostiosoite on muuttunut - Yhteystiedot

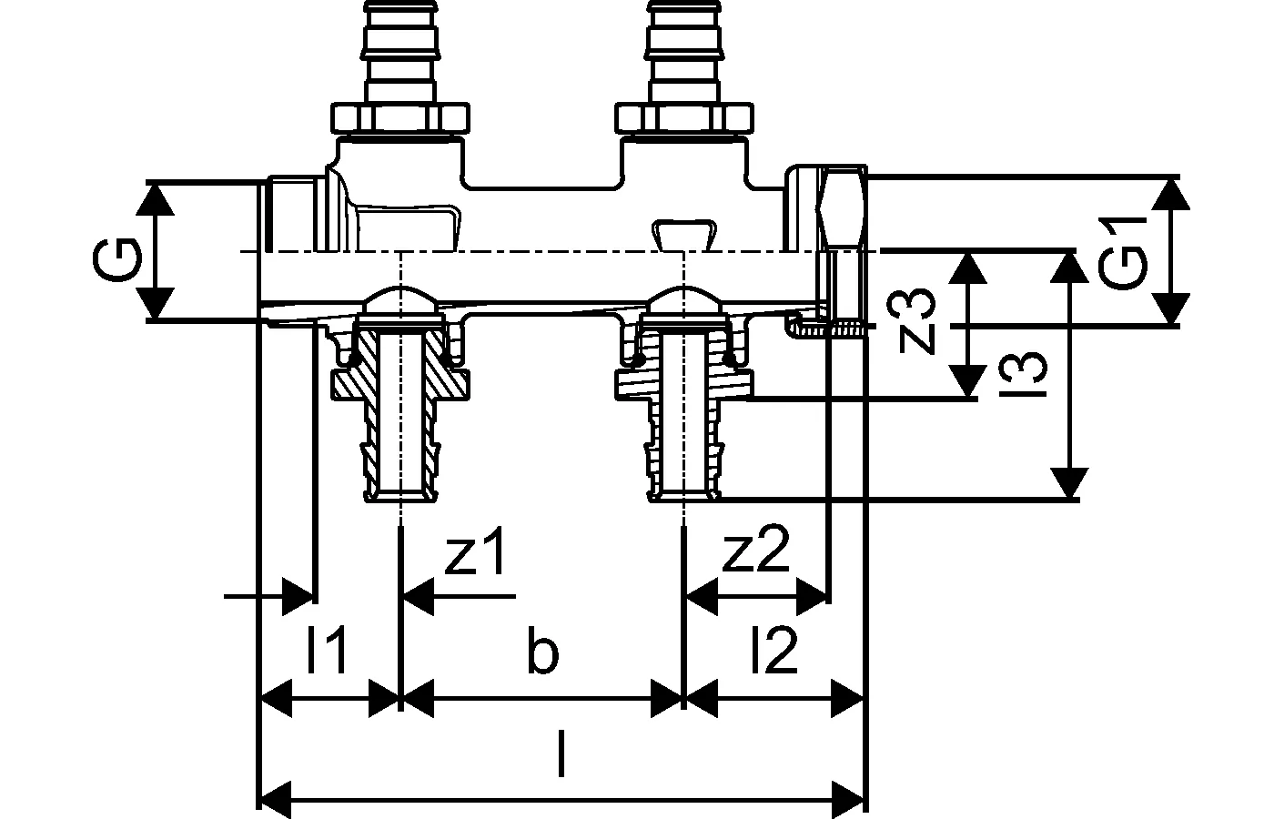
Uponor Aqua PLUS jakotukki Q&E E NKB DR

- Jakotukin rungossa ¾” kierre (uk, sk pyörivä mutteri)

Uponor Aqua PLUS jakotukki Q&E E NKB DR

Tuotetiedot

Uponor Aqua PLUS jakotukki Q&E E NKB DR 3/4"MT/SN 2x2X15 c/c50mm

Dokumentit

Työselitysmallit
1 KB1118689

Tekniset tiedot PE-Xa piping systems (1118689)

Asennusohjeet
1 KB1062301

Asennusohje Uni Pipe PLUS (1062301)

Hyväksynnät
159 B1120397

UPONOR CER AQUA PIPE SYS MECH EUROFINS EUFI29-20001607-TH FI FI (1120397)

Tietoa

Erittely

- Vuototiiviit kaapit, NT VVS 129
- Sekä pinta- että uppoasennus
- Jakotukit 50 mm lähtövälillä
- Sisältää jakotukkikaapin, roiskesuojan ja tarvikepaketin (sisältää jakotukin pidikkeet messinki- ja muovijakotukeille, läpivientiholkin M7 25/28 mm sekä jakotukkikaapin tulppia)
- Ovet ja kehykset (tarvittaessa) pitää tilata erikseen
- RAL 9010
- Jakotukkeja ja osia voidaan käyttää myös ilman kaappeja
- Metalliliittimet ja -jakotukit sinkkikadon kestävää messinkiä
- Muoviliittimet ja -jakotukit PPSU:ta

Sovellus

- Vesitiiviit asennukset mahdollisten vuotovahinkojen ehkäisemiseksi
- Kaiken tyyppisille jakotukkiasennuksille

Tuotekuvat

1026084_LAB
1026084
90 B
1026084_ZMD
1026084
216 B
1026084_REN
1026084
418 B
1026084_REN
1026084
160 B