Täytä BIM-ostoskori tuoteluettelosta
Asiakaspalvelun sähköpostiosoite on muuttunut - Yhteystiedot

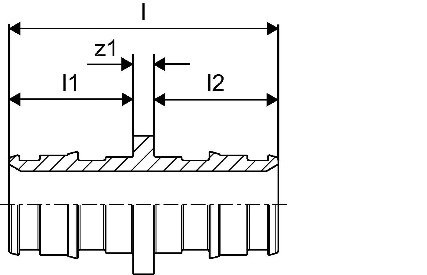
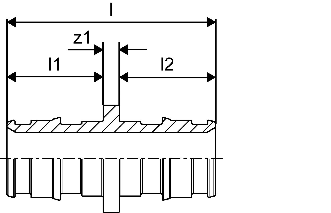
Uponor Q&E jatkoliitin PL

- Jatkoliitin, materiaali DR-messinki

Uponor Q&E jatkoliitin PL

Tuotetiedot

Uponor Q&E jatkoliitin PL 16-16
Uponor Q&E jatkoliitin PL 20-20

Dokumentit

Asennusohjeet
1 KB1121763

Asennusohje Q&E 9,9-50 (1121763)

Työselitysmallit
1 KB1118689

Tekniset tiedot PE-Xa piping systems (1118689)

Tietoa

Erittely

- Q&E liittimet ja renkaat Uponor PEX-putkille
- Metalliliittimet sinkkikadon kestävää messinkiä
- Muoviliittimet PPSU:ta

Sovellus

- Ulko- ja sisäkierteet EN 10226-1 mukaisesti.

Tuotekuvat

1145677_ZMD
1145677
120 B
1145678_ZMD
1145678
120 B
1145677_LAB
1145677
99 B
1145678_LAB
1145678
99 B
1145677_REN
1145677
118 B
1145678_REN
1145678
122 B