Täytä BIM-ostoskori tuoteluettelosta
Asiakaspalvelun sähköpostiosoite on muuttunut - Yhteystiedot

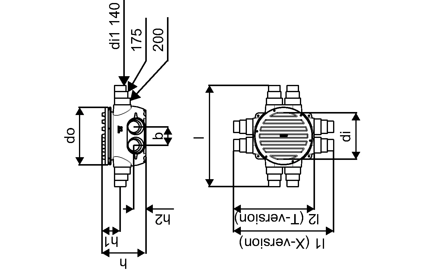
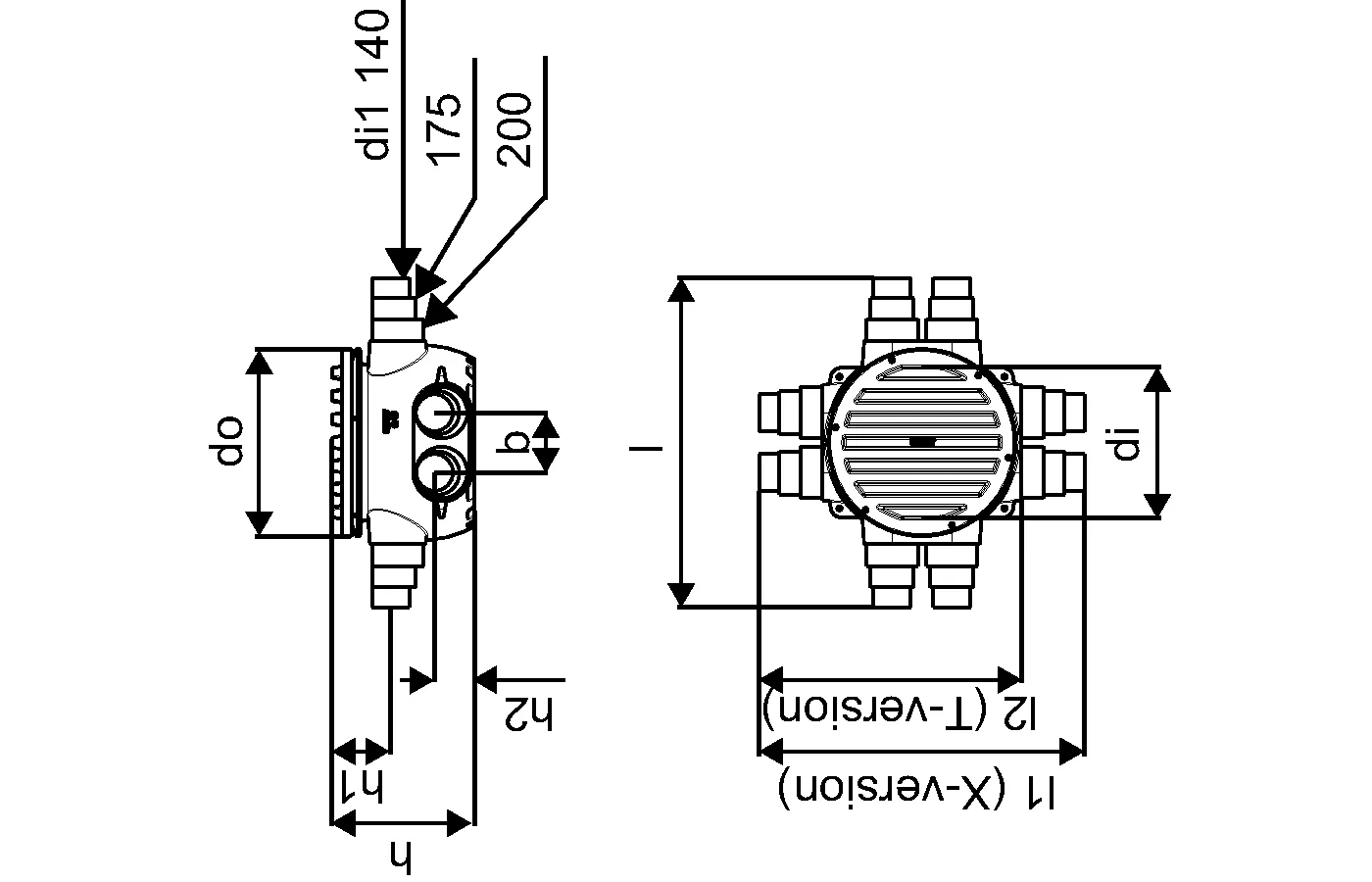
Uponor Ecoflex haaroituskaivo

- Haaroituskaivo Ecoflex putkielementtien haaroittamiseen, T- tai X-kaivo
- Materiaali polyeteeniä, ja se on sisäpuolelta pinnoitettu PE-eristeellä
- Kannen kiinnitys kuudella 12 mm RST-pultilla
- Kaivon sisään jäävien putkien päihin valitaan putkikoon mukaiset päätyhatut

Uponor Ecoflex haaroituskaivo

Tuotetiedot

Uponor Ecoflex haaroituskaivo 6x140/175/200
Uponor Ecoflex haaroituskaivo 8x140/175/200

Dokumentit

Työselitysmallit
10 KB1120217

Tekniset tiedot Ecoflex piping systems (1120217)

Asennusohjeet
601 B1071353

Asennusohje Ecoflex haaroituskaivo (1071353)

Tuotetiedot
681 B1092066

Tuotetiedot Ecoflex heavy traffic load (1092066)

Tietoa

Erittely

- Kaikki osat suunniteltu Ecoflex putkielementeille

Sovellus

- Komponentit Ecoflex-järjestelmien asennukseen

Tuotekuvat

1018326_REN
1018326
105 B
1018327_REN
1018327
272 B
1018327_REN
1018327
105 B
1018326_LAB
1018326
118 B
1018327_LAB
1018327
118 B
1018326_ZMD
1018326
185 B
1018327_ZMD
1018327
185 B