Täytä BIM-ostoskori tuoteluettelosta

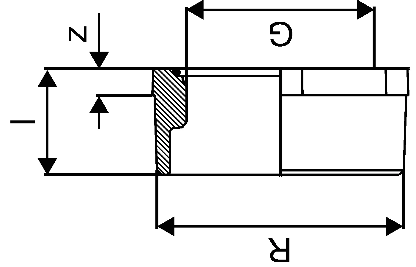
Uponor Ecoflex supistusyhde

- Ulko-/sisäkierrenippa
- Tiivistys hampulla
- Sisältää 1 kpl silikonikumisia o-renkaita

Uponor Ecoflex supistusyhde

Tuotetiedot

Uponor Ecoflex supistusyhde R5-G4

Dokumentit

Työselitysmallit
10 KB1120217

Tekniset tiedot Ecoflex piping systems (1120217)

Asennusraportti
137 B1120219

Asennusraportti Ecoflex pressure test water pipes (1120219)

Asennusraportti
162 B1120218

Asennusraportti Ecoflex pressure test heating (1120218)

Tietoa

Erittely

- Wipex-liittimet sinkkikadon kestävää messinkiä.
- O-rengastiivistys Wipex-liittimien ja Wipex-osien yhdistämisessä.
- Kiristyspultti ruostumatonta terästä, mutteri sinkkikadon kestävää messinkiä.
- Esiavattu kiristyspanta dimensioissa 63-110 mm.

Sovellus

- Lämmitys- ja käyttövesijärjestelmien PEX-putkien liittämiseen

Tuotekuvat

1121639_ZMD
1121639
134 B
1121639_REN
1121639
194 B
1121639_LAB
1121639
171 B