Täytä BIM-ostoskori tuoteluettelosta
Asiakaspalvelun sähköpostiosoite on muuttunut - Yhteystiedot

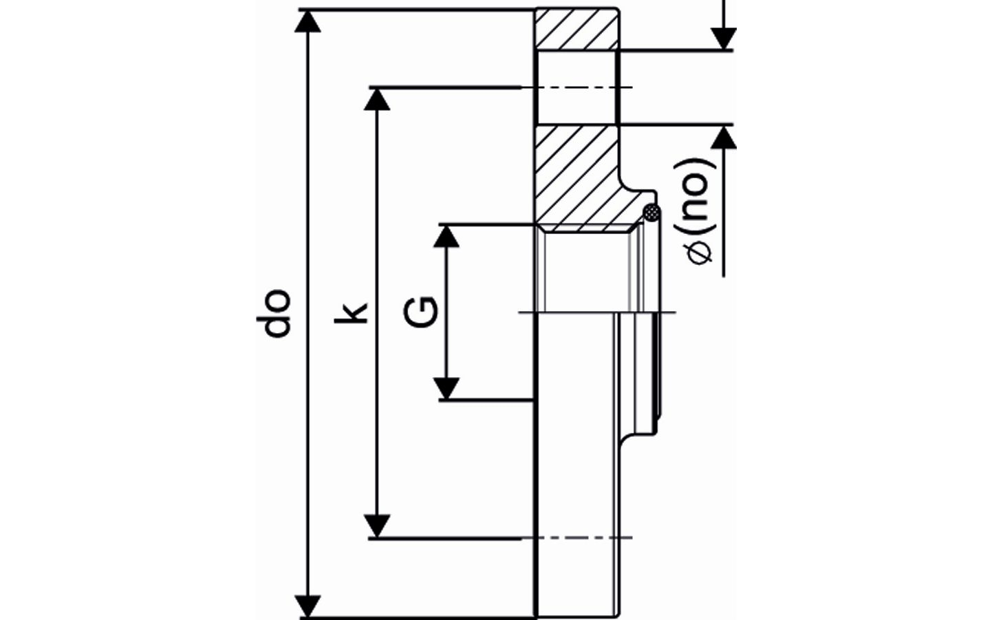
Uponor Wipex laippa

- Sisäkierrelaippa
- Sisältää 1 kpl silikonikumisia o-renkaita

Uponor Wipex laippa

Tuotetiedot

Uponor Wipex laippa F25/4-85/G1
Uponor Wipex laippa F32/4-100/G1 1/4
Uponor Wipex laippa F50/4-125/G2
Uponor Wipex laippa F80/8-160/G3

Dokumentit

Työselitysmallit
10 KB1120217

Tekniset tiedot Ecoflex piping systems (1120217)

Asennusohjeet
1 KB1068123

Asennusohje Wipex kierreosa (1068123)

Asennusraportti
137 B1120219

Asennusraportti Ecoflex pressure test water pipes (1120219)

Hyväksynnät
159 B1120397

UPONOR CER AQUA PIPE SYS MECH EUROFINS EUFI29-20001607-TH FI FI (1120397)

Tietoa

Erittely

- Wipex-liittimet sinkkikadon kestävää messinkiä.
- O-rengastiivistys Wipex-liittimien ja Wipex-osien yhdistämisessä.
- Kiristyspultti ruostumatonta terästä, mutteri sinkkikadon kestävää messinkiä.
- Esiavattu kiristyspanta dimensioissa 63-110 mm.

Sovellus

- Lämmitys- ja käyttövesijärjestelmien PEX-putkien liittämiseen

Tuotekuvat

1018359_REN
1018359
727 B
1018359_REN
1018359
110 B
1018359_ZMD
1018359
69 B