Napunite BIM košaricu iz kataloga proizvoda
Adresa e-pošte naše korisničke službe se promijenila - Pregled

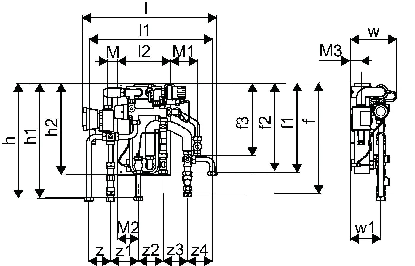
Uponor Combi Port M-XS toplinska podstanica RC

Kompaktna radijatorska verzija (RC) za potrošnu toplu vodu i direktno grijanje s priključkom na radijatorski sustav (bez kruga miješanja)
Skraćenice:
- 12, 15, 17 - oznaka za kapacitet potrošne tople vode (l/min)
- CB - bakreno lemljeni izmjenjivač topline od nehrđajućeg čelika za pripremu potrošne tople vode
- BP - funkcija predgrijavanja polaznih vodova
- TL - termostatski limitator temperature potrošne tople vode sa uronjenim senzorom
- ZV - zonski ventil na povratnom vodu stambenog kruga grijanja bez termopogona
- ZM - cirkulacijski modul za potrošnu toplu vodu sa sigurnosnim ventilom, cirkulacijskom pumpom i regulatorom diferencijalnog tlaka

Uponor Combi Port M-XS toplinska podstanica RC

Detalji o proizvodu

Uponor Combi Port M-XS toplinska podstanica RC 12 CB TL ZV
Uponor Combi Port M-XS toplinska podstanica RC 12 CB BP TL ZV ZM
Uponor Combi Port M-XS toplinska podstanica RC 15 CB TL ZV
Uponor Combi Port M-XS toplinska podstanica RC 15 CB BP TL ZV ZM
Uponor Combi Port M-XS toplinska podstanica RC 15 CB BP DI TL ZV ZM
Uponor Combi Port M-XS Toplinska podstanica RC 12 EX CB TL ZV
Uponor Combi Port M-XS toplinska podstanica RC 12 EX CB TL ZV ZM
Uponor Combi Port M-XS toplinska podstanica RC 17 EX CB TL ZV
Uponor Combi Port M-XS toplinska podstanica RC 17 EX CB TL ZV ZM

Dokumenti

Priručnik za postavljanje i rad
1 KB1143452

Priručnik za postavljanje i rad Combi Port M-XS (1143452)

Brzi vodič
1 KB1143308

Brzi vodič Combi Port M-XS (1143308)

Priručnik za postavljanje i rad
1 KB1143307

IOM Combi Port M-XS EN 1143307 v2

Općenito

Primjena

- Decentralizirana trenutna priprema potrošne tople vode
- Sustavi podnog grijanja
- Radijatorski sustavi grijanja

Certifikat

- DVGW certifikat

Crteži proizvoda

1121005_ZMD
1121005
222 B
1121006_ZMD
1121006
222 B
1121007_ZMD
1121007
234 B
1121008_ZMD
1121008
276 B
1121009_ZMD
1121009
272 B
1137644_ZMD
1137644
294 B
1121005_REN
1121005
265 B
1121005_REN
1121005
98 B
1121006_REN
1121006
89 B
1121007_REN
1121007
360 B
1121007_REN
1121007
113 B
1121008_REN
1121008
113 B
1121009_REN
1121009
383 B
1121009_REN
1121009
123 B
1137643_REN
1137643
168 B
1137644_REN
1137644
204 B
1137645_REN
1137645
188 B
1137646_REN
1137646
193 B
1121005_LAB
1121005
138 B
1121006_LAB
1121006
131 B
1121007_LAB
1121007
153 B
1121008_LAB
1121008
154 B
1121009_LAB
1121009
167 B
1137643_LAB
1137643
133 B
1137644_LAB
1137644
151 B
1137645_LAB
1137645
129 B
1137646_LAB
1137646
151 B