Napunite BIM košaricu iz kataloga proizvoda
Adresa e-pošte naše korisničke službe se promijenila - Pregled

Uponor Smart Aqua prazna kutija za zav. kolj. Q&E UP

Uponor Smart Aqua prazna kutija za zav. kolj. Q&E UP

Detalji o proizvodu

Uponor Smart Aqua prazna kutija za zav. kolj. Q&E UP 25/20, 28/23

Dokumenti

Tehničke informacije
1 KB1119944

Tehničke informacije PE-Xa PIPING SYSTEMS (1119944)

Priručnik za postavljanje
1 KB1121763

Priručnik za postavljanje Q&E 9,9-50 (1121763)

Priručnik za postavljanje
1 KB1062301

Priručnik za postavljanje Uni Pipe PLUS (1062301)

Općenito

Projektanti

- Koljena za priključak na slavinu i
- Q&E prsteni naručuju se odvojeno, ako nije navedeno drugačije

Primjena

- Za vodovodne instalacije
Ako nije drugačije navedeno:
- Vanjski i unutarnji navoji proizvedeni u skladu sa normom EN 10226-1.

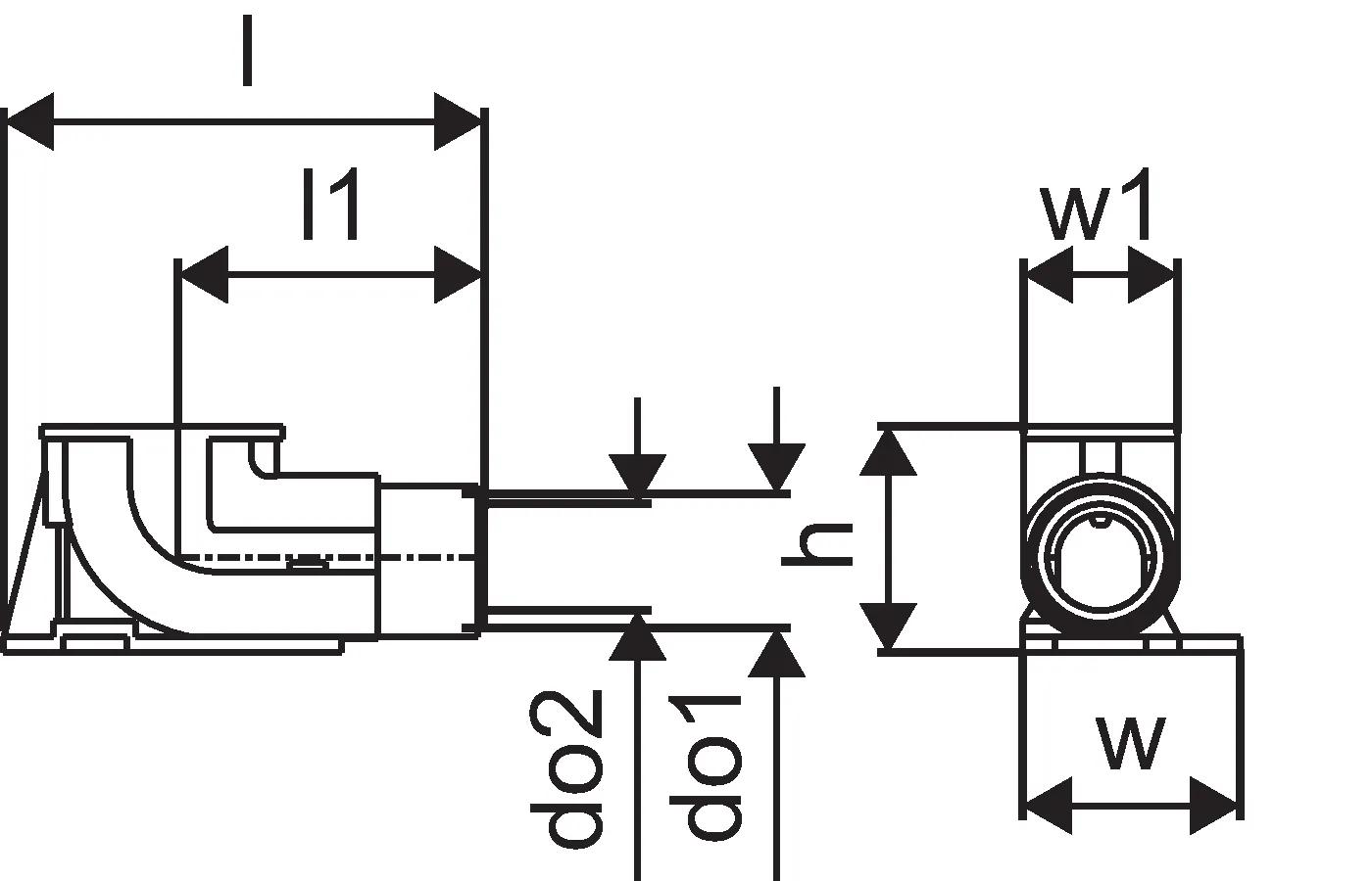
Crteži proizvoda

1008845_ZMD
1008845
167 B
1008845_LAB
1008845
88 B
1008845_PHO
1008845_PHO
379 B
1008845_REN
1008845
71 B
1008845_REN
1008845
877 B