Napunite BIM košaricu iz kataloga proizvoda
Adresa e-pošte naše korisničke službe se promijenila - Pregled

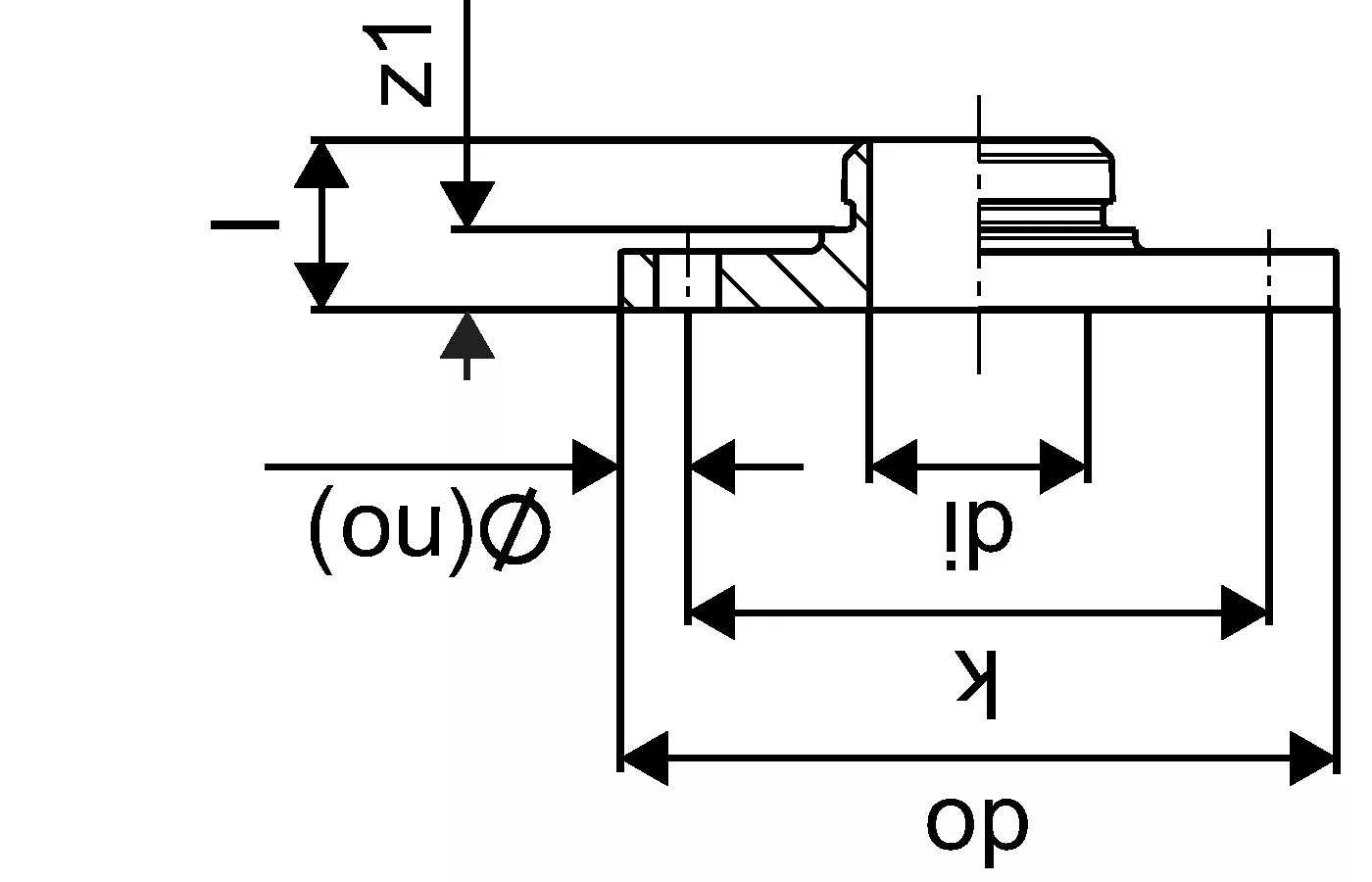
Uponor RS prirubnica

- proizvedeno od mesinga s prevlakom kositra
- prikladno za sve osnovne elemente tipa RS 2 ili RS3
- prirubnica PN6/PN16 u skladu sa EN 1092-3
- po obodu 4/8 rupa

Uponor RS prirubnica

Detalji o proizvodu

Uponor RS prirubnica RS2-DN65 (PN6)
Uponor RS prirubnica RS2-DN65 (PN16)
Uponor RS prirubnica RS3-DN80 (PN16)
Uponor RS prirubnica RS3-DN100 (PN16)

Dokumenti

Priručnik za postavljanje
1 KB1187006

Priručnik za postavljanje PE-Xa (1187006)

Izvješće o postavljanju
111 B1120602

Izvješće o postavljanju MLC leak test report TW water (1120602)

Izvješće o postavljanju
115 B1120608

Izvješće o postavljanju MLC leak test report HC water (1120608)

Certifikat
409 B1013450

UPONOR SAMPLE MLC PIPE WHITE 50X4,5 LENGTH 30CM

Certifikat
409 B1013402

UPONOR SAMPLE MLC PIPE WHITE 32X3 LENGTH 30CM

Općenito

Projektanti

- S fiksnom pres čahurom
- Zaustavni prsten
- Identifikacija dimenzije bojom
- Sigurnost pri tlačnom ispitivanju

Primjena

- Sanitarna voda: Stalna radna temperatura je u rasponu od 0°C do 70°C pri kontinuiranom maksimalnom radnom tlaku od 10 bar. Cijevi se mogu kratkotrajno izložiti temperaturi od 95°C, ali ne više od 100 sati tijekom radnog vijeka.
- Grijanje/hlađenje: Stalna radna temperatura kreće se od 0°C do 80°C, pri kontinuiranom maksimalnom radnom tlaku od 10 bar. Cijevi se mogu kratkotrajno izložiti temperaturi od 100°C, ali ne više od 100 sati tijekom radnog vijeka.
Ako nije drugačije navedeno:
- Vanjski i unutarnji navoji proizvedeni u skladu sa normom EN 10226-1.

Certifikat

- Odobrava lokalni OM, Npr. DVGW, AENOR

Crteži proizvoda

1029129_ZMD
1029129
123 B
1029130_ZMD
1029130
123 B
1059398_ZMD
1059398
124 B
1059399_ZMD
1059399
123 B
1029129_REN
1029129
54 B
1029130_REN
1029130
54 B
1059398_REN
1059398
165 B
1059398_REN
1059398
54 B
1059399_REN
1059399
54 B
1029129_LAB
1029129
97 B
1029130_LAB
1029130
97 B
1059398_LAB
1059398
97 B
1059399_LAB
1059399
97 B