Napunite BIM košaricu iz kataloga proizvoda
Adresa e-pošte naše korisničke službe se promijenila - Pregled

Uponor Smart Aqua zidno koljeno Q&E PL

Uponor Smart Aqua zidno koljeno Q&E PL

Detalji o proizvodu

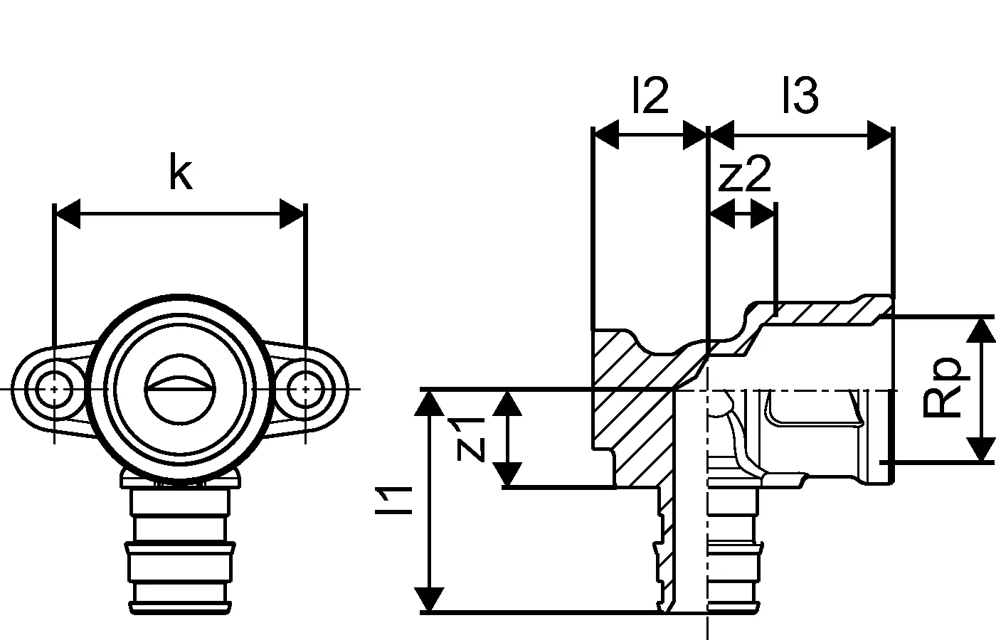
Uponor Smart Aqua zidno koljeno Q&E PL 16-Rp1/2"FT l=43mm

Dokumenti

Tehničke informacije
1 KB1119944

Tehničke informacije PE-Xa PIPING SYSTEMS (1119944)

Priručnik za postavljanje
1 KB1121763

Priručnik za postavljanje Q&E 9,9-50 (1121763)

Priručnik za postavljanje
1 KB1062301

Priručnik za postavljanje Uni Pipe PLUS (1062301)

Općenito

Projektanti

- Koljena za priključak na slavinu i
- Q&E prsteni naručuju se odvojeno, ako nije navedeno drugačije

Primjena

- Za vodovodne instalacije
Ako nije drugačije navedeno:
- Vanjski i unutarnji navoji proizvedeni u skladu sa normom EN 10226-1.

Crteži proizvoda

1023034_LAB
1023034
121 B
1023034_REN
1023034
488 B
1023034_REN
1023034
149 B
1023034_ZMD
1023034
230 B