Napunite BIM košaricu iz kataloga proizvoda
Adresa e-pošte naše korisničke službe se promijenila - Pregled

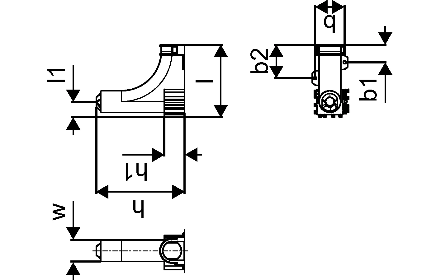
Uponor Smart Radi kutni držač

- od plastike, bijela
- za spoj na radijator iz poda sa PE-Xa i MLC cijevima dimenzije 16 mm
- dijeljivo, za zaštitne cijevi 25/20 mm
- minimalna c/c 40 mm, uključuje udaljenost od 5 mm

Uponor Smart Radi kutni držač

Detalji o proizvodu

Uponor Smart Radi kutni držač 25/20mm

Dokumenti

Tehničke informacije
1 KB1119944

Tehničke informacije PE-Xa PIPING SYSTEMS (1119944)

Priručnik za postavljanje
1 KB1062301

Priručnik za postavljanje Uni Pipe PLUS (1062301)

Općenito

Projektanti

- Fitinzi i dodatni pribor za spoj s radijatorom
- Q&E prsteni naručuju se odvojeno, ako nije navedeno drugačije

Primjena

- Grijanje s visoko i nisko temperaturnim radijatorima

Crteži proizvoda

1009008_LAB
1009008
91 B
1009008_REN
1009008
140 B
1009008_REN
1009008
54 B
1009008_ZMD
1009008
133 B