Napunite BIM košaricu iz kataloga proizvoda

Uponor Smart Aqua zidno koljeno Q&E PL

- mesingana spojnica
- pakiranje u kartonskoj kutiji

Uponor Smart Aqua zidno koljeno Q&E PL

Detalji o proizvodu

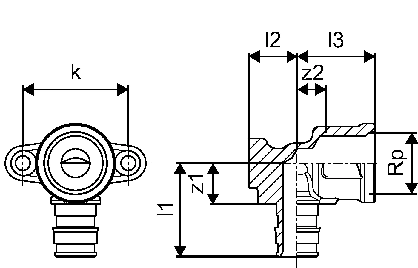
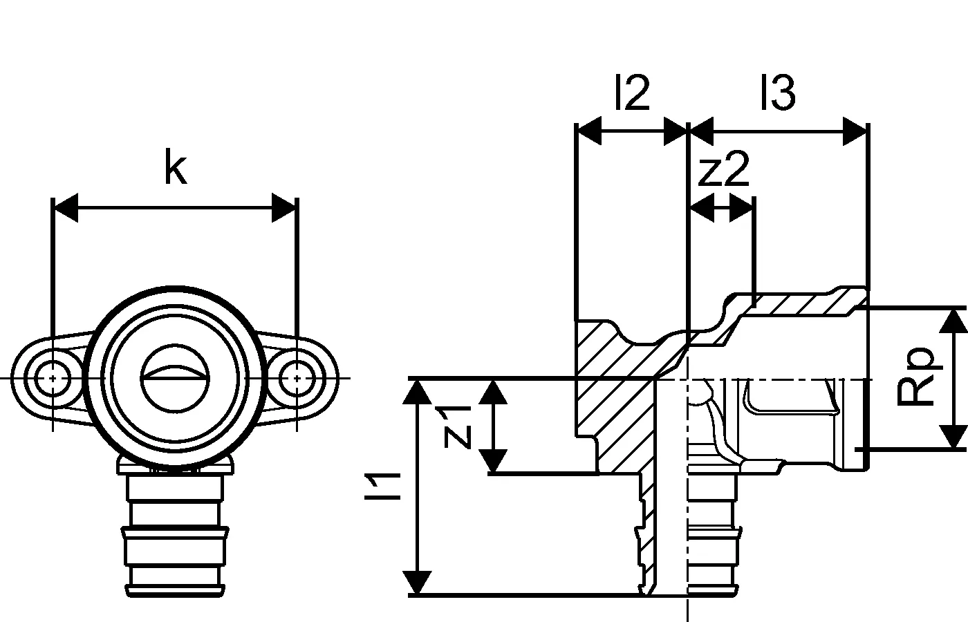
Uponor Smart Aqua zidno koljeno Q&E PL 16-Rp1/2"FT l=43mm
Uponor Smart Aqua zidno koljeno Q&E PL 20-RP1/2"FT L=43MM

Dokumenti

Tehničke informacije
1 KB1119944

Tehničke informacije PE-Xa PIPING SYSTEMS (1119944)

Priručnik za postavljanje
1 KB1121763

Priručnik za postavljanje Q&E 9,9-50 (1121763)

Općenito

Projektanti

- Priključne kutije s koljenima za vodonepropusno spajanje s Uponor PE-Xa cijevima i Uponor krugovima
- vodonepropusne prema NT VVS 129
- metalne spojnice izrađene od visokokvalitetnog DR-mesinga
- plastični elementi izrađeni od polifenilsulfona
- PPM razdjelnici s bajonetnim navojima
- uključeni Q&E prsteni

Primjena

- Vodonepropusne instalacije za sprječavanje oštećenja u slučaju propuštanja
- Sve vrste instalacija u kojima je potrebna vodonepropusna veza između cijevi i zaštitne cijevi

Crteži proizvoda

1145641_LAB
1145641
121 B
1145642_LAB
1145642
121 B
1145641_REN
1145641
149 B
1145642_REN
1145642
125 B
1145641_ZMD
1145641
230 B
1145642_ZMD
1145642
230 B