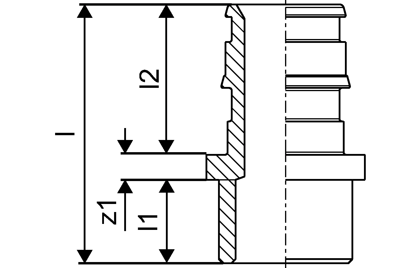
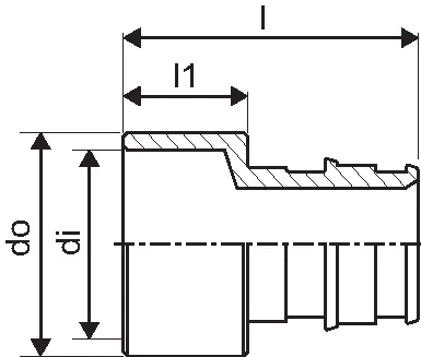
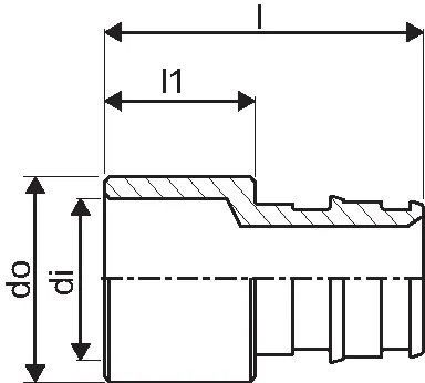
Detalji o proizvodu
1047938 / - / -
Uponor Q&E adapter za lemljenje PL 16-12CU
1023040 / - / -
Uponor Q&E adapter za lemljenje PL 16-15CU
1023041 / - / -
Uponor Q&E adapter za lemljenje PL 20-15CU
1047940 / - / -
Uponor Q&E adapter za lemljenje PL 20-18CU
Općenito
Projektanti
- Q&E Fitinzi i prsteni za Uponor PE-Xa Cijevi- Metalni Fitinzi izrađeni su od visokokvalitetnog mesinga- Plastični Fitinzi izrađeni su od polifenilsulfona- Q&E prsteni naručuju se odvojeno, ako nije drugačije navedeno
Primjena
Ako nije drugačije navedeno:- Vanjski i unutarnji navoji proizvedeni u skladu sa normom EN 10226-1.
.jpg?sitename=Global&ext=.jpg&height=440)
.jpg?sitename=Global&ext=.jpg&height=79)
.jpg?sitename=Global&ext=.jpg&height=158)