Napunite BIM košaricu iz kataloga proizvoda
Adresa e-pošte naše korisničke službe se promijenila - Pregled

Uponor Q&E koljeno s vijčanom spojnicom PPSU

Uponor Q&E koljeno s vijčanom spojnicom PPSU

Detalji o proizvodu

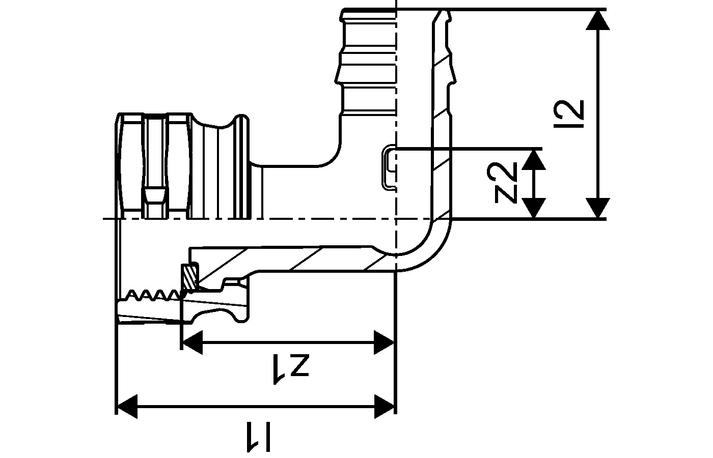
Uponor Q&E koljeno s vijčanom spojnicom PPSU 16-G1/2"SN
Uponor Q&E koljeno s vijčanom spojnicom PPSU 20-G1/2"SN

Dokumenti

Tehničke informacije
1 KB1119944

Tehničke informacije PE-Xa PIPING SYSTEMS (1119944)

Priručnik za postavljanje
1 KB1121763

Priručnik za postavljanje Q&E 9,9-50 (1121763)

Environmental Product Declaration (EPD)
4 KB1160630

Uponor EPD QetE PPSU

Općenito

Projektanti

- Q&E Fitinzi i prsteni za Uponor PE-Xa Cijevi
- Metalni Fitinzi izrađeni su od visokokvalitetnog mesinga
- Plastični Fitinzi izrađeni su od polifenilsulfona
- Q&E prsteni naručuju se odvojeno, ako nije drugačije navedeno

Primjena

Ako nije drugačije navedeno:
- Vanjski i unutarnji navoji proizvedeni u skladu sa normom EN 10226-1.

Crteži proizvoda

1038037_ZMD
1038037
142 B
1038038_ZMD
1038038
142 B
1038037_LAB
1038037
105 B
1038038_LAB
1038038
105 B
1038037_REN
1038037
280 B
1038037_REN
1038037
103 B
1038038_REN
1038038
165 B