Napunite BIM košaricu iz kataloga proizvoda
Adresa e-pošte naše korisničke službe se promijenila - Pregled

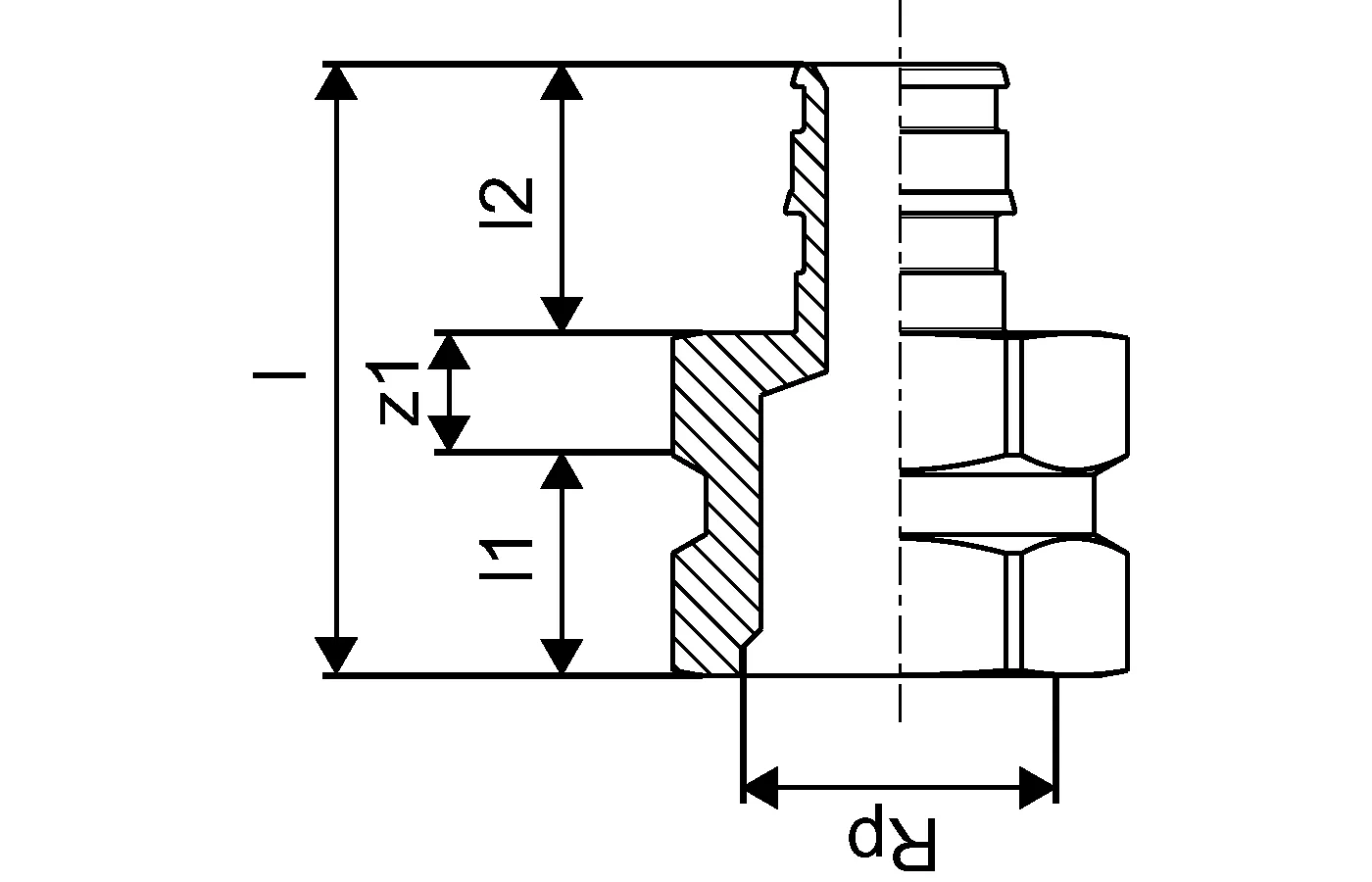
Uponor Q&E priključak s unutarnjim navojem PL

Uponor Q&E priključak s unutarnjim navojem PL

Detalji o proizvodu

Uponor Q&E priključak s unutarnjim navojem PL 25-Rp3/4"FT
Uponor Q&E priključak s unutarnjim navojem PL 25-Rp1"FT

Dokumenti

Tehničke informacije
1 KB1119944

Tehničke informacije PE-Xa PIPING SYSTEMS (1119944)

Priručnik za postavljanje
1 KB1121763

Priručnik za postavljanje Q&E 9,9-50 (1121763)

Općenito

Projektanti

- Q&E Fitinzi i prsteni za Uponor PE-Xa Cijevi
- Metalni Fitinzi izrađeni su od visokokvalitetnog mesinga
- Plastični Fitinzi izrađeni su od polifenilsulfona
- Q&E prsteni naručuju se odvojeno, ako nije drugačije navedeno

Primjena

Ako nije drugačije navedeno:
- Vanjski i unutarnji navoji proizvedeni u skladu sa normom EN 10226-1.

Crteži proizvoda

1023012_ZMD
1023012
138 B
1023013_ZMD
1023013
138 B
1023012_LAB
1023012
97 B
1023013_LAB
1023013
97 B
1023012_REN
1023012
70 B
1023013_REN
1023013
85 B