Napunite BIM košaricu iz kataloga proizvoda
Adresa e-pošte naše korisničke službe se promijenila - Pregled

Uponor Q&E prsten sa zaustavnim rubom natural, eval

- PEX materijal

Uponor Q&E prsten sa zaustavnim rubom natural, eval

Detalji o proizvodu

Uponor Q&E prsten sa zaustavnim rubom natural, eval 16

Dokumenti

Tehničke informacije
1 KB1119944

Tehničke informacije PE-Xa PIPING SYSTEMS (1119944)

Priručnik za postavljanje
1 KB1121763

Priručnik za postavljanje Q&E 9,9-50 (1121763)

Općenito

Projektanti

- Q&E Fitinzi i prsteni za Uponor PE-Xa Cijevi
- Metalni Fitinzi izrađeni su od visokokvalitetnog mesinga
- Plastični Fitinzi izrađeni su od polifenilsulfona
- Q&E prsteni naručuju se odvojeno, ako nije drugačije navedeno

Primjena

Ako nije drugačije navedeno:
- Vanjski i unutarnji navoji proizvedeni u skladu sa normom EN 10226-1.

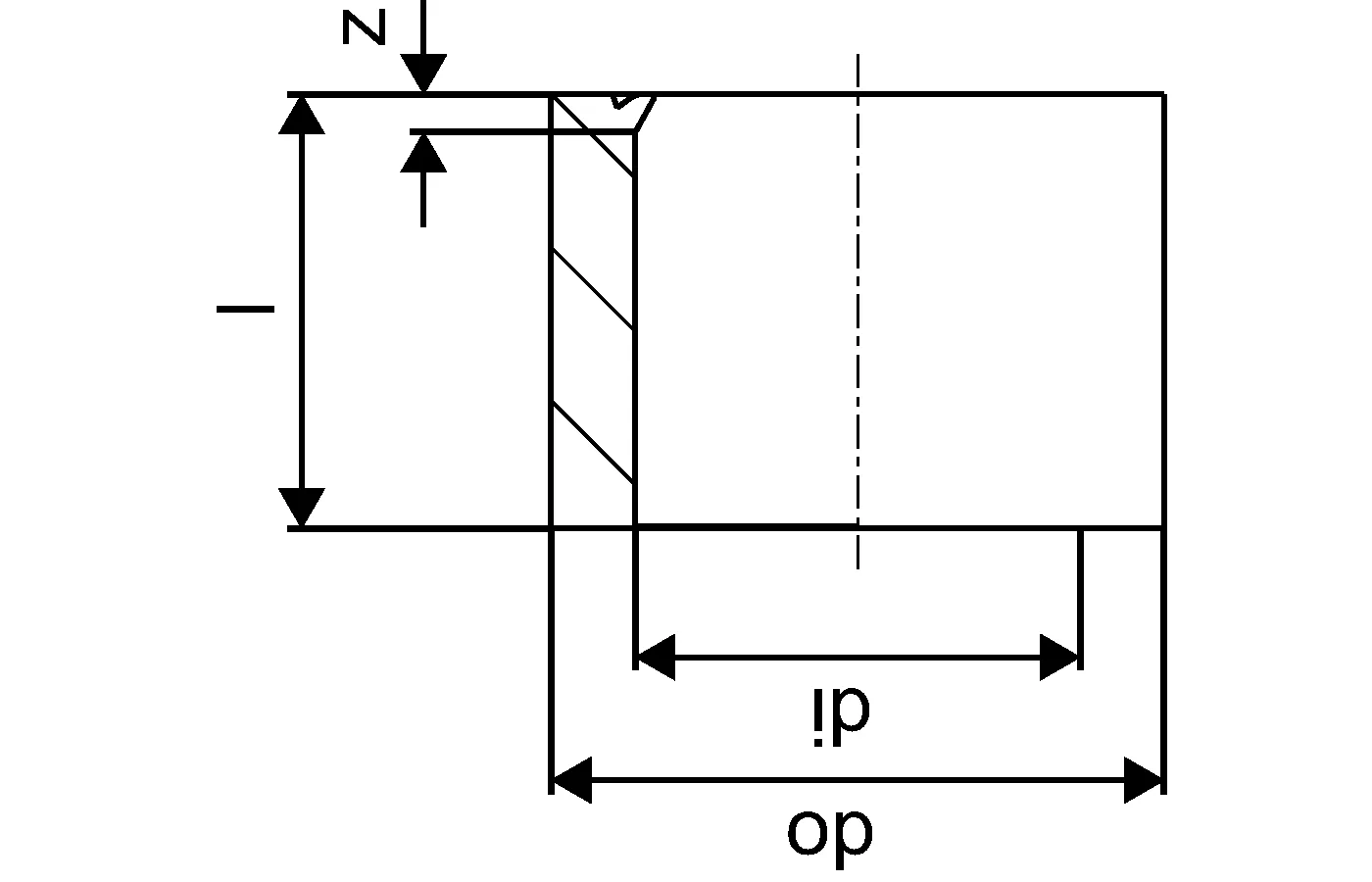
Crteži proizvoda

1042389_REN
1042389
32 B
1042389_REN
1042389
41 B
1042389_LAB
1042389
77 B
1042389_ZMD
1042389
81 B