Napunite BIM košaricu iz kataloga proizvoda
Adresa e-pošte naše korisničke službe se promijenila - Pregled

Uponor Q&E T-komad s unutarnjim navojem PL

- mesingana spojnica
- pakiranje u kartonskoj kutiji

Uponor Q&E T-komad s unutarnjim navojem PL

Detalji o proizvodu

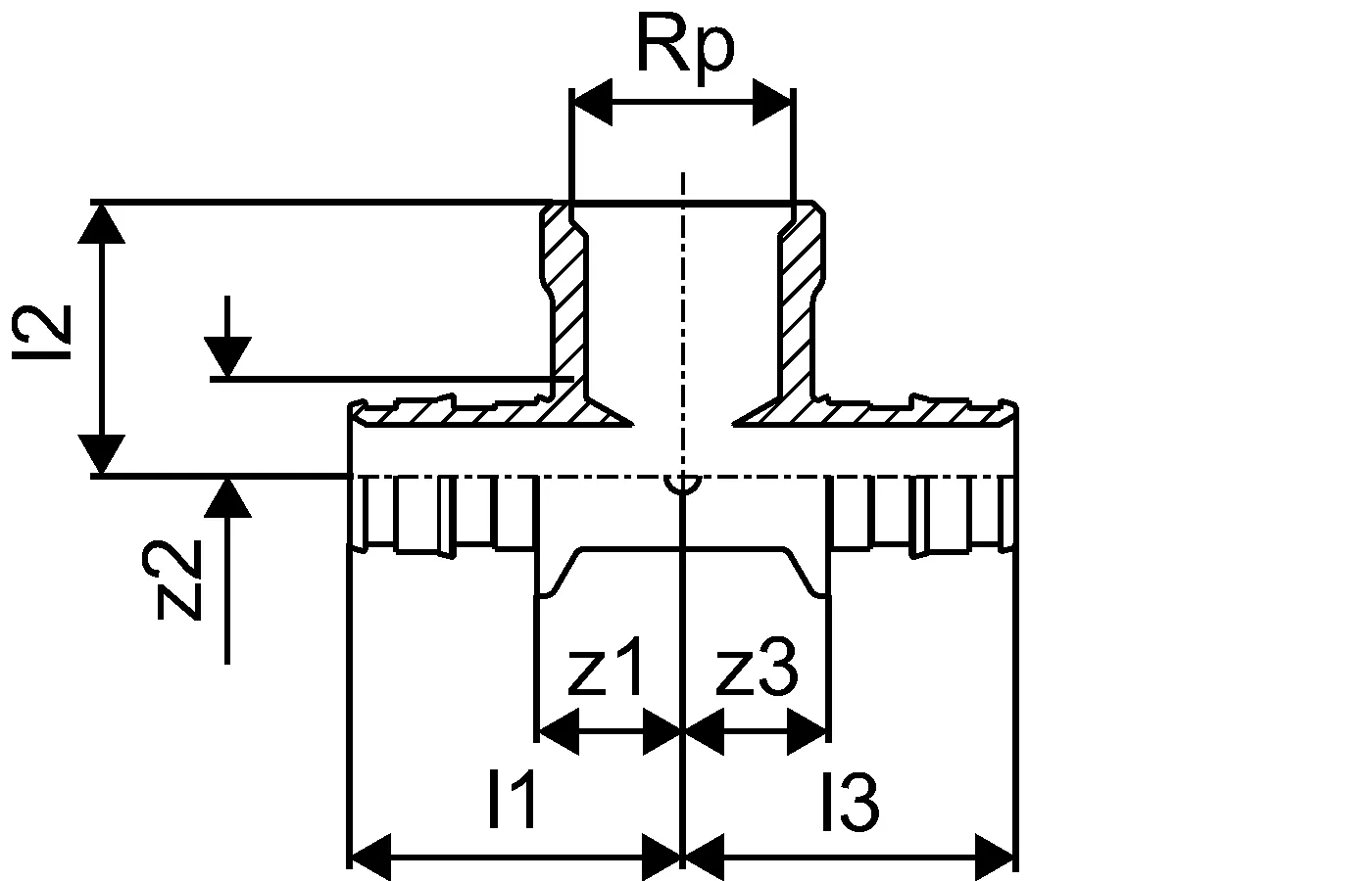
Uponor Q&E T-komad s unutarnjim navojem PL 16-RP1/2"FT-16
Uponor Q&E T-komad s unutarnjim navojem PL 20-RP1/2"FT-20
Uponor Q&E T-komad s unutarnjim navojem PL 25-RP3/4"FT-25

Dokumenti

Tehničke informacije
1 KB1119944

Tehničke informacije PE-Xa PIPING SYSTEMS (1119944)

Priručnik za postavljanje
1 KB1121763

Priručnik za postavljanje Q&E 9,9-50 (1121763)

Općenito

Projektanti

- Q&E Fitinzi i prsteni za Uponor PE-Xa Cijevi
- Metalni Fitinzi izrađeni su od visokokvalitetnog mesinga
- Plastični Fitinzi izrađeni su od polifenilsulfona
- Q&E prsteni naručuju se odvojeno, ako nije drugačije navedeno

Primjena

Ako nije drugačije navedeno:
- Vanjski i unutarnji navoji proizvedeni u skladu sa normom EN 10226-1.

Crteži proizvoda

1145691_REN
1145691
163 B
1145692_REN
1145692
90 B
1145693_REN
1145693
85 B
1145691_ZMD
1145691
151 B
1145692_ZMD
1145692
151 B
1145693_ZMD
1145693
151 B
1145691_LAB
1145691
112 B
1145692_LAB
1145692
112 B
1145693_LAB
1145693
112 B