Napunite BIM košaricu iz kataloga proizvoda
Adresa e-pošte naše korisničke službe se promijenila - Pregled

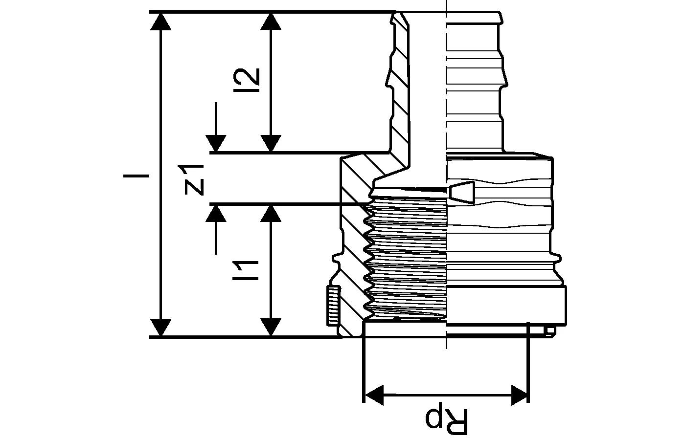
Uponor Q&E priključak s unutarnjim navojem PPSU

Uponor Q&E priključak s unutarnjim navojem PPSU

Detalji o proizvodu

Uponor Q&E priključak s unutarnjim navojem PPSU 16-Rp1/2"FT
Uponor Q&E priključak s unutarnjim navojem PPSU 20-Rp3/4"FT
Uponor Q&E priključak s unutarnjim navojem PPSU 25-Rp3/4"FT

Dokumenti

Tehničke informacije
1 KB1119944

Tehničke informacije PE-Xa PIPING SYSTEMS (1119944)

Priručnik za postavljanje
1 KB1121763

Priručnik za postavljanje Q&E 9,9-50 (1121763)

Općenito

Projektanti

- Q&E Fitinzi i prsteni za Uponor PE-Xa Cijevi
- Metalni Fitinzi izrađeni su od visokokvalitetnog mesinga
- Plastični Fitinzi izrađeni su od polifenilsulfona
- Q&E prsteni naručuju se odvojeno, ako nije drugačije navedeno

Primjena

Ako nije drugačije navedeno:
- Vanjski i unutarnji navoji proizvedeni u skladu sa normom EN 10226-1.

Crteži proizvoda

1042329_ZMD
1042329
186 B
1042331_ZMD
1042331
186 B
1042332_ZMD
1042332
186 B
1042329_LAB
1042329
145 B
1042331_LAB
1042331
145 B
1042332_LAB
1042332
145 B
1042329_REN
1042329
318 B
1042329_REN
1042329
116 B
1042331_REN
1042331
151 B
1042332_REN
1042332
161 B