Napunite BIM košaricu iz kataloga proizvoda
Adresa e-pošte naše korisničke službe se promijenila - Pregled

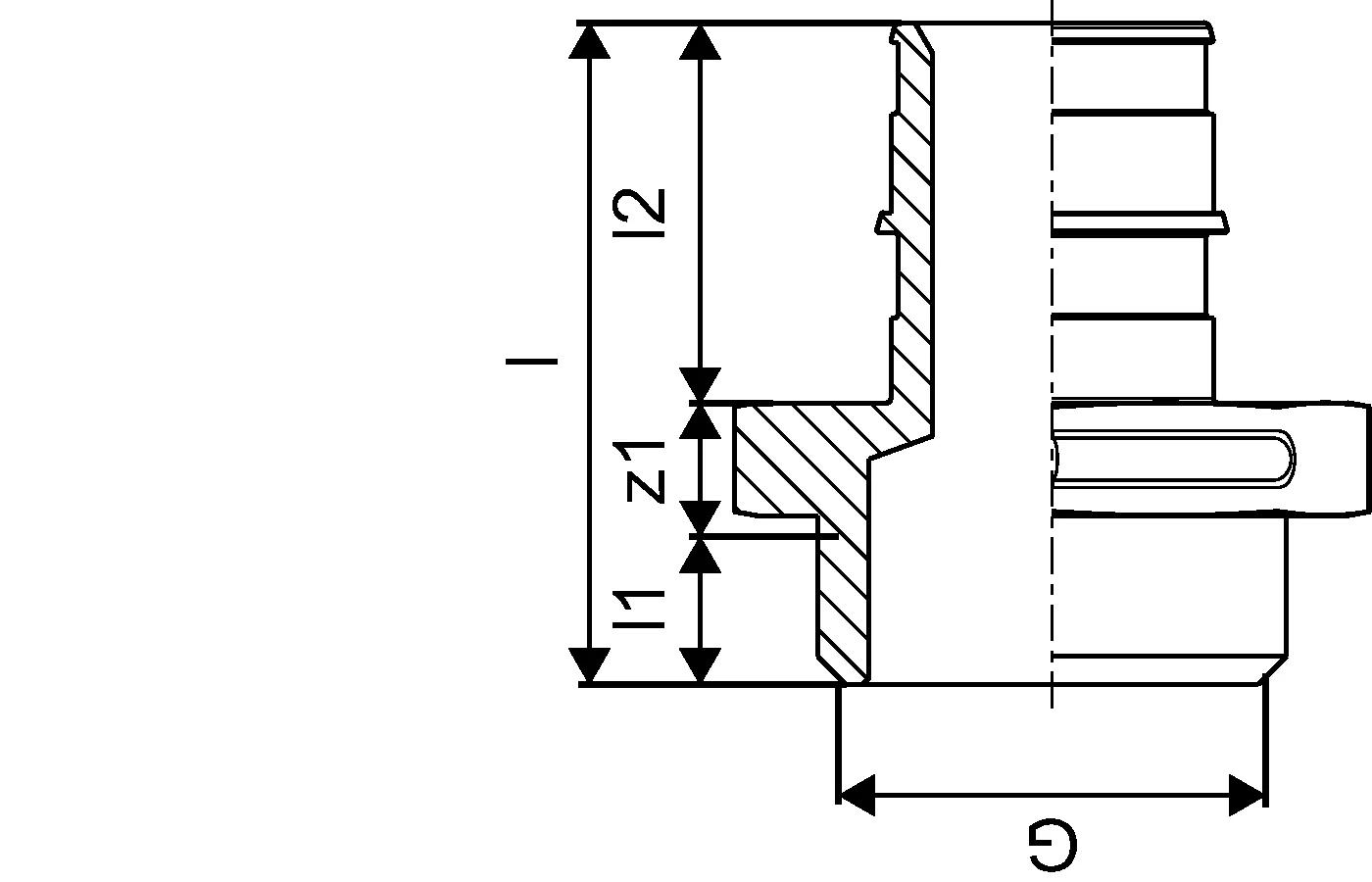
Uponor Q&E priključak sa vanjskim navojem PL W

Uponor Q&E priključak sa vanjskim navojem PL W

Detalji o proizvodu

Uponor Q&E priključak sa vanjskim navojem PL W 32-G1"MT
Uponor Q&E priključak sa vanjskim navojem PL W 40xG1 1/4"MT
Uponor Q&E priključak sa vanjskim navojem PL W 63-G2"MT

Dokumenti

Priručnik za postavljanje
1 KB1087004

Uponor Priručnik za postavljanje Q&E VLD 40-75 (1087004)

Priručnik za postavljanje
1 KB1187006

IM PE-Xa pipe INT 1187006 v1

Tehničke informacije
1 KB1119944

Tehničke informacije PE-Xa PIPING SYSTEMS (1119944)

Općenito

Projektanti

- Q&E Fitinzi i prsteni za Uponor PE-Xa Cijevi
- Metalni Fitinzi izrađeni su od visokokvalitetnog mesinga
- Plastični Fitinzi izrađeni su od polifenilsulfona
- Q&E prsteni naručuju se odvojeno, ako nije drugačije navedeno

Primjena

Ako nije drugačije navedeno:
- Vanjski i unutarnji navoji proizvedeni u skladu sa normom EN 10226-1.

Crteži proizvoda

1145656_REN
1145656
157 B
1145657_REN
1145657
98 B
1145656_ZMD
1145656
124 B
1145657_ZMD
1145657
124 B
1145656_LAB
1145656
121 B
1145657_LAB
1145657
121 B