Napunite BIM košaricu iz kataloga proizvoda

Uponor Vario PLUS komplet za povezivanje

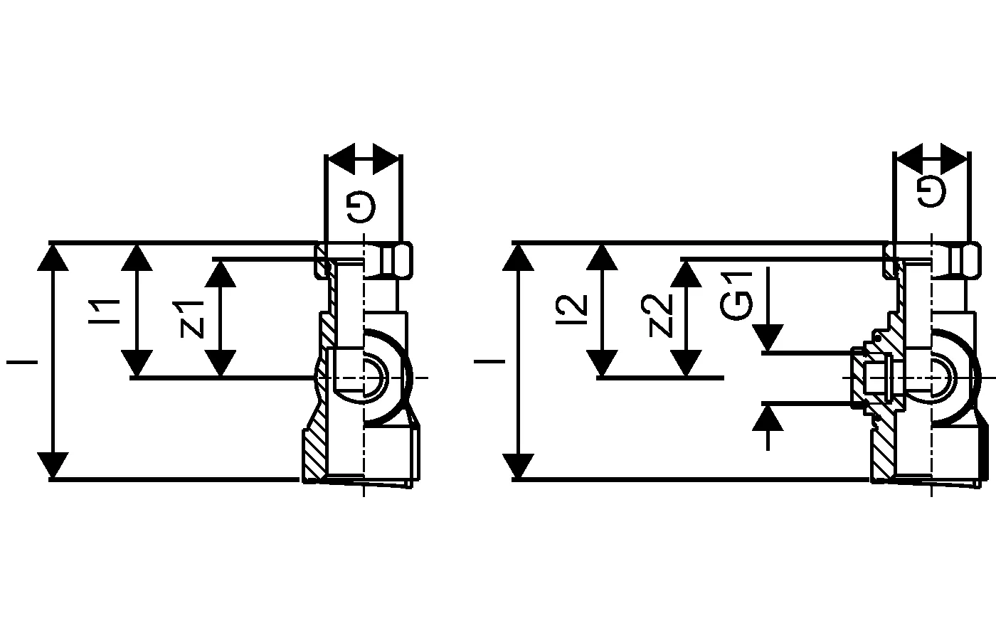
- Za razdjelnike Uponor Vario Plus s posebnim navojem za spoj bez alata s lijeve ili desne strane
- Sastoji se od dva segmenata
- Jedan segment s navojem od 1/2" (ukopčano) pripremljen za uronjivi senzor kalorimetra u kombinaciji s 1062462 Uponor HM Nipple za senzor temperature G1/2"xM10x1

Uponor Vario PLUS komplet za povezivanje

Detalji o proizvodu

Uponor Vario PLUS komplet za povezivanje

Općenito

Projektanti

- Modularni razdjelnik izrađen od poliamida ojačanog staklenim vlaknima sa segmentima s 1, 3, 4 i 6 krugova za povezivanje s osnovnim setom
- Spajanje s desne ili lijeve strane s ravnom brtvom ili odozdo pomoću kutnog spojnog seta
- Dovod sa zaštitnim ventilom za balansiranje s podesivim prstenom (LS) ili mjeračem protoka za balansiranje (FM),
- Zatvaranje protoka i pregled protoka
- Podesivi prsten za balansiranje bez alata
- Unaprijed pripremljena mjesta za naljepnice s nazivima prostorija
- Povrat s ventilima i kapama, pripremljen za ugradnju termopogona
- Priključak za petlje: G3/4" eurokonus
- Razmak petlji 50 mm
- Međusobni razmak sabirnika i razdjelnika je 225 mm

Termopogon:
- NC (normalno zatvoren) = zatvara se kada ostane bez napajanja

Primjena

- Za površinsko grijanje i hlađenje
- Primjenjivo za ugradnju sa termopogonima s vanjskim navojem MT 30x1.5: 1141678 (230V) i 1141679 (24V)

Certifikat

- CE

Crteži proizvoda

1005227_REN
1005227
366 B
1005227_REN
1005227
118 B
1005227_ZMD
1005227
161 B