Töltse meg a BIM kosarat a termékkatalógusból

Uponor Vario PLUS osztó-gyűjtő, torlóval

Uponor Vario PLUS osztó-gyűjtő, torlóval

Termék adatok

Uponor Vario PLUS osztó-gyűjtő, torlóval LS 1x3/4 Euro
Uponor Vario PLUS osztó-gyűjtő, torlóval LS 3x3/4 Euro
Uponor Vario PLUS osztó-gyűjtő, torlóval LS 4x3/4 Euro
Uponor Vario PLUS osztó-gyűjtő, torlóval LS 6x3/4 Euro

Dokumentumok

Telepítési útmutató
1 KB1057639

Telepítési útmutató Vario PLUS (1057639)

Leírás

Specifikáció

- Moduláris, üvegszál erősítésű poliamid gyűjtőcső 1,3,4,6 körökkel az alapkészlethez való csatlakozáshoz.
- csatlakoztatás jobbra vagy balra lapos tömítéssel vagy alulról csatlakoztatható opcionális könyökszettel
- Ellátás zárószeleppel a kiegyenlítéshez szabályozógyűrűvel vagy ellátása áramlásmérővel a kiegyenlítéshez.
- elzárási és áramlási nézet
- állítógyűrű a szerszám nélküli kiegyenlítéshez
- előkészített helyek a helyiségnévtáblák számára
- visszatérés szelepekkel és kupakokkal, előkészítve a működtetők számára
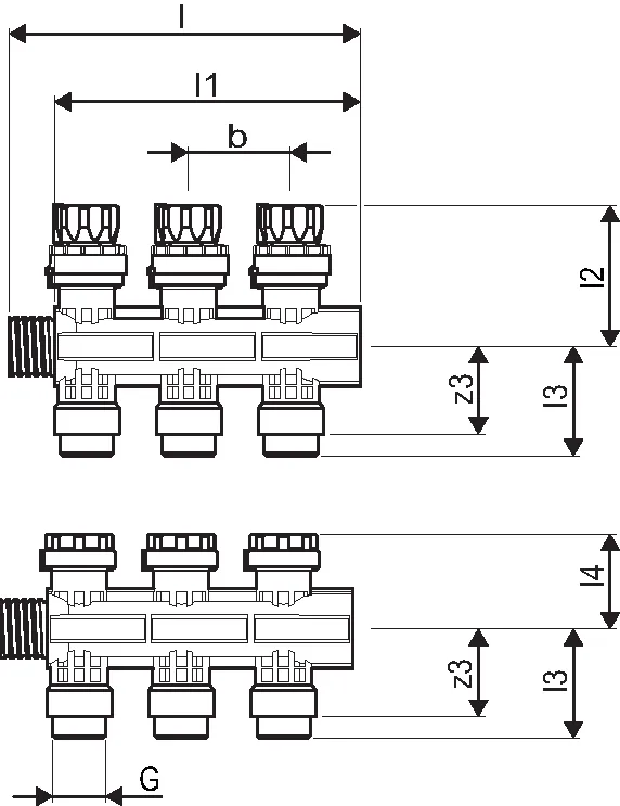
- Körcsatlakozás G3/4" eurokónusz
- Körosztás 50 mm
- gyűjtőcső osztás 225 mm

Működtetőszerkezet:
- Normálisan zárt = áram nélkül zár

Alkalmazás

- Padlófűtéshez és -hűtéshez
- Kombinálható Km 30x1,5 állásszabályzókkal

Bizonyítvány

-CE

Termékrajzok

1030580_ZMD
1030580
127 B
1030582_ZMD
1030582
210 B
1042420_ZMD
1042420
82 B
1030580_REN
1030580
129 B
1030581_REN
1030581
316 B
1030581_REN
1030581
127 B
1030582_REN
1030582
158 B
1042420_REN
1042420
78 B
1030580_LAB
1030580
92 B