Töltse meg a BIM kosarat a termékkatalógusból

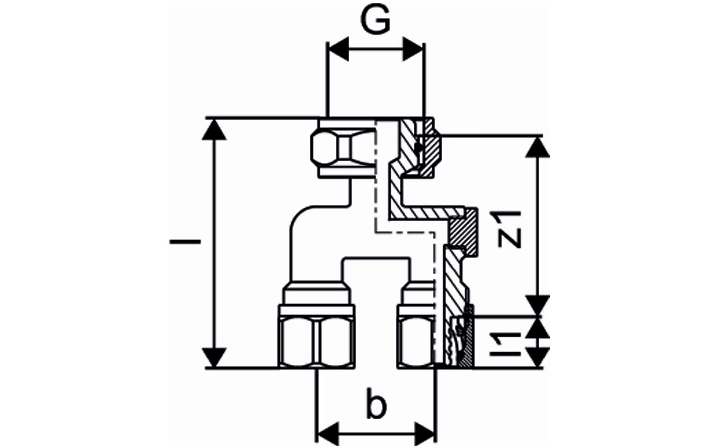
Uponor Minitec Y csatlakozó szett

- '- Rézből készült
- 3/4" eurokónusz
- 2 körös rendszerre

Uponor Minitec Y csatlakozó szett

Termék adatok

Uponor Minitec Y csatlakozó szett 2x9,9-3/4"Euro

Dokumentumok

Technikai információ
22 KB1143986

Műszaki információk Minitec underfloor heating/cooling system (1143986)

Telepítési útmutató
5 KB1022253

Telepítési útmutató Minitec (1022253)

Termékinformációk
19 KB1095407

Termékinformációk Minitec levelling material (1095407)

Leírás

Specifikáció

- Minitec padlófűtési rendszer szilárd padlóra vagy meghatározott szigetelőanyagokra történő rögzítéshez
- minimális magasságú, masszív csőrögzítő rendszer, beépített csőfektetési csatornákkal a megfelelő csőfektetési távolságok érdekében.
- Uponor Minitec PE-Xa 9,9 x 1,1 mm-es csövekkel való használatra; lehetővé teszi az egyenes és átlós csőfektetést.
- EN 13501-1 tűzvédelmi besorolás: E osztály.
- szabványos éghetőség, B2 építőanyag-osztály, a DIN 4102 szabványnak megfelelően.
- Csőtávolság: Vz 5, 10, 15
- Nettó felület az átfedő csonkokkal: 0,77m²

Alkalmazás

- padlófűtés és -hűtés
- nagyon alacsony építési magasság
- minősített töltőanyagokkal való használatra

Bizonyítvány

- DIN CERTCO: 7F170-F

Termékrajzok

1016692_REN
1016692
411 B
1016692_REN
1016692
74 B
1016692_ZMD
1016692
80 B