Töltse meg a BIM kosarat a termékkatalógusból
Ügyfélszolgálati e-mail címünk megváltozott – Áttekintés

Uponor Uni-C osztótartó SH

- Fali konzol 1014137, 1014138, 1014139 cikkszámú osztókhoz

Uponor Uni-C osztótartó SH

Termék adatok

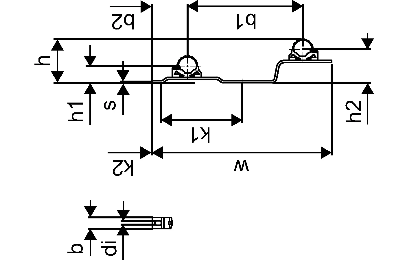
Uponor Uni-C osztótartó SH 3/4" 1"
Uponor Uni-C osztótartó SH 3/4" 1"

Dokumentumok

Üzembe helyezési jegyzőkönyv
116 B1120119

Üzembe helyezési jegyzőkönyv MLC leak test report TW water (1120119)

Üzembe helyezési jegyzőkönyv
127 B1120120

Üzembe helyezési jegyzőkönyv MLC flushing protocol TW water (1120120)

Üzembe helyezési jegyzőkönyv
110 B1120118

Üzembe helyezési jegyzőkönyv MLC leak test report TW air-gas (1120118)

Termékrajzok

1045451_LAB
1045451
63 B
1045451_ZMD
1045451
144 B
1045451_REN
1045451
138 B
1045451_REN
1045451
58 B