Riempire il carrello BIM dal catalogo prodotti

GF JRG adattatore flangia, set

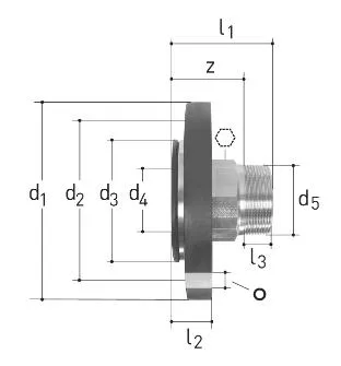
- Descrizione: flange secondo SN EN 1092, in PP-GF con inserto in acciaio, con guarnizione piatta
- Materiale: bronzo, acciaio, EPDM, plastica
- Connessione: filettatura maschio, flangia

GF JRG adattatore flangia, set

Dettagli articolo

GF JRG adattatore flangia, set DN65
GF JRG adattatore flangia, set DN80

Informazioni

Specifiche

Ampia gamma di prodotti


Corpo in bronzo

Application

Impianti di acqua potabile

Disegni del prodotto

1155739_PHO
1155739_PHO
9 B
1155741_PHO
1155741_PHO
9 B