Riempire il carrello BIM dal catalogo prodotti
Gli indirizzi e-mail del nostro servizio clienti sono stati modificati – Panoramica completa

Uponor RS Adattatore maschio

- adattatore per sistema modulare, esecuzione in ottone rivestito con stagnatura
- conforme al Decreto Ministeriale n.174 del 6 Aprile 2004 per il trasporto di acqua potabile
- filettatura maschio conforme alla UNI EN 10226-1

Uponor RS Adattatore maschio

Dettagli articolo

Uponor RS Adattatore maschio R2"MT-RS2
Uponor RS Adattatore maschio R2 1/2"MT-RS2
Uponor RS Adattatore maschio R3"MT-RS3

Documenti

Manuale di installazione
1 KB1187006

Manuale di installazione PE-Xa (1187006)

Rapporto di installazione
116 B1120119

Rapporto di installazione MLC leak test report TW water (1120119)

Rapporto di installazione
127 B1120120

Rapporto di installazione MLC flushing protocol TW water (1120120)

Certificazione
409 B1013450

UPONOR SAMPLE MLC PIPE WHITE 50X4,5 LENGTH 30CM

Certificazione
409 B1013402

UPONOR SAMPLE MLC PIPE WHITE 32X3 LENGTH 30CM (1013402)

Informazioni

Specifiche

- con manicotto a pressione fisso
- anello di arresto
- codice colore
- Sicurezza di prova

Application

- Acqua corrente: la temperatura di esercizio permanente varia da 0 °C a 70 °C con una pressione di esercizio permanente massima di 10 bar. La temperatura di malfunzionamento a breve termine è di 95 °C per un periodo di 100 ore nel corso della vita utile.
- Riscaldamento: la temperatura di esercizio permanente raggiunge gli 80 °C con una pressione di esercizio permanente massima di 10 bar. La temperatura di malfunzionamento a breve termine è di 100 °C per un periodo di 100 ore nel corso della vita utile.

se non diversamente indicato:
- Filetti maschio e femmina conformi a EN 10226-1.

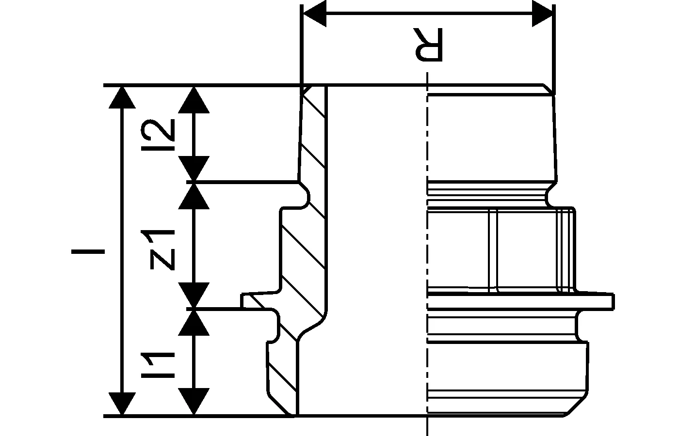
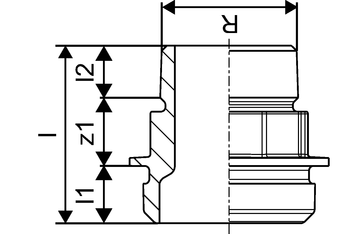
Disegni del prodotto

1029131_LAB
1029131
163 B
1029132_LAB
1029132
163 B
1029133_LAB
1029133
163 B
1029131_ZMD
1029131
138 B
1029132_ZMD
1029132
138 B
1029133_ZMD
1029133
138 B
1029131_REN
1029131
147 B
1029133_REN
1029133
147 B