Riempire il carrello BIM dal catalogo prodotti
Gli indirizzi e-mail del nostro servizio clienti sono stati modificati – Panoramica completa

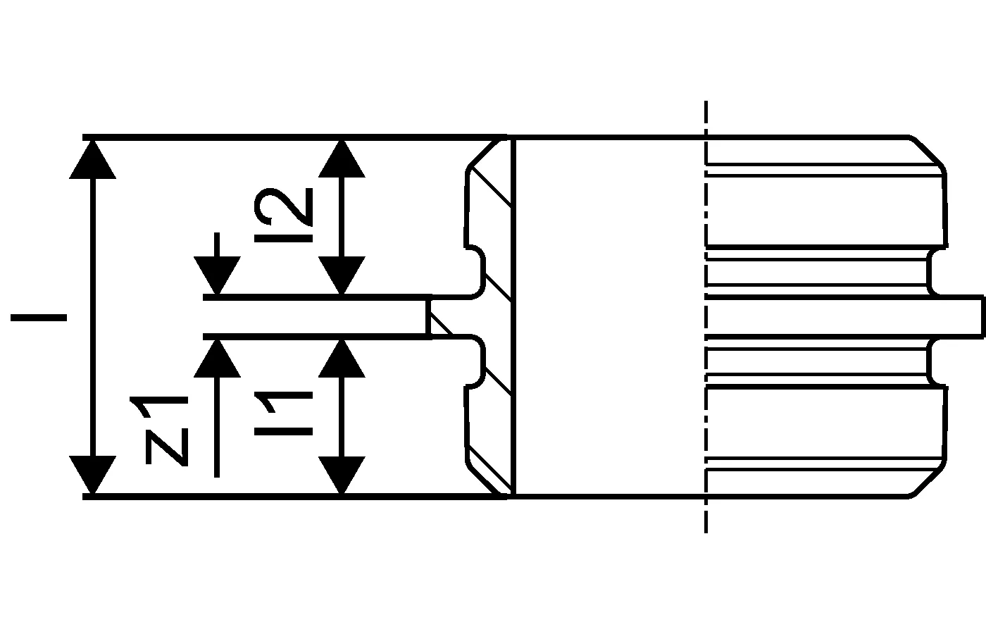
Uponor RS Distanziatore

- distanziatore per sistema modulare, esecuzione in ottone rivestito con stagnatura
- conforme al Decreto Ministeriale n.174 del 6 Aprile 2004 per il trasporto di acqua potabile

Uponor RS Distanziatore

Dettagli articolo

Uponor RS Distanziatore RS2-RS2 l=5mm
Uponor RS Distanziatore RS3-RS3 l=5mm

Documenti

Manuale di installazione
1 KB1187006

Manuale di installazione PE-Xa (1187006)

Rapporto di installazione
116 B1120119

Rapporto di installazione MLC leak test report TW water (1120119)

Rapporto di installazione
127 B1120120

Rapporto di installazione MLC flushing protocol TW water (1120120)

Certificazione
409 B1013450

UPONOR SAMPLE MLC PIPE WHITE 50X4,5 LENGTH 30CM

Certificazione
409 B1013402

UPONOR SAMPLE MLC PIPE WHITE 32X3 LENGTH 30CM (1013402)

Informazioni

Specifiche

- con manicotto a pressione fisso
- anello di arresto
- codice colore
- Sicurezza di prova

Application

- Acqua corrente: la temperatura di esercizio permanente varia da 0 °C a 70 °C con una pressione di esercizio permanente massima di 10 bar. La temperatura di malfunzionamento a breve termine è di 95 °C per un periodo di 100 ore nel corso della vita utile.
- Riscaldamento: la temperatura di esercizio permanente raggiunge gli 80 °C con una pressione di esercizio permanente massima di 10 bar. La temperatura di malfunzionamento a breve termine è di 100 °C per un periodo di 100 ore nel corso della vita utile.

se non diversamente indicato:
- Filetti maschio e femmina conformi a EN 10226-1.

Disegni del prodotto

1046750_REN
1046750
287 B
1046750_REN
1046750
97 B
1046751_REN
1046751
97 B
1046750_ZMD
1046750
116 B
1046751_ZMD
1046751
116 B
1046750_LAB
1046750
114 B
1046751_LAB
1046751
114 B