Riempire il carrello BIM dal catalogo prodotti
I nostri Uffici e Magazzino saranno chiusi da lunedì 22 dicembre a martedì 06 gennaio 2026 compresi.

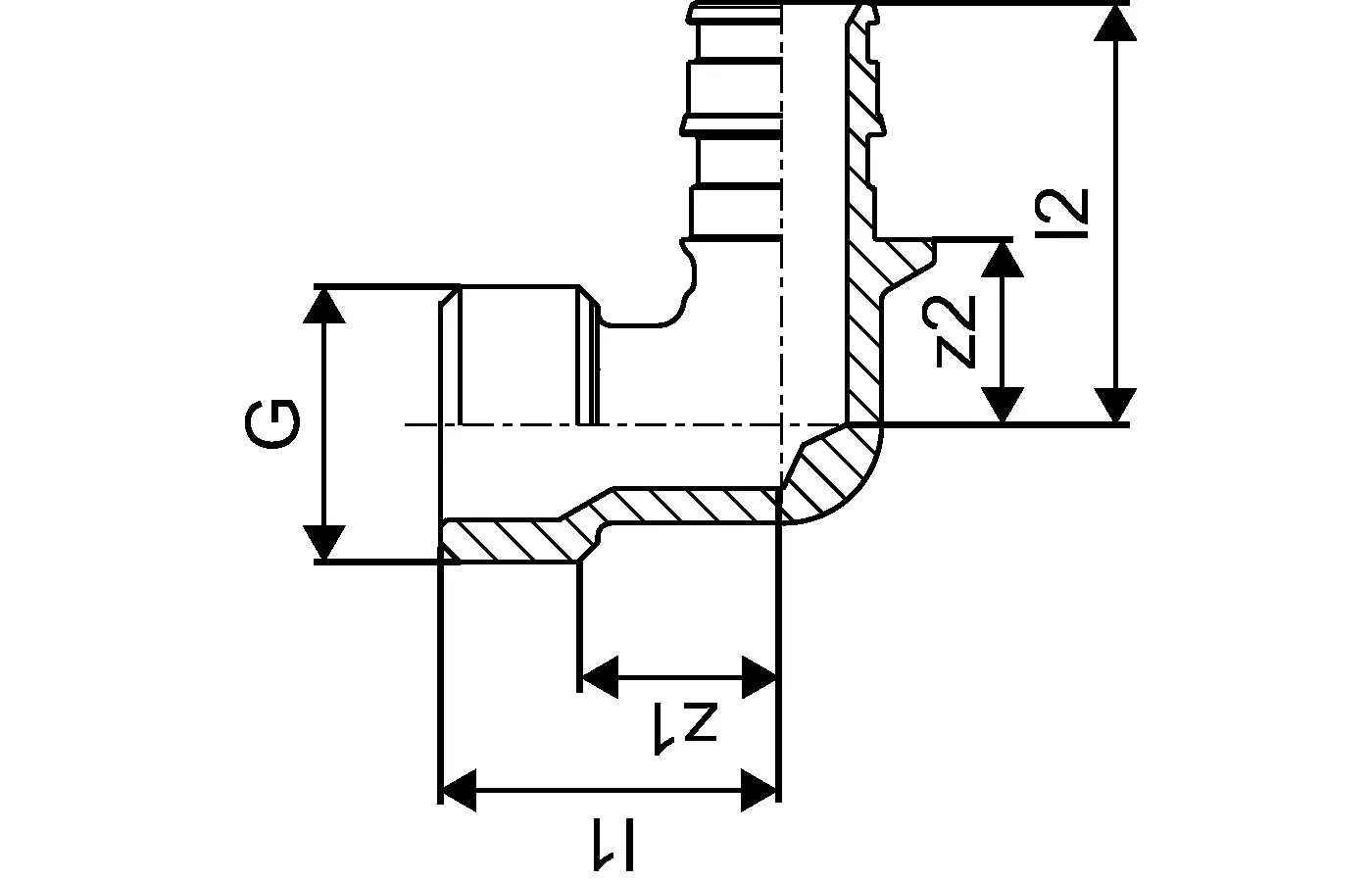
Uponor Q&E Curva maschio PL

Uponor Q&E Curva maschio PL

Dettagli articolo

Uponor Q&E Curva maschio PL 20-G3/4"MT

Documenti

Manuale di installazione
1 KB1121763

Manuale di installazione Q&E 9,9-50 (1121763)

Informazioni tecniche
1 KB1118689

Informazioni tecniche PE-Xa piping systems (1118689)

Certificazione
370 B1120785

UPONOR CER Q&E SYS MECH KIWA UNI KIP 106326 (1120785)

Informazioni

Specifiche

- Q&E raccordi e anelli per tubi Uponor PE-Xa
- I raccordi in metallo sono realizzati in ottone di alta qualità
- I raccordi in plastica sono realizzati in polifenilsulfone
- Q&E anelli devono essere ordinati separatamente se non diversamente menzionato

Application

se non diversamente indicato:
- Filetti maschio e femmina conformi a EN 10226-1.

Disegni del prodotto

1023021_LAB
1023021
132 B
1023021_ZMD
1023021
124 B
1023021_REN
1023021
96 B