Riempire il carrello BIM dal catalogo prodotti

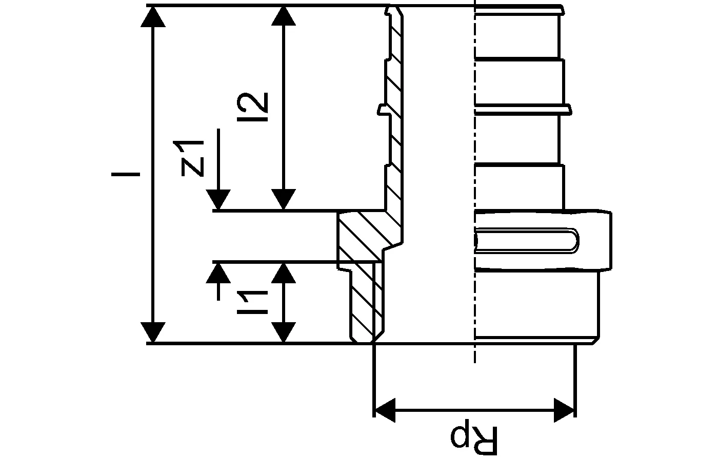
Uponor Q&E Diritto femmina PL

- raccordo realizzato in ottone con profilo di tenuta brevettato Quick & Easy
- adatto esclusivamente per tubazioni in PE-Xa Uponor Aqua Pipe, Radi Pipe, Combi Pipe e Comfort Pipe PLUS
- conforme al Decreto Ministeriale n°174 del 6 aprile 2004 per il trasporto dell'acqua potabile
- anelli Q&E non inclusi
- filettatura in accordo con la norma EN 10226-1

Uponor Q&E Diritto femmina PL

Dettagli articolo

Uponor Q&E Diritto femmina PL 40-G1 1/4"FT

Documenti

Manuale di installazione
1 KB1087004

Uponor Manuale di installazione Q&E VLD 40-75 (1087004)

Manuale di installazione
1 KB1187006

Manuale di installazione PE-Xa (1187006)

Manuale di installazione
1 KB1121763

Manuale di installazione Q&E 9,9-50 (1121763)

Certificazione
370 B1120785

UPONOR CER Q&E SYS MECH KIWA UNI KIP 106326 (1120785)

Informazioni

Specifiche

- Q&E raccordi e anelli per tubi Uponor PE-Xa
- I raccordi in metallo sono realizzati in ottone di alta qualità
- I raccordi in plastica sono realizzati in polifenilsulfone
- Q&E anelli devono essere ordinati separatamente se non diversamente menzionato

Application

se non diversamente indicato:
- Filetti maschio e femmina conformi a EN 10226-1.

Disegni del prodotto

1047867_ZMD
1047867
121 B
1047867_LAB
1047867
112 B
1047867_REN
1047867
139 B