Riempire il carrello BIM dal catalogo prodotti
I nostri Uffici e Magazzino saranno chiusi da lunedì 22 dicembre a martedì 06 gennaio 2026 compresi.

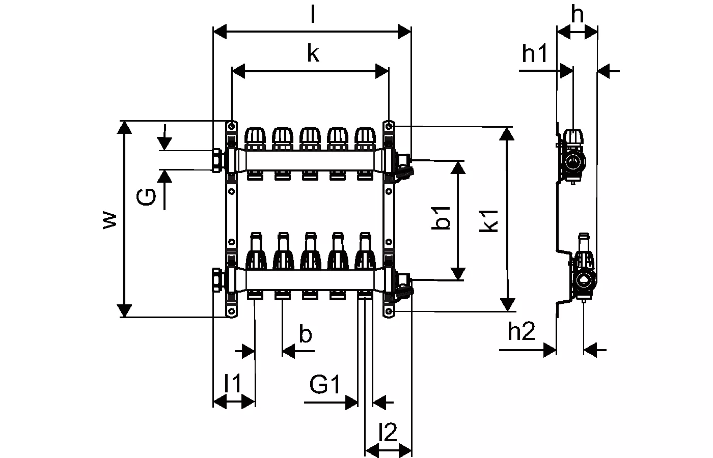
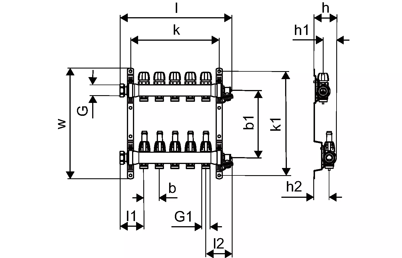
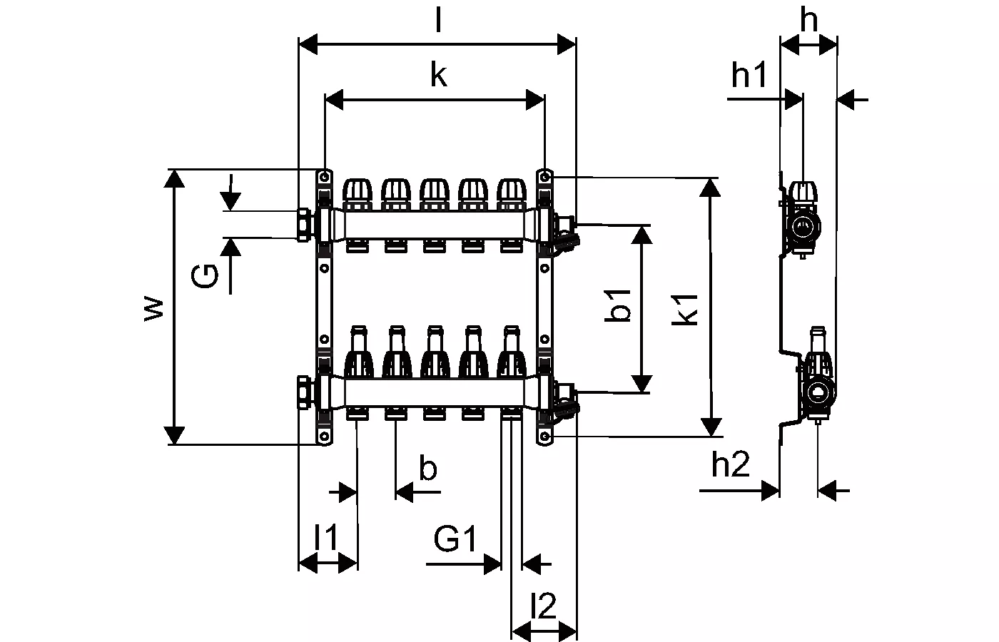
Uponor Vario S collettore FM

- barra di mandata con flussimetri per il bilanciamento e l'intercettazione, con anello di memoria
- barra di ritorno con valvole di intercettazione, con tappi manuali
- valvola di carico/scarico

Uponor Vario S collettore FM

Dettagli articolo

Uponor Vario S collettore FM 2xG3/4 Euro - G1
Uponor Vario S collettore FM 3xG3/4 Euro - G1
Uponor Vario S collettore FM 4xG3/4 Euro - G1
Uponor Vario S collettore FM 5xG3/4 Euro - G1
Uponor Vario S collettore FM 6xG3/4 Euro - G1
Uponor Vario S collettore FM 7xG3/4 Euro - G1
Uponor Vario S collettore FM 8xG3/4 Euro - G1
Uponor Vario S collettore FM 9xG3/4 Euro - G1
Uponor Vario S collettore FM 10xG3/4 Euro - G1
Uponor Vario S collettore FM 11xG3/4 Euro - G1
Uponor Vario S collettore FM 12xG3/4 Euro - G1
Uponor Vario S collettore FM 13xG3/4 Euro - G1
Uponor Vario S collettore FM 14xG3/4 Euro - G1
Uponor Vario S collettore FM 15xG3/4 Euro - G1
Uponor Vario S collettore FM 16xG3/4 Euro - G1

Documenti

Manuale di installazione
973 B1143222

Manuale di installazione Vario S manifold FM (1143222)

Informazioni

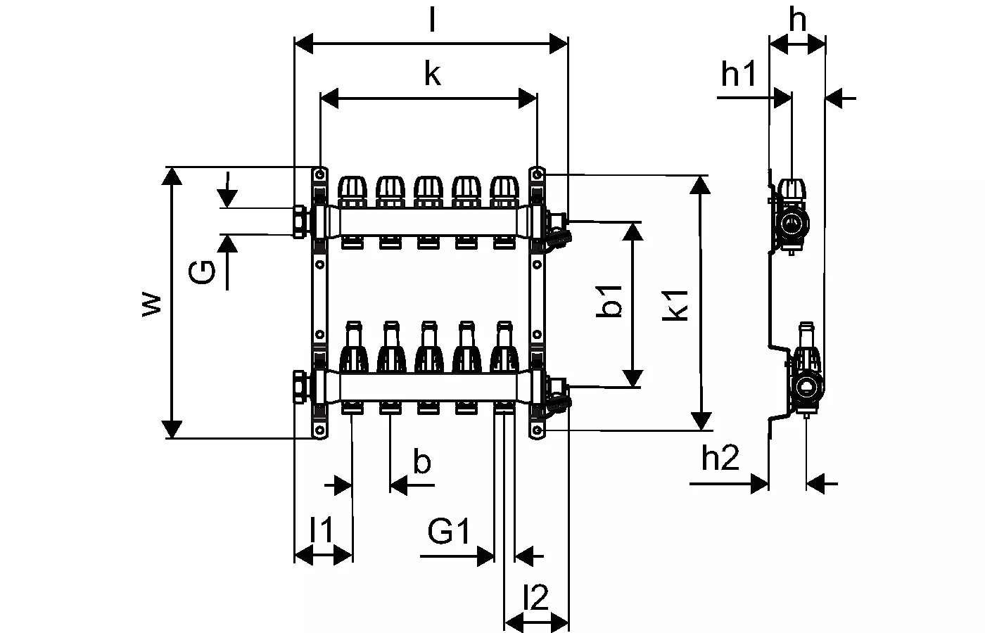
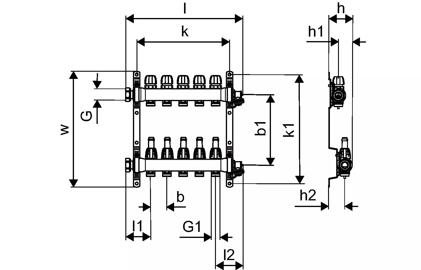
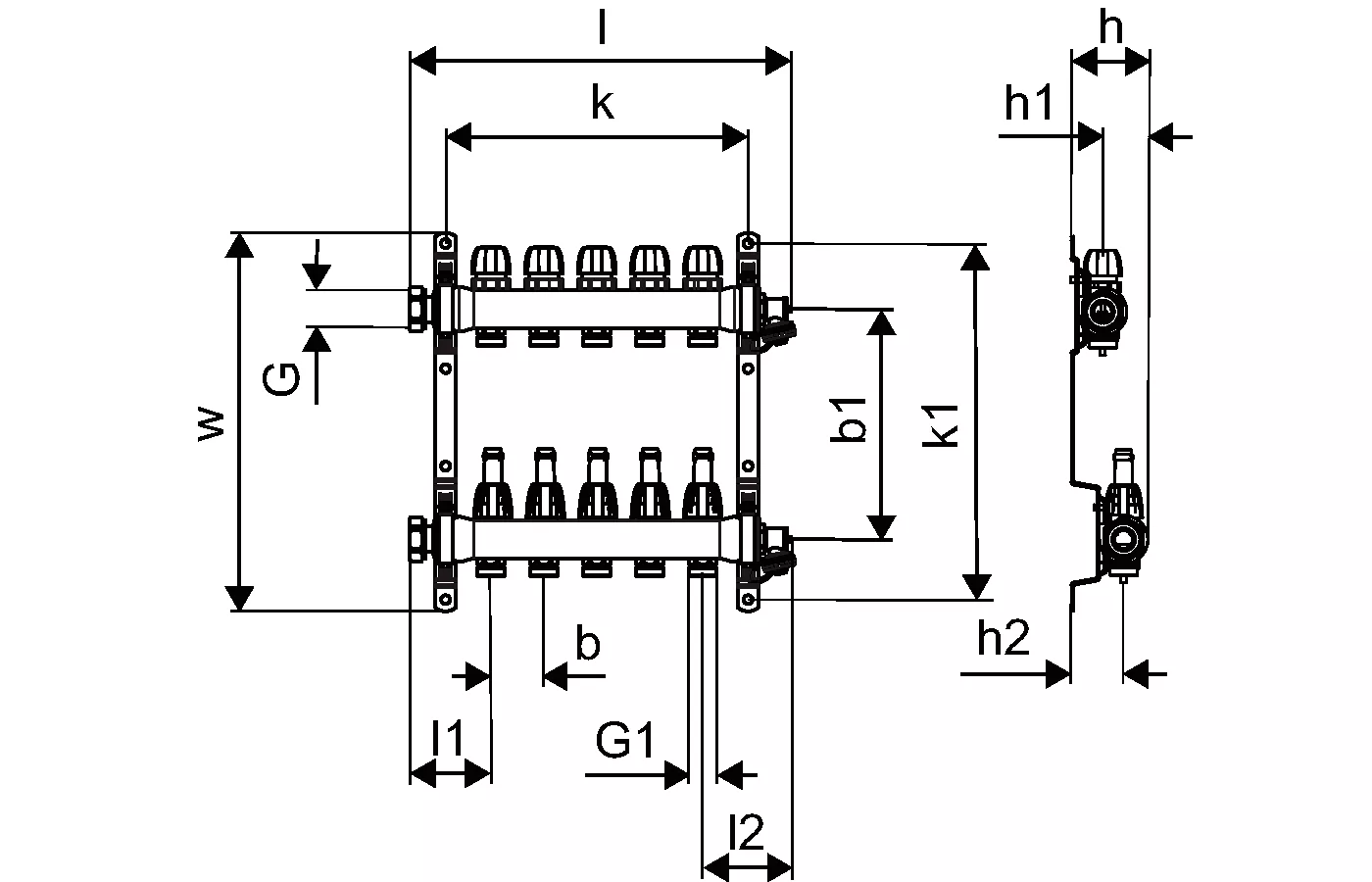
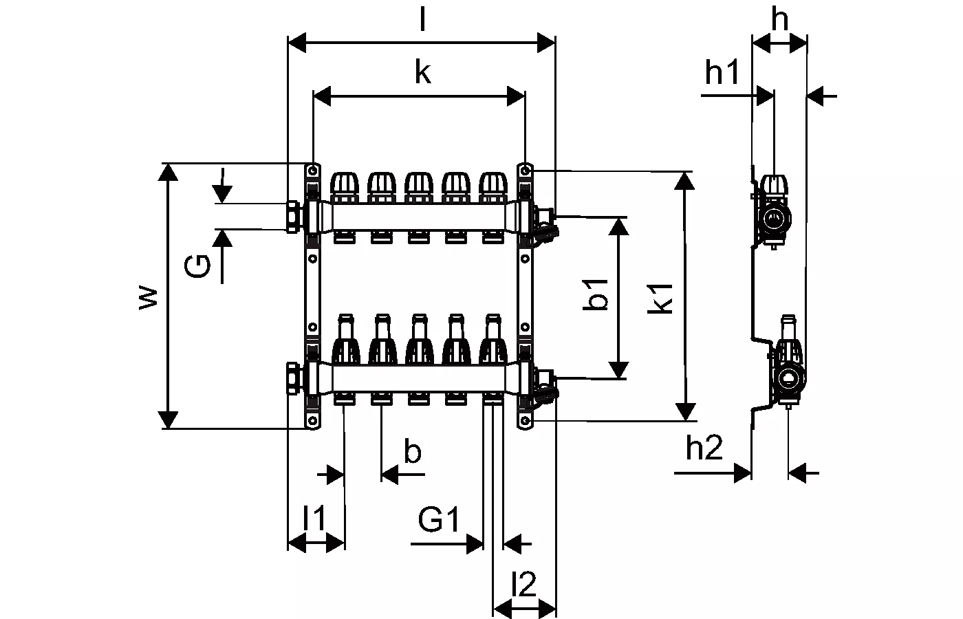
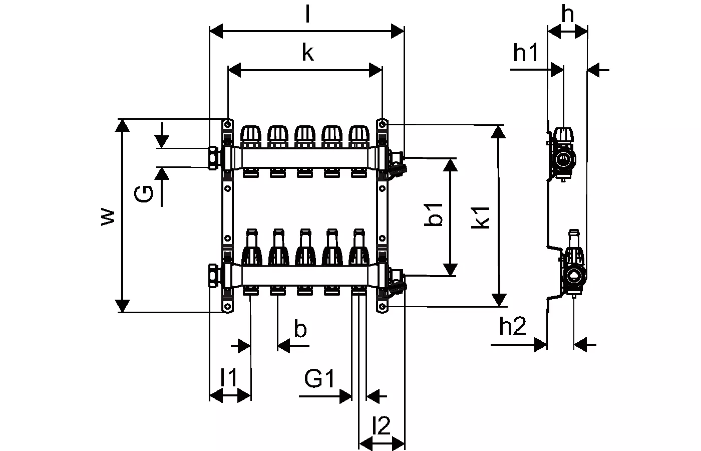
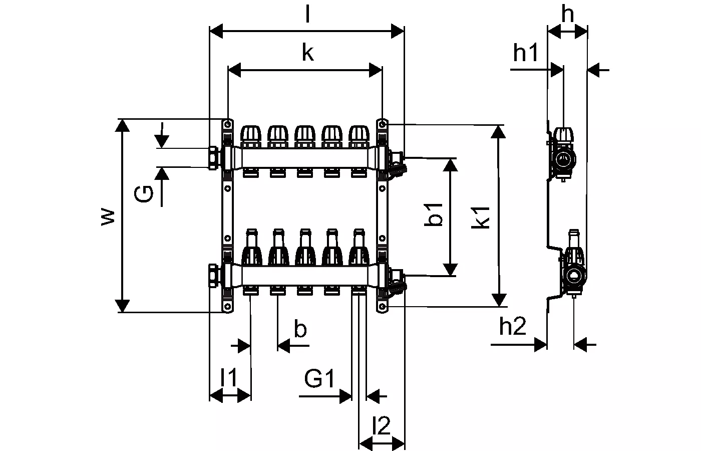
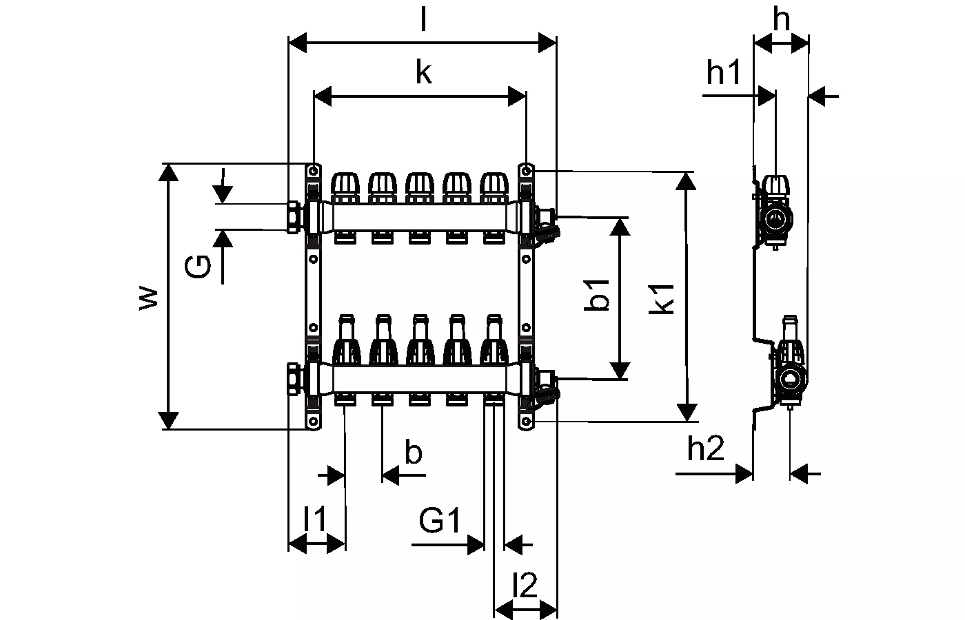
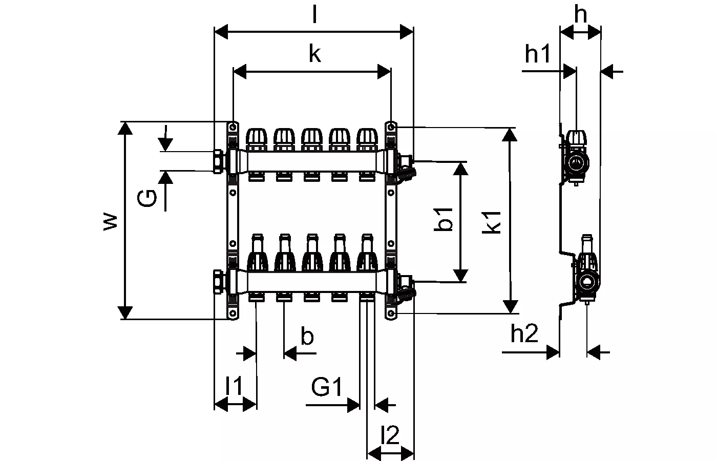
Specifiche

- In acciaio inossidabile
- Con valvole integrate
- Collegamento a destra o a sinistra con tenuta piatta
- Prese d'aria integrate e punti di riempimento e scarico nella mandata e nel ritorno
- Collegamento ad anello Eurocono G3/4"
- Passo anello 50 mm
- Passo connettore 215 mm

Application

- Per raffrescamento e riscaldamento a pavimento
- Applicabile con attuatori 1141676 (230 V) e 1141677 (24 V)
- Pressione massima: 6 bar a 60 °C

Disegni del prodotto

1140833_ZMD
1140833
188 B
1140834_ZMD
1140834
188 B
1140835_ZMD
1140835
188 B
1140836_ZMD
1140836
188 B
1140837_ZMD
1140837
188 B
1140838_ZMD
1140838
188 B
1140839_ZMD
1140839
188 B
1140840_ZMD
1140840
188 B
1140841_ZMD
1140841
188 B
1140842_ZMD
1140842
188 B
1140843_ZMD
1140843
188 B
1140844_ZMD
1140844
188 B
1140845_ZMD
1140845
188 B
1140846_ZMD
1140846
188 B
1140847_ZMD
1140847
188 B
1140833_REN
1140833
48 B
1140834_REN
1140834
49 B
1140835_REN
1140835
58 B
1140836_REN
1140836
65 B
1140837_REN
1140837
74 B
1140838_REN
1140838
74 B
1140839_REN
1140839
80 B
1140840_REN
1140840
91 B
1140841_REN
1140841
86 B
1140842_REN
1140842
93 B
1140843_REN
1140843
99 B
1140844_REN
1140844
92 B
1140845_REN
1140845
97 B
1140846_REN
1140846
105 B
1140847_REN
1140847
111 B
1140833_LAB
1140833
92 B
1140834_LAB
1140834
106 B
1140835_LAB
1140835
118 B
1140836_LAB
1140836
129 B
1140837_LAB
1140837
137 B
1140838_LAB
1140838
160 B
1140839_LAB
1140839
153 B
1140840_LAB
1140840
148 B
1140841_LAB
1140841
142 B
1140842_LAB
1140842
138 B
1140843_LAB
1140843
132 B
1140844_LAB
1140844
128 B
1140845_LAB
1140845
124 B
1140846_LAB
1140846
119 B
1140847_LAB
1140847
115 B