Riempire il carrello BIM dal catalogo prodotti
I nostri Uffici e Magazzino saranno chiusi da lunedì 22 dicembre a martedì 06 gennaio 2026 compresi.

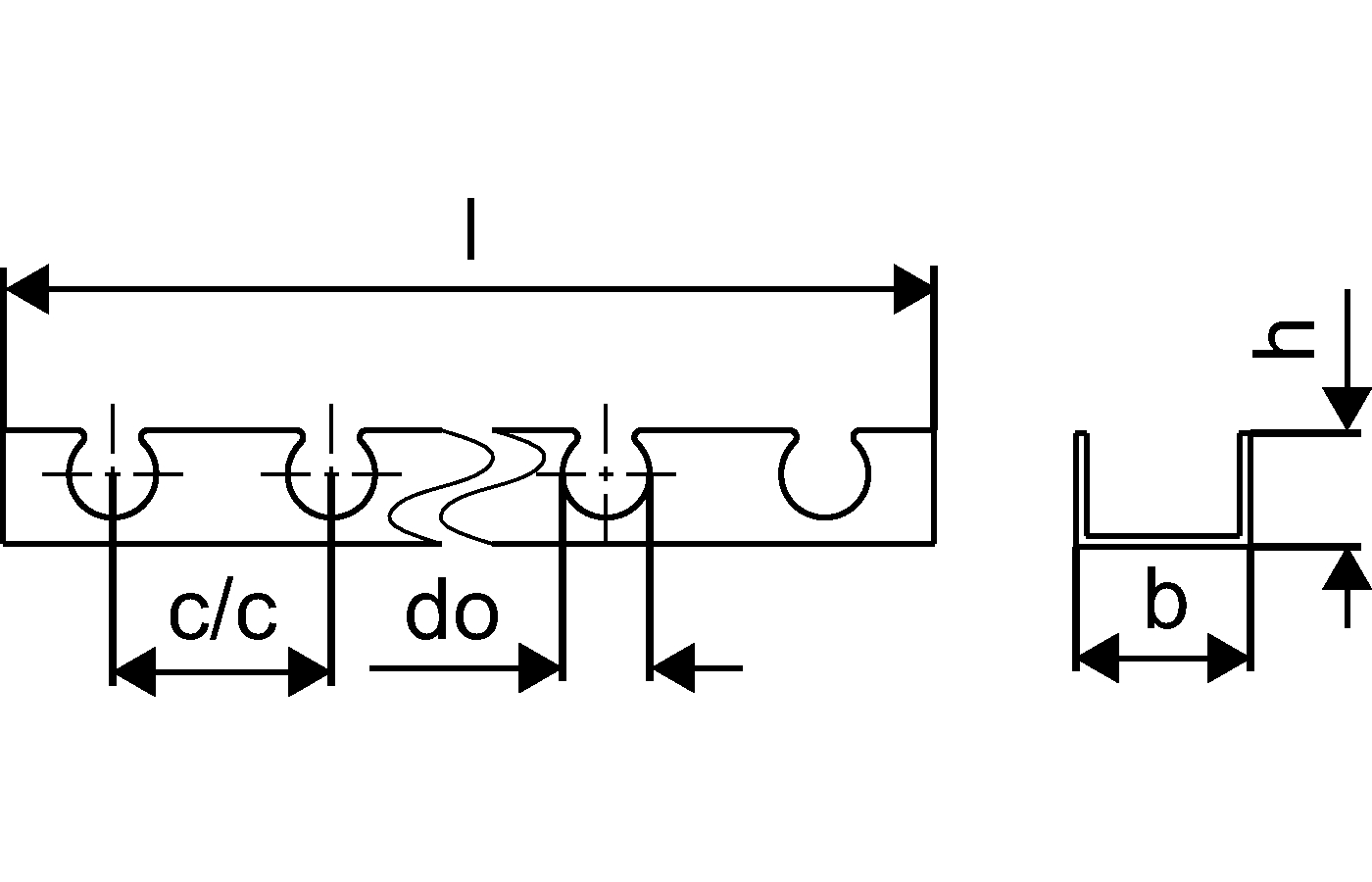
Uponor Magna Binario di fissaggio

- in materiale plastico antiurto
- adatto per il fissaggio delle tubazioni nelle zone sprovviste di altri dispositivi di fissaggio e nelle vicinanze del collettore
di distribuzione
- i fori sulla base permettono un ulteriore fissaggio all’isolante sottostante (se presente) tramite apposite clip

Uponor Magna Binario di fissaggio

Dettagli articolo

Uponor Magna Binario di fissaggio 25mm c/c50mm 3m

Informazioni

Specifiche

- sistema di riscaldamento industriale Magna
- interasse tra le uscite dei circuiti: 100 mm

Application

- Riscaldamento radiante per grandi aree industriali e commerciali
- Per l'utilizzo all'interno del calcestruzzo
- Max. 20 circuiti
- Max. pressione: 6 bar a 60°C

Disegni del prodotto

1005290_ZMD
1005290
117 B
1005290_REN
1005290
59 B