Užpildykite BIM krepšelį iš produktų katalogo

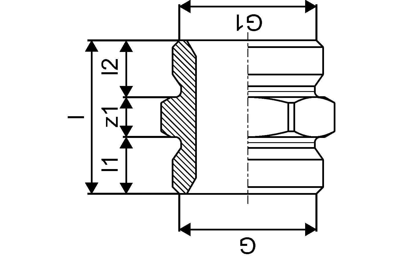
Uponor Uni-X jungtis

- Pagamintas iš alavuoto žalvario
- Sriegis pagal EN ISO 228-1.

Uponor Uni-X jungtis

Prekės duomenys

Uponor Uni-X jungtis G3/4"MT Euro-G3/4"MT Euro

Dokumentai

Montavimo ataskaita
116 B1120119

Montavimo ataskaita MLC leak test report TW water (1120119)

Montavimo ataskaita
127 B1120120

Montavimo ataskaita MLC flushing protocol TW water (1120120)

Montavimo ataskaita
110 B1120118

Montavimo ataskaita MLC leak test report TW air-gas (1120118)

Apie

Panaudojimas

- Pritaikyta šiltam vandeniui radiatoriaus sujungimo vietoje paskirstyti

Produktų brėžiniai

1006641_ZMD
1006641
170 B
1006641_LAB
1006641
151 B
1006641_REN
1006641
359 B
1006641_REN
1006641
119 B