Užpildykite BIM krepšelį iš produktų katalogo
Dėmesio! Pasikeitė mūsų klientų aptarnavimo el. pašto adresas - plačiau

Uponor Aqua PLUS spintelė FS

- Kolektorinė spintelė

Uponor Aqua PLUS spintelė FS

Prekės duomenys

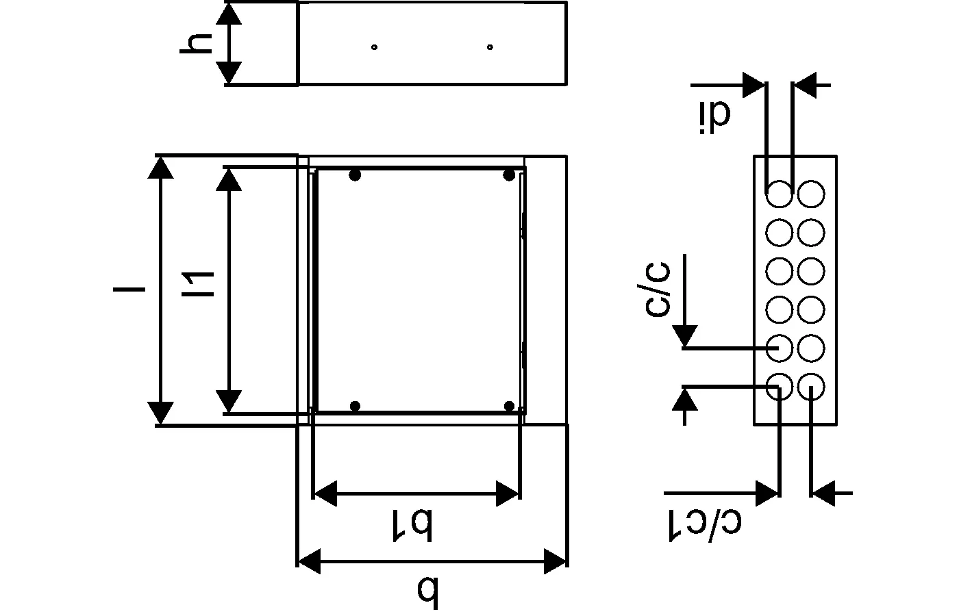
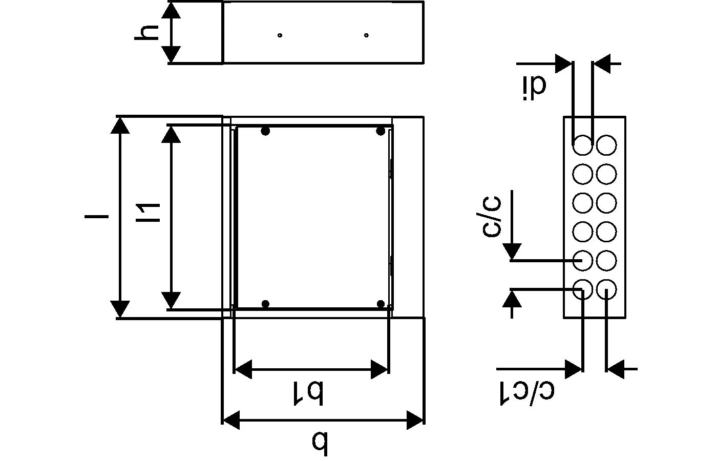
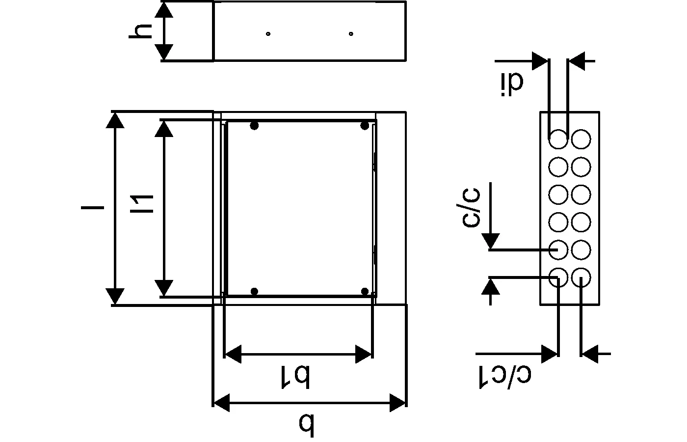
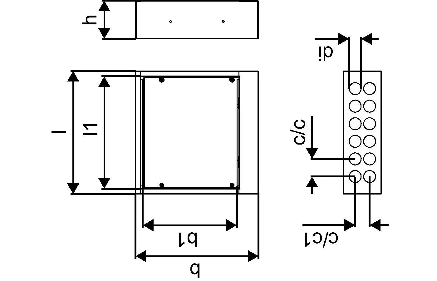
Uponor Aqua PLUS spintelė FS A, 350x350x108mm
Uponor Aqua PLUS spintelė FS A, 350x350x118mm
Uponor Aqua PLUS spintelė FS B, 550x500x108mm
Uponor Aqua PLUS spintelė FS B, 550x500x118mm
Uponor Aqua PLUS spintelė FS C, 750x500x118mm

Dokumentai

Montavimo instrukcija
52 KB1090878

Montavimo instrukcija Aqua PLUS cabinet A-K (1090878)

Techninė specifikacija
1 KB1119947

Techninė informacija PE-Xa PIPING SYSTEMS (1119947)

Techninė specifikacija
1 KB1118689

Techninė informacija PE-Xa piping systems (1118689)

Apie

Techninė specifikacija

- Vandeniui sandarios spintelės pagal NT VVS 129
- Skirta kolektoriams su c/c 50 mm
- Skirta M7 spintelės sandarikliais
- Apima spintelę, purslų dangčius ir priedų rinkinį kolektoriaus montavimui
- Durelės ir rėmeliai (jei reikia) užsakomi atskirai
- RAL 9010
- Plastikiniai kolektoriai, skirti montuoti į vandeniui sandarias spinteles
- Kolektoriai ir priedai gali būti naudojami atskirai
- Jei kolektoriai naudojami be sandarių spintelių sistemos sandarumas pagal NT VVS 129 nėra garantuotas
- Metalinės jungiamosios detalės pagamintos iš aukštos kokybės žalvario
- Plastikinės jungiamosios detalės pagamintos iš polifenilsulfono
- PPM kolektoriai su "bayonet" sriegiais

Panaudojimas

- Vandeniui nelaidūs įrenginiai, kad būtų išvengta pažeidimų nuotėkio atveju
- Visų tipų kolektorių instaliacijos

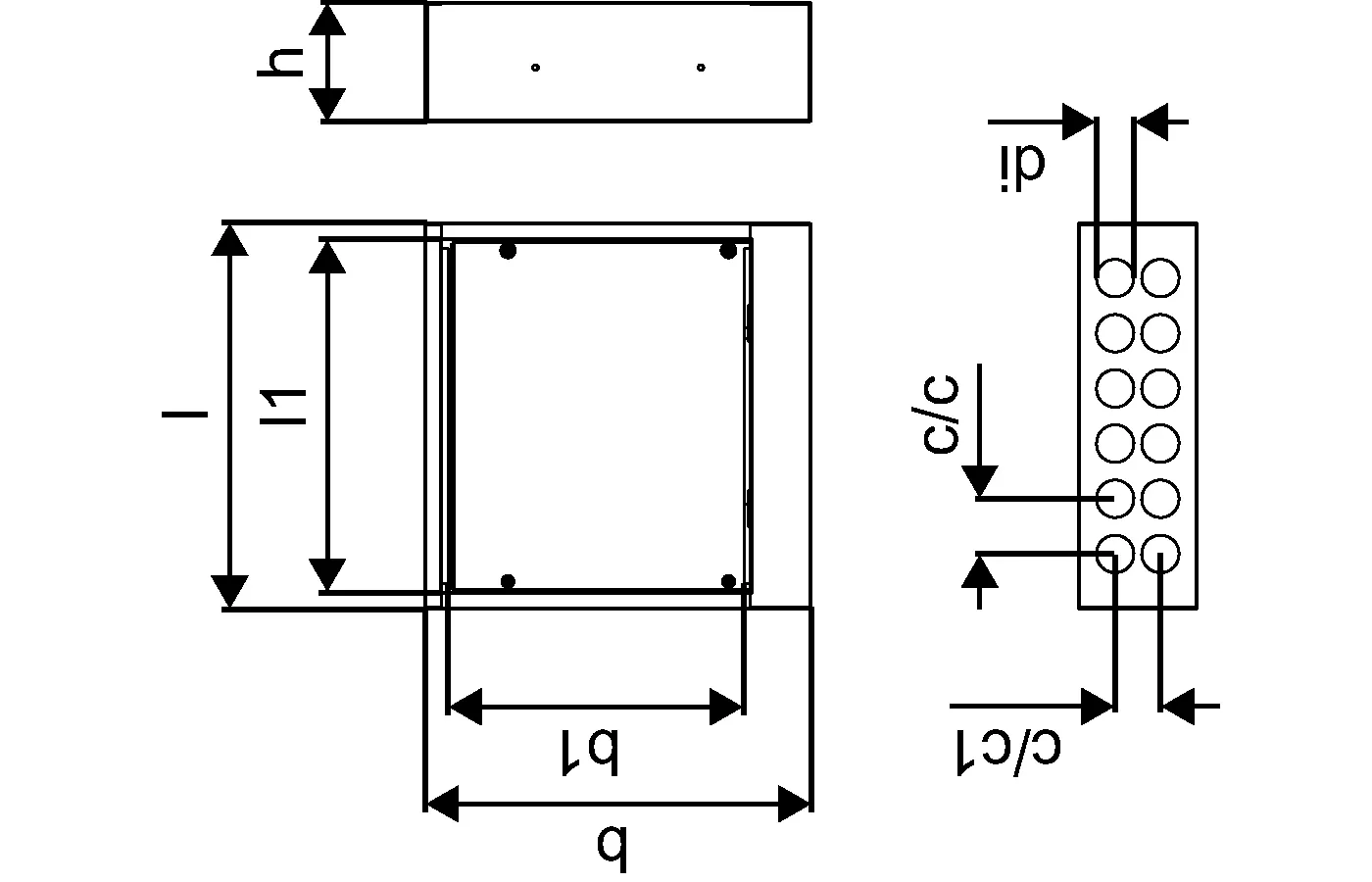
Produktų brėžiniai

1088751_ZMD
1088751
130 B
1088752_ZMD
1088752
130 B
1088758_ZMD
1088758
130 B
1088759_ZMD
1088759
130 B
1088767_ZMD
1088767
130 B
1088751_LAB
1088751
91 B
1088752_LAB
1088752
91 B
1088758_LAB
1088758
91 B
1088759_LAB
1088759
91 B
1088767_LAB
1088767
91 B
1088752_REN
1088752
175 B
1088759_REN
1088759
182 B