Užpildykite BIM krepšelį iš produktų katalogo

Uponor Aqua Ambient horizontalus trapas super/arco

- Prijungimas prie DN 50 nuotekų vamzdžių
- Srauto greitis: 0,4 l/s
- Žemų grindų konstrukcijoms
- Nerūdijančio plieno grotelės
- Polipropileno korpusas

Uponor Aqua Ambient horizontalus trapas super/arco

Prekės duomenys

Uponor Aqua Ambient horizontalus trapas super/arco FI 50

Dokumentai

Montavimo instrukcija
577 B1139871

Montavimo instrukcija Aqua Ambient point drain inlets (1139871)

Apie

Techninė specifikacija

- Modernus ir stilingas dizainas, įvairūs dydžiai: 600, 700, 800, 900, 1000 mm
- Plati sandarinimo apykaklė (30 mm), užtikrinanti sandarų sujungimą su grindų konstrukcija
- Reguliuojamas aukštis ir tvirtinamos kojelės, kad būtų galima integruoti į bet kokią grindų konstrukciją
- Lengvas montavimas dėl gaminio išbaigtumo ir suderinamumo su nuotekų įrengimo sistema (nuotekų vamzdžių matmenys)
- 360° reguliuojamas sifonas

Panaudojimas

- Būsto nuotekų valymo sistemos

Serifikatai

- Techninis įvertinimas pagal EN 1253

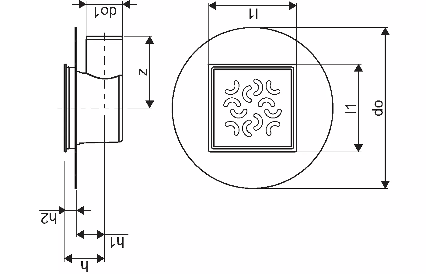
Produktų brėžiniai

1136450_ZMD
1136450
156 B
1136450_LAB
1136450
89 B
1136450_REN
1136450
103 B