Užpildykite BIM krepšelį iš produktų katalogo

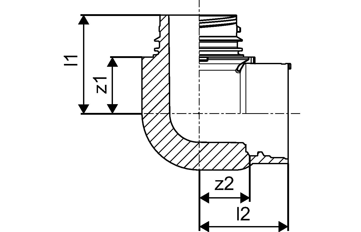
Uponor Aqua PLUS alkūnė vid./išor. sr. PPM

Uponor Aqua PLUS alkūnė vid./išor. sr. PPM

Prekės duomenys

Uponor Aqua PLUS alkūnė vid./išor. sr. PPM 1"MT-1"FT

Dokumentai

Techninė specifikacija
6 KB1103000

Techninė informacija Aqua PLUS manifold PPM (1103000)

Montavimo instrukcija
2 KB1089672

Montavimo instrukcija Aqua PLUS manifold PPM (1089672)

Apie

Techninė specifikacija

- Vandeniui sandarios spintelės pagal NT VVS 129
- Skirta kolektoriams su c/c 50 mm
- Skirta M7 spintelės sandarikliais
- Apima spintelę, purslų dangčius ir priedų rinkinį kolektoriaus montavimui
- Durelės ir rėmeliai (jei reikia) užsakomi atskirai
- RAL 9010
- Plastikiniai kolektoriai, skirti montuoti į vandeniui sandarias spinteles
- Kolektoriai ir priedai gali būti naudojami atskirai
- Jei kolektoriai naudojami be sandarių spintelių sistemos sandarumas pagal NT VVS 129 nėra garantuotas
- Metalinės jungiamosios detalės pagamintos iš aukštos kokybės žalvario
- Plastikinės jungiamosios detalės pagamintos iš polifenilsulfono
- PPM kolektoriai su "bayonet" sriegiais

Panaudojimas

- Vandeniui nelaidūs įrenginiai, kad būtų išvengta pažeidimų nuotėkio atveju
- Visų tipų kolektorių instaliacijos

Produktų brėžiniai

1063782_REN
1063782
102 B
1063782_REN
1063782
107 B
1063782_LAB
1063782
135 B
1063782_ZMD
1063782
166 B