Užpildykite BIM krepšelį iš produktų katalogo

Uponor Q&E reducer PL

Uponor Q&E reducer PL

Prekės duomenys

Uponor Q&E reducer PL 16-12

Dokumentai

Techninė specifikacija
1 KB1119947

Techninė informacija PE-Xa PIPING SYSTEMS (1119947)

Montavimo instrukcija
1 KB1121763

Montavimo instrukcija Q&E 9,9-50 (1121763)

Techninė specifikacija
1 KB1118689

Techninė informacija PE-Xa piping systems (1118689)

Apie

Techninė specifikacija

- Q&E jungtys ir žiedai Uponor PEX vamzdžiam
- Metalinės jungtys pagamintos iš aukštos kokybės žalvario
- Plastikinės jungtys pagamintos iš PPSU (polifenilsulfono)
- Q&E žiedai užsakomi atskirai, jei nenurodyta kitaip

Panaudojimas

- išoriniai ir vidiniai sriegiai pagal EN 10226-1

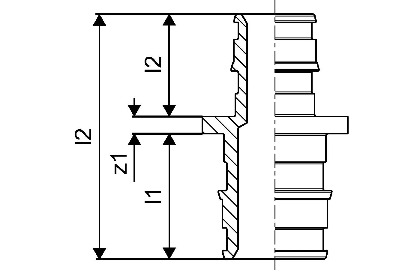
Produktų brėžiniai

1058468_ZMD
1058468
122 B
1058468_REN
1058468
90 B
1058468_LAB
1058468
96 B