Užpildykite BIM krepšelį iš produktų katalogo
Dėmesio! Pasikeitė mūsų klientų aptarnavimo el. pašto adresas - plačiau

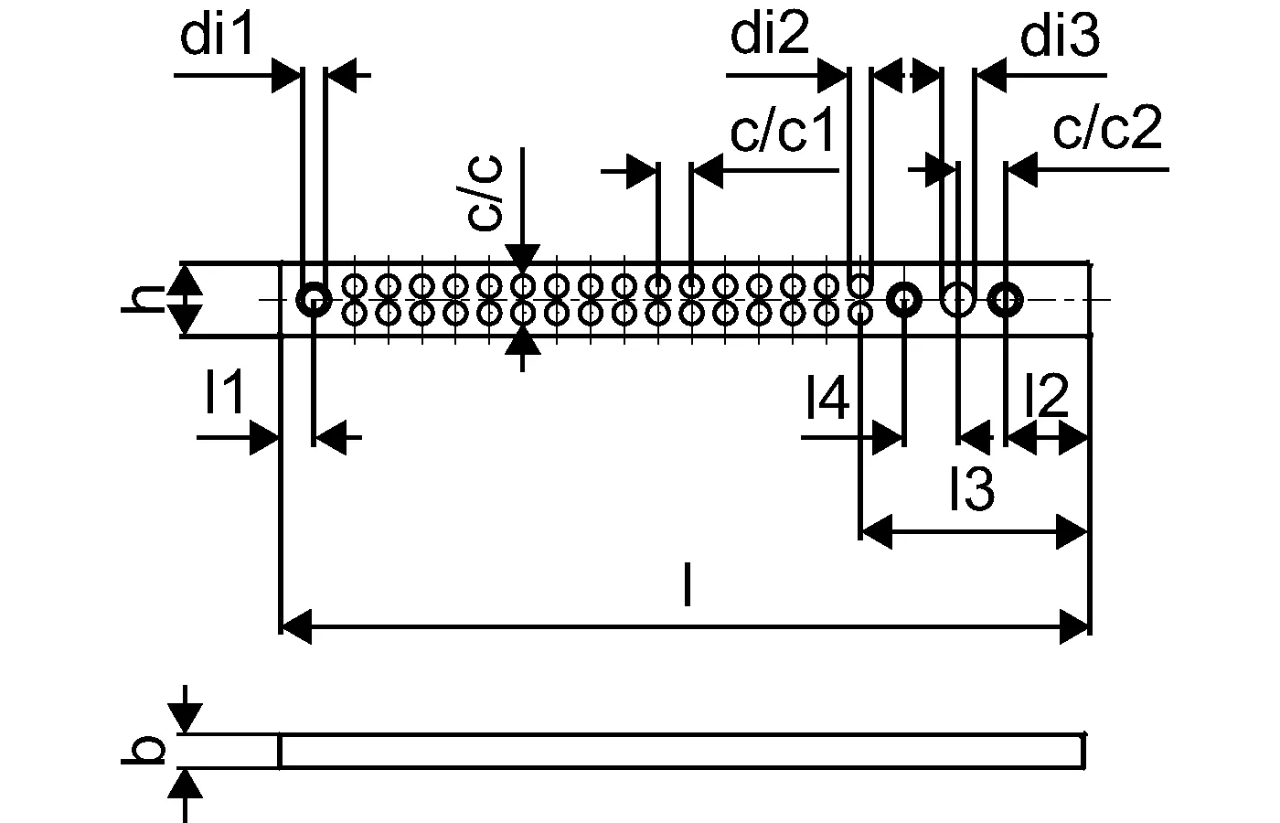
Uponor Vario spindelės dugnas

- Montuojama prie Vario spintelės IW
- Medžiaga: plienas, padengta baltais milteliais (RAL 9010)
- Su užsandarinimu
- Kombinuotas dugnas, kurį galima naudoti su siurblių grupėmis arba įprastais kolektoriais

Uponor Vario spindelės dugnas

Prekės duomenys

Uponor Vario spindelės dugnas 1200x108mm

Dokumentai

Techninė specifikacija
1 KB1095069

Techninė informacija Vario cabinet (1095069)

Techninė specifikacija
1 KB1119947

Techninė informacija PE-Xa PIPING SYSTEMS (1119947)

Produktų brėžiniai

1093583_LAB
1093583
82 B
1093583_REN
1093583
117 B
1093583_REN
1093583
49 B
1093583_ZMD
1093583
215 B