Užpildykite BIM krepšelį iš produktų katalogo
Dėmesio! Pasikeitė mūsų klientų aptarnavimo el. pašto adresas - plačiau

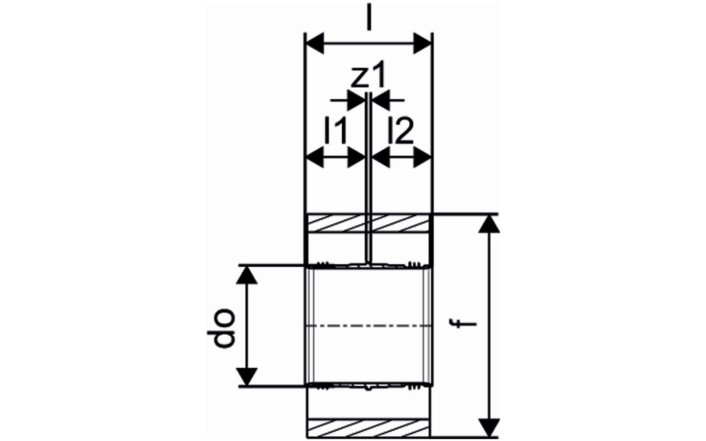
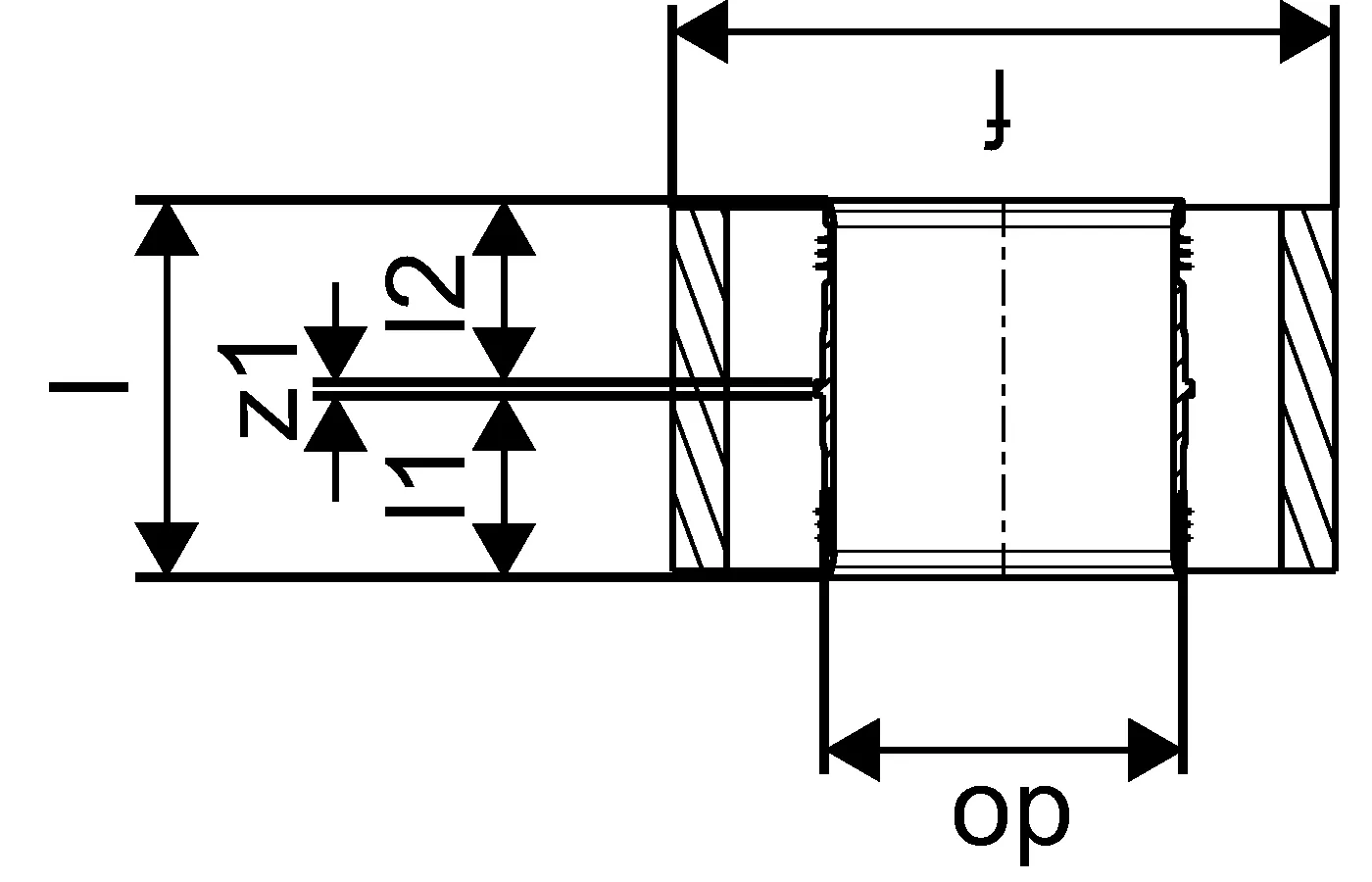
Uponor Ventilation INS izoliuota mova

- Patentuotas sujungimo metodas su D klasės sandarumu
- Individualiai supakuoti į plastikinius maišus higienos užtikrinimui
- Nuolatos antistatinis
- Kiekvienoje detalėje yra pakankamas tvirtinimo elementų kiekis

Uponor Ventilation INS izoliuota mova

Prekės duomenys

Uponor Ventilation INS izoliuota mova 100mm
Uponor Ventilation INS izoliuota mova 125mm
Uponor Ventilation INS izoliuota mova 160mm
Uponor Ventilation INS izoliuota mova 200mm

Apie

Techninė specifikacija

- Neperdirbta bekvapė ir netoksiška medžiaga, Polipropilenas
- Antistatinė medžiaga
- Ortakių ir jungiamųjų detalių spalva yra juoda, izoliacija yra pilka
- Izoliacinė medžiaga yra putų polietilenas
- Izoliacijos storis 15mm

Panaudojimas

- Vėdinimo ortakiai ir jungiamosios detalės su izoliacija, kad būtų išvengta išorinio kondensato

Serifikatai

- VTT sertifikatai Nr. 158/01 ir VTT-C-6220-10

Produktų brėžiniai

1068073_ZMD
1068073
152 B
1068074_ZMD
1068074
152 B
1068074_ZMD
1068074
67 B
1068075_ZMD
1068075
152 B
1068076_ZMD
1068076
152 B
1068073_REN
1068073
138 B
1068074_REN
1068074
138 B
1068074_REN
1068074
473 B
1068074_REN
1068074
82 B
1068075_REN
1068075
138 B
1068076_REN
1068076
138 B
1068073_LAB
1068073
97 B
1068074_LAB
1068074
97 B
1068075_LAB
1068075
97 B
1068076_LAB
1068076
97 B