Užpildykite BIM krepšelį iš produktų katalogo

Uponor Ventilation perėjimas

- Patentuotas sujungimo metodas su D klasės sandarumu
- Individualiai supakuoti į plastikinius maišus higienos užtikrinimui
- Nuolat antistatinis

Uponor Ventilation perėjimas

Prekės duomenys

Uponor Ventilation perėjimas 125-100mm
Uponor Ventilation perėjimas 160-125mm
Uponor Ventilation perėjimas 200-160mm

Apie

Techninė specifikacija

- Neperdirbta bekvapė ir netoksiška medžiaga, Polipropilenas
- Antistatinė medžiaga
- Spalva juoda

Panaudojimas

- Vėdinimo ortakiai ir jungiamosios detalės

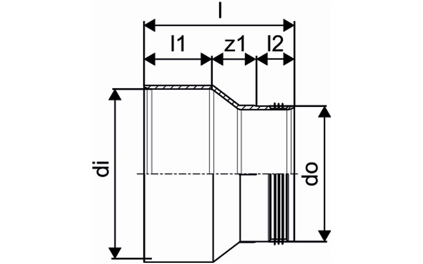
Produktų brėžiniai

1068070_REN
1068070
336 B
1068070_REN
1068070
76 B
1068070_ZMD
1068070
74 B