Užpildykite BIM krepšelį iš produktų katalogo

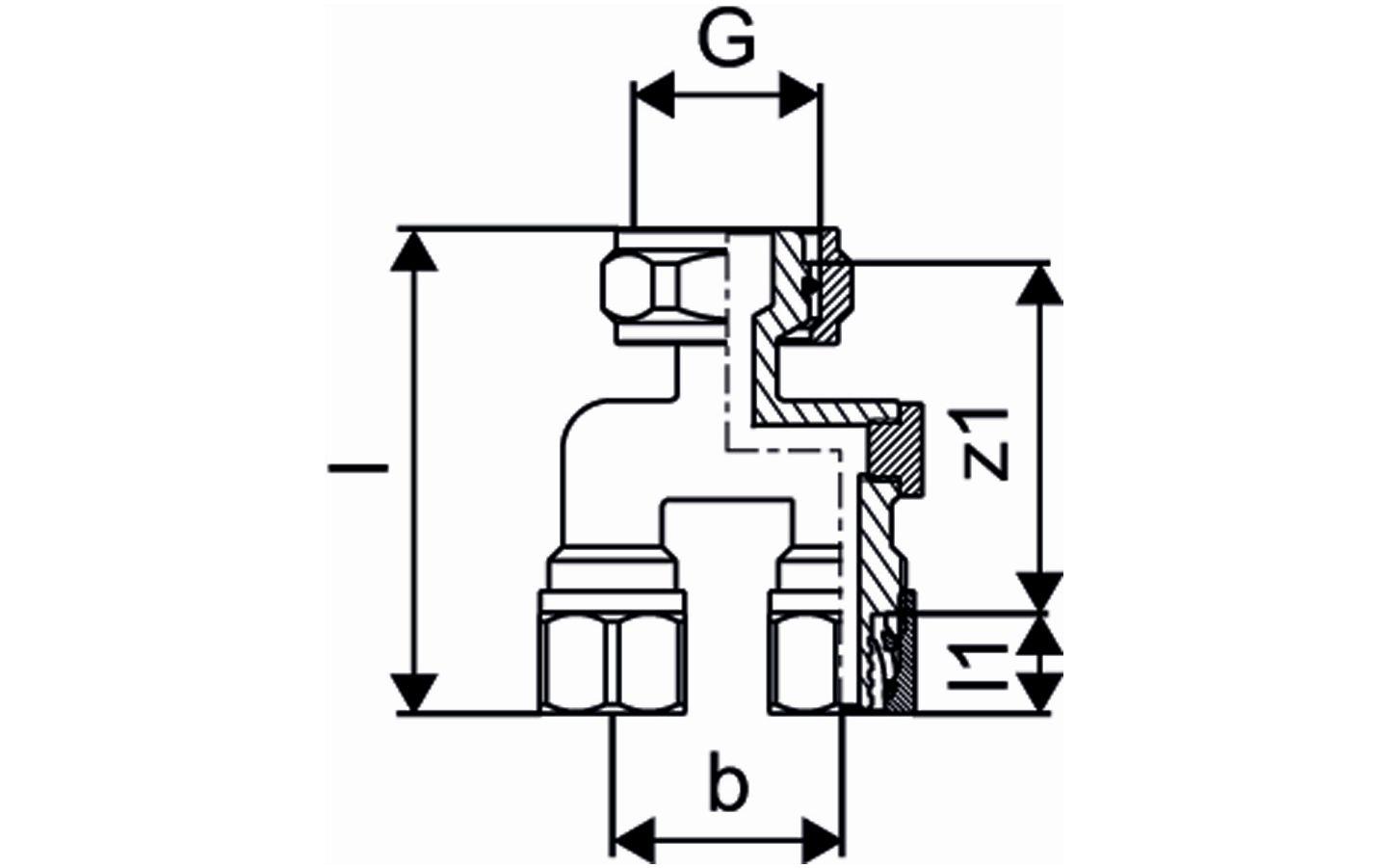
Uponor Minitec Y užveržiamas adapteris

- Pagamintas iš žalvario
- 3/4 Euro
- 2 kilpoms

Uponor Minitec Y užveržiamas adapteris

Prekės duomenys

Uponor Minitec Y užveržiamas adapteris 2x9,9-3/4"Euro

Dokumentai

Montavimo instrukcija
5 KB1022253

Montavimo instrukcija Minitec (1022253)

Techninė specifikacija
22 KB1141747

Techninė informacija Minitec underfloor heating/ cooling system (1141747)

Informacija apie produktą
19 KB1095407

Informacija apie produktą Minitec levelling material (1095407)

Apie

Techninė specifikacija

- „Minitec“ grindų šildymo sistema, pritaikyta tvirtinti prie kietų grindų ar nurodytų izoliacinių medžiagų
- Suprojektuota kaip tvirta minimalaus aukščio vamzdžių tvirtinimo sistema su integruotais vamzdžių tiesimo kanalais, užtikrinančiais tinkamą atstumą tarp tiesiamų vamzdžių
- Pritaikyta naudoti su 9,9 x 1,1 mm „Uponor Minitec PE-Xa“ vamzdžiais, leidžiančiais tiesti vamzdžius tiesiai ir įstrižai
- EN 13501-1 degumo klasė: E
- Standartinis degumas, B2 klasės statybinė medžiaga, atitinkanti DIN 4102
- Atstumas tarp vamzdžių: Vz 5, 10, 15
- Grynasis paviršiaus plotas su persidengiančiais kauburiais: 0,77 m²

Panaudojimas

- Spindulinis grindinis šildymas ir aušinimas
- Labai mažas konstrukcinis aukštis
- Pritaikyta naudoti su reikalavimus atitinkančiomis užpildo medžiagomis

Produktų brėžiniai

1016692_ZMD
1016692
80 B
1016692_REN
1016692
74 B
1016692_REN
1016692
411 B